LEMON Manuals: Even more car manuals for everyone: 1960-2025
Home >> Chevrolet >> 2009 >> HHR LS, Automatic >> Repair and Diagnosis >> Engine Performance >> System >> Data Communication System >> Schematic and Routing Diagrams >> Data Communication Schematics
April 5, 2026: LEMON Manuals is launched! Read the announcement.

Data Communication Schematics

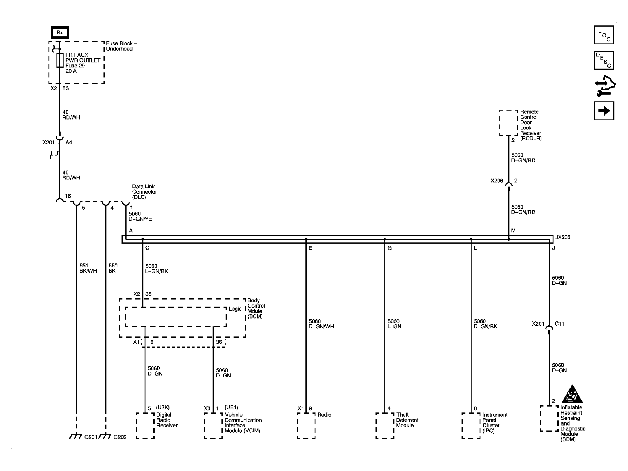
Fig 1: DLC Power, Ground & Low Speed GMLAN Circuit Schematic
GM2085365Courtesy of GENERAL MOTORS CORP.
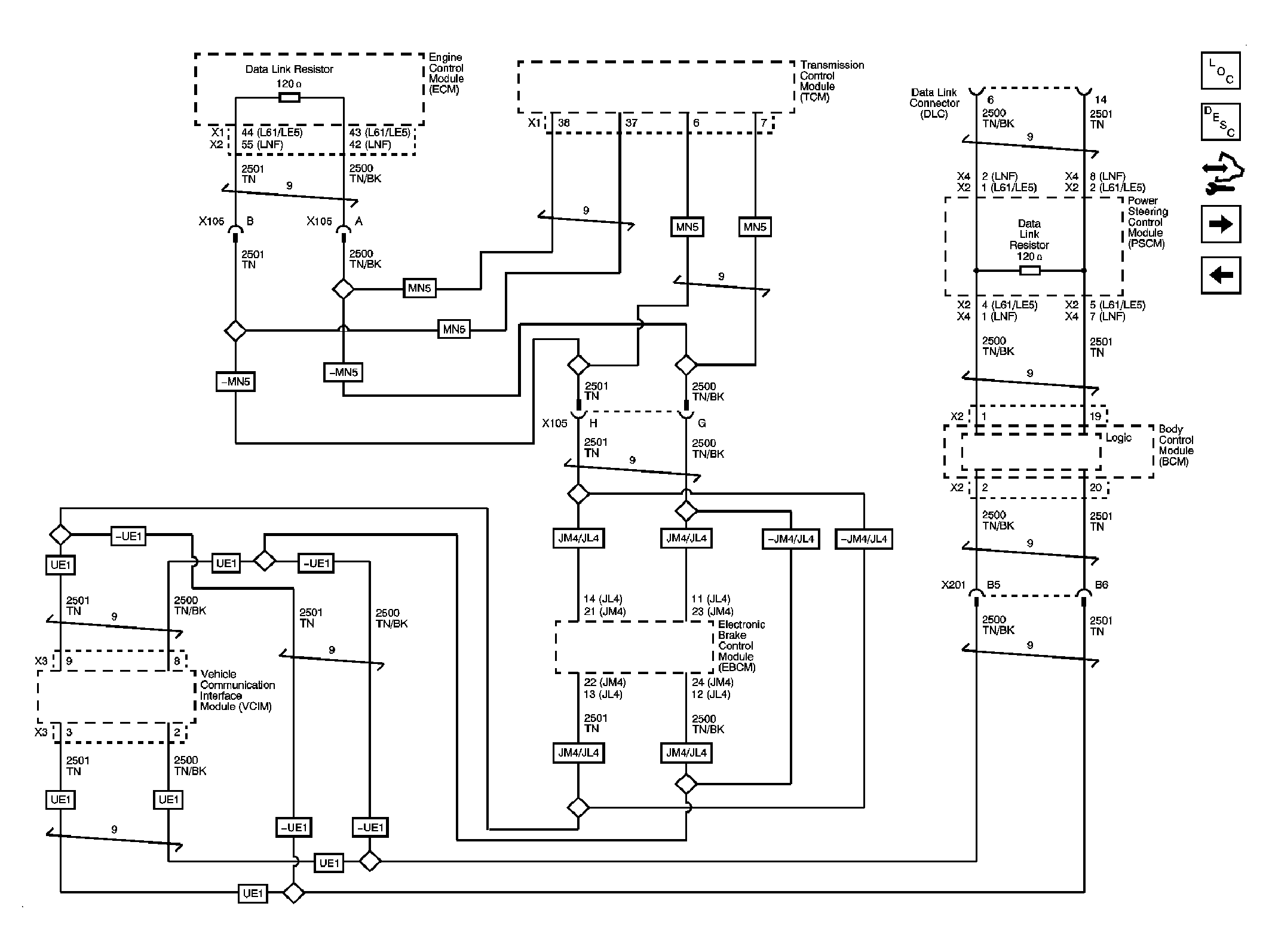
Fig 2: High Speed GMLAN Circuit Schematic
GM2085367Courtesy of GENERAL MOTORS CORP.