LEMON Manuals: Even more car manuals for everyone: 1960-2025
Home >> Chevrolet >> 2009 >> HHR LS, Automatic >> Repair and Diagnosis >> External Pages >> Different car >> Section 97 (Cellular System, Entertainment System, And Navigation System) >> Schematic and Routing Diagrams >> Radio/Navigation System Schematics
April 5, 2026: LEMON Manuals is launched! Read the announcement.

Radio/Navigation System Schematics

WARNING: This page is about a different car, the 2008 Chevrolet HHR. However, it is still accessible from the selected car via links, so may be relevant.
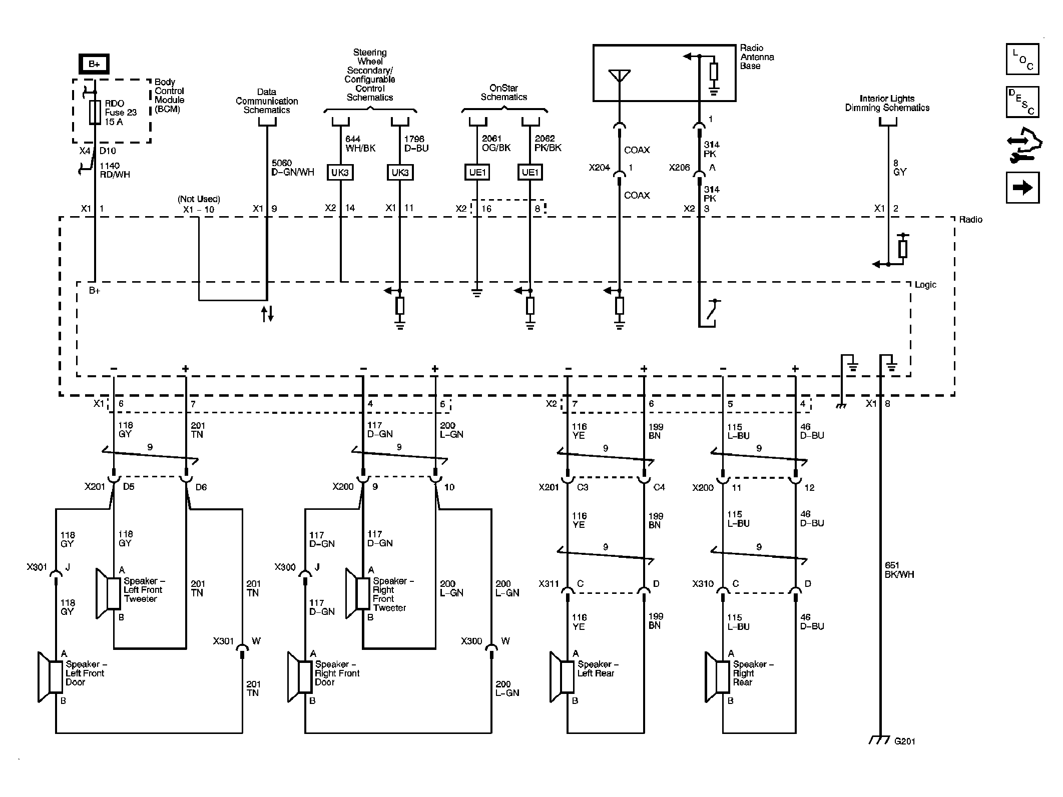
Fig 1: Radio w/UW5 - Schematic
GM1887715Courtesy of GENERAL MOTORS CORP.
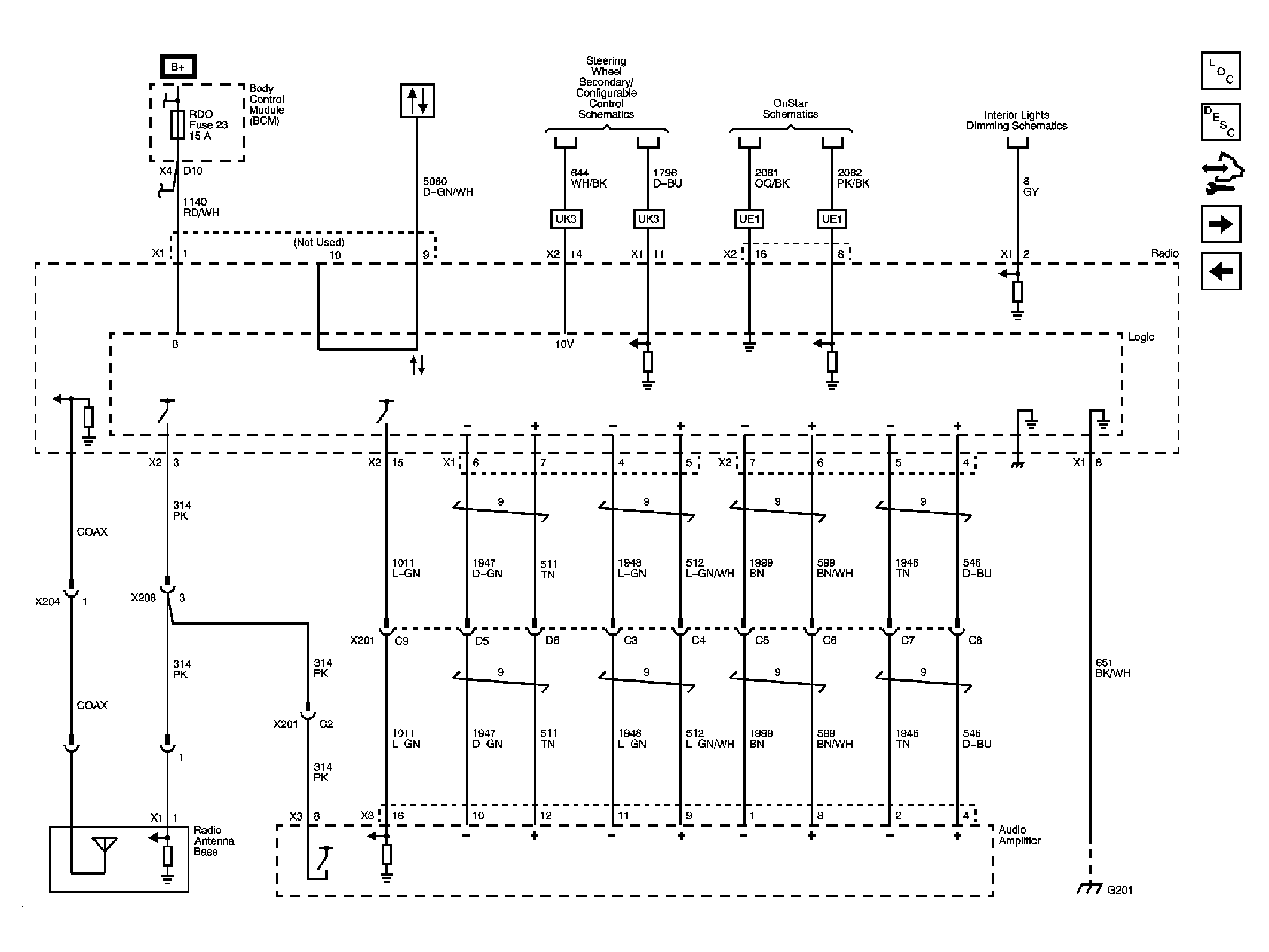
Fig 2: Radio w/UQ3 - 1 of 2 - Schematic
GM1887718Courtesy of GENERAL MOTORS CORP.
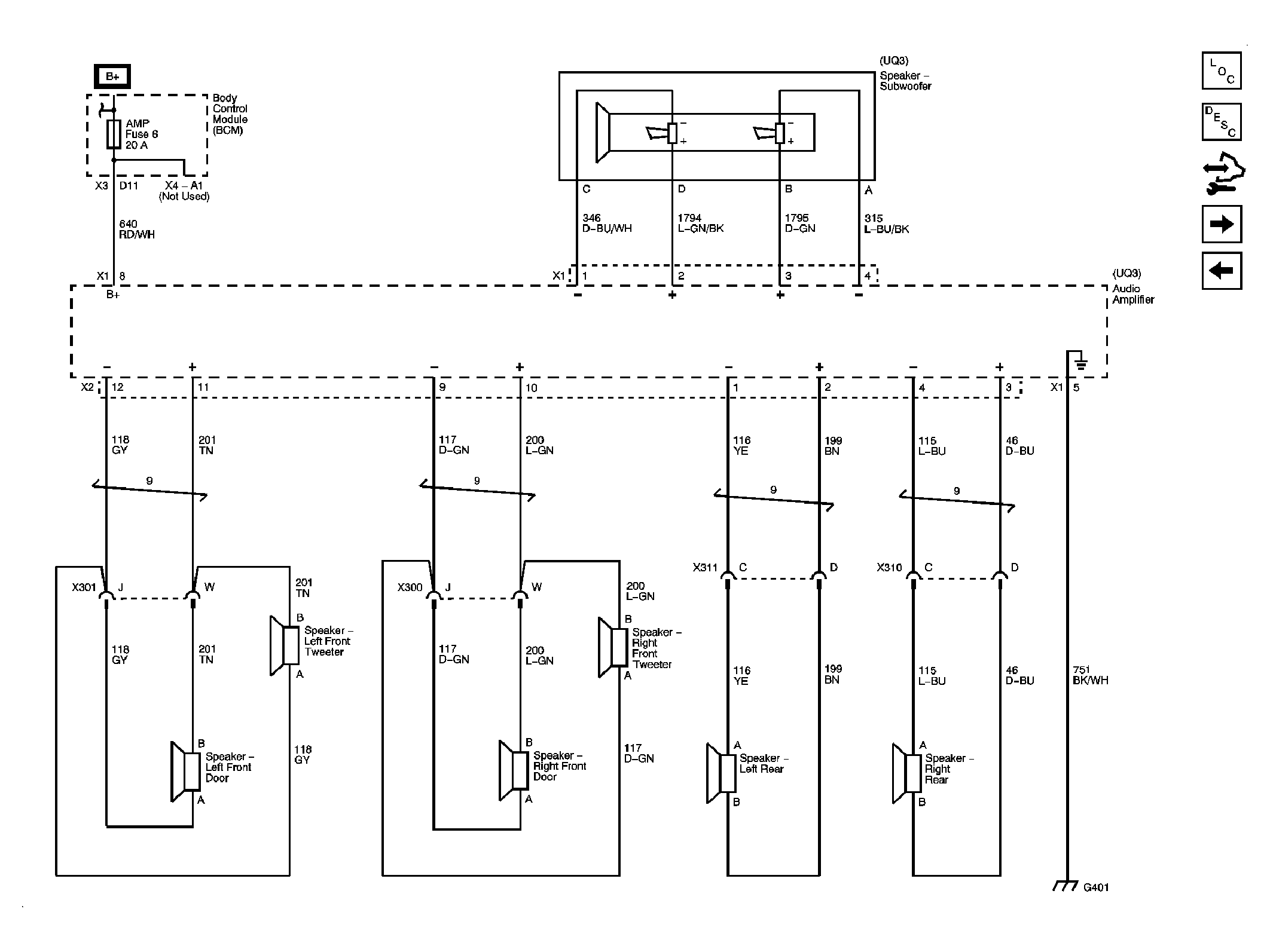
Fig 3: Radio w/UQ3 - 2 of 2 - Schematic
GM1887721Courtesy of GENERAL MOTORS CORP.
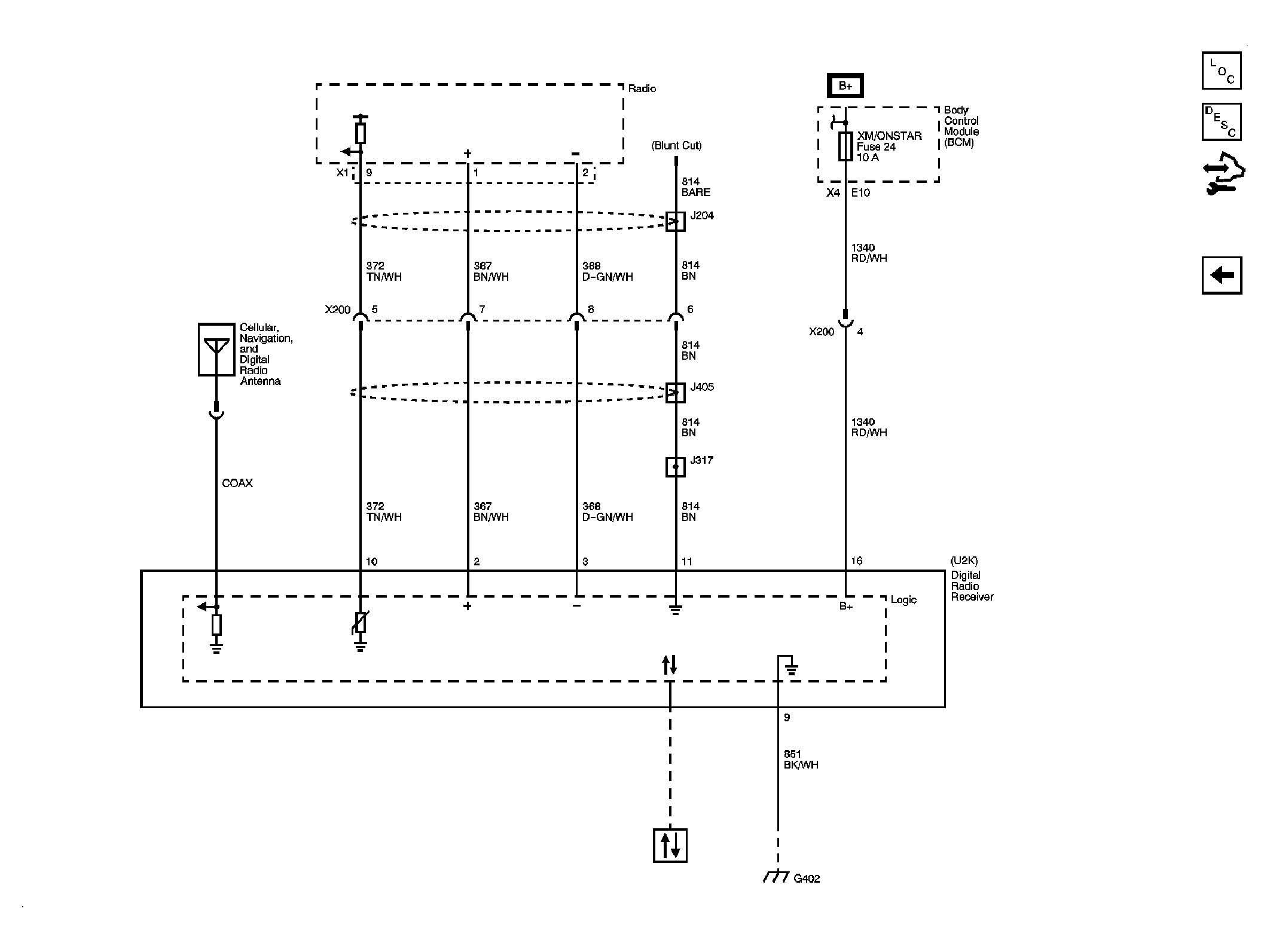
Fig 4: Digital Radio Receiver (U2K) - Schematic
GM1887725Courtesy of GENERAL MOTORS CORP.