LEMON Manuals: Even more car manuals for everyone: 1960-2025
Home >> Chevrolet >> 2009 >> HHR SS, Automatic >> Repair and Diagnosis (Single Page) >> Accessories & Equipment >> Memory Modules >> Configurable Customer Control System >> Schematic and Routing Diagrams >> Steering Wheel Secondary/Configurable Control Schematics
April 5, 2026: LEMON Manuals is launched! Read the announcement.

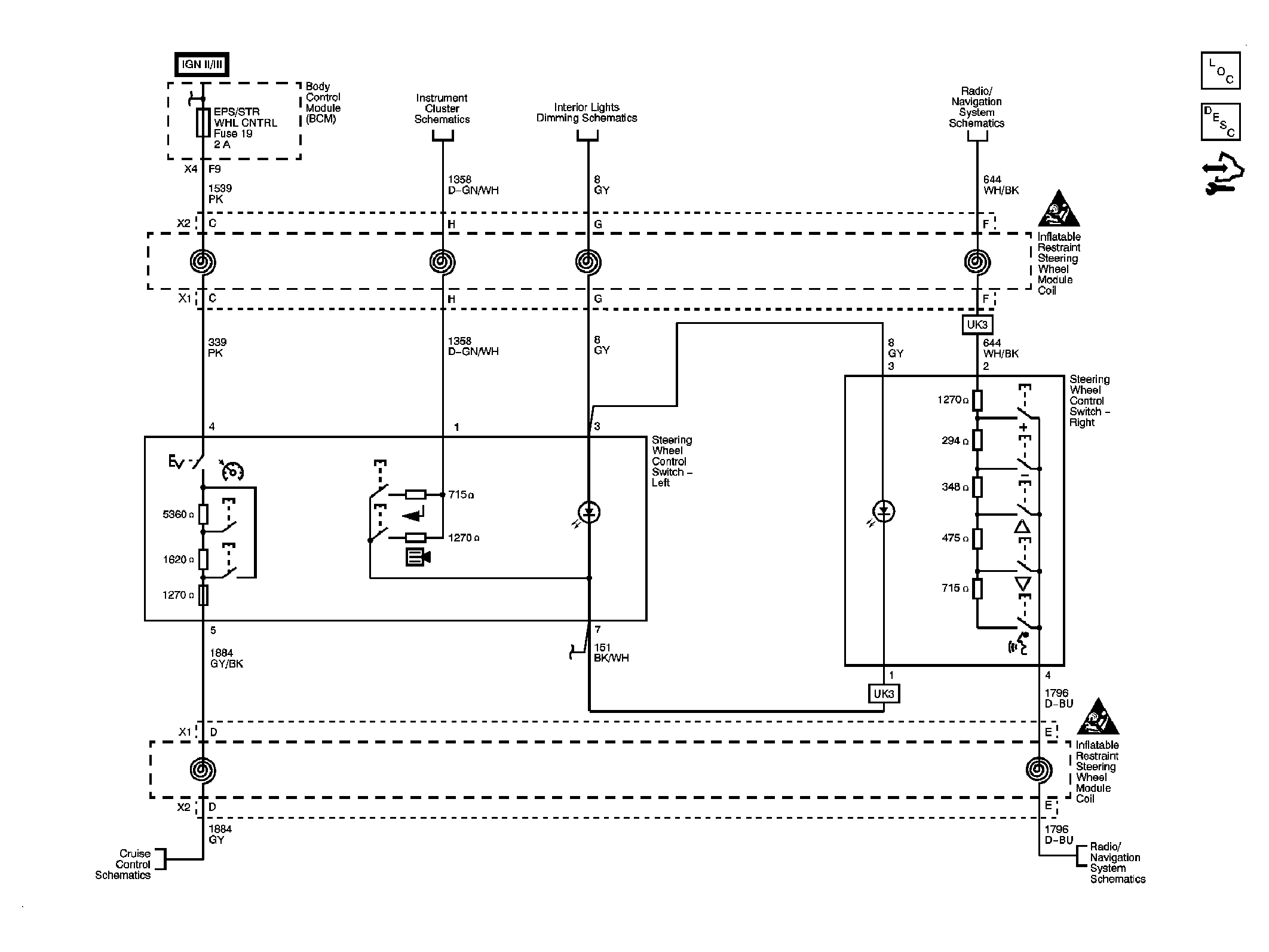
Steering Wheel Secondary/Configurable Control Schematics

Fig 1: Steering Wheel Secondary/Configurable Control Circuit Schematic
GM2085353Courtesy of GENERAL MOTORS CORP.