LEMON Manuals: Even more car manuals for everyone: 1960-2025
Home >> Chevrolet >> 2009 >> Impala LTZ >> Repair and Diagnosis >> Engine Performance >> System >> Data Communication System >> Schematic and Routing Diagrams >> Data Communication Schematics
April 5, 2026: LEMON Manuals is launched! Read the announcement.

Data Communication Schematics

Fig 1: Power, Ground, and Low Speed GMLAN Serial Data
GM2080053Courtesy of GENERAL MOTORS CORP.
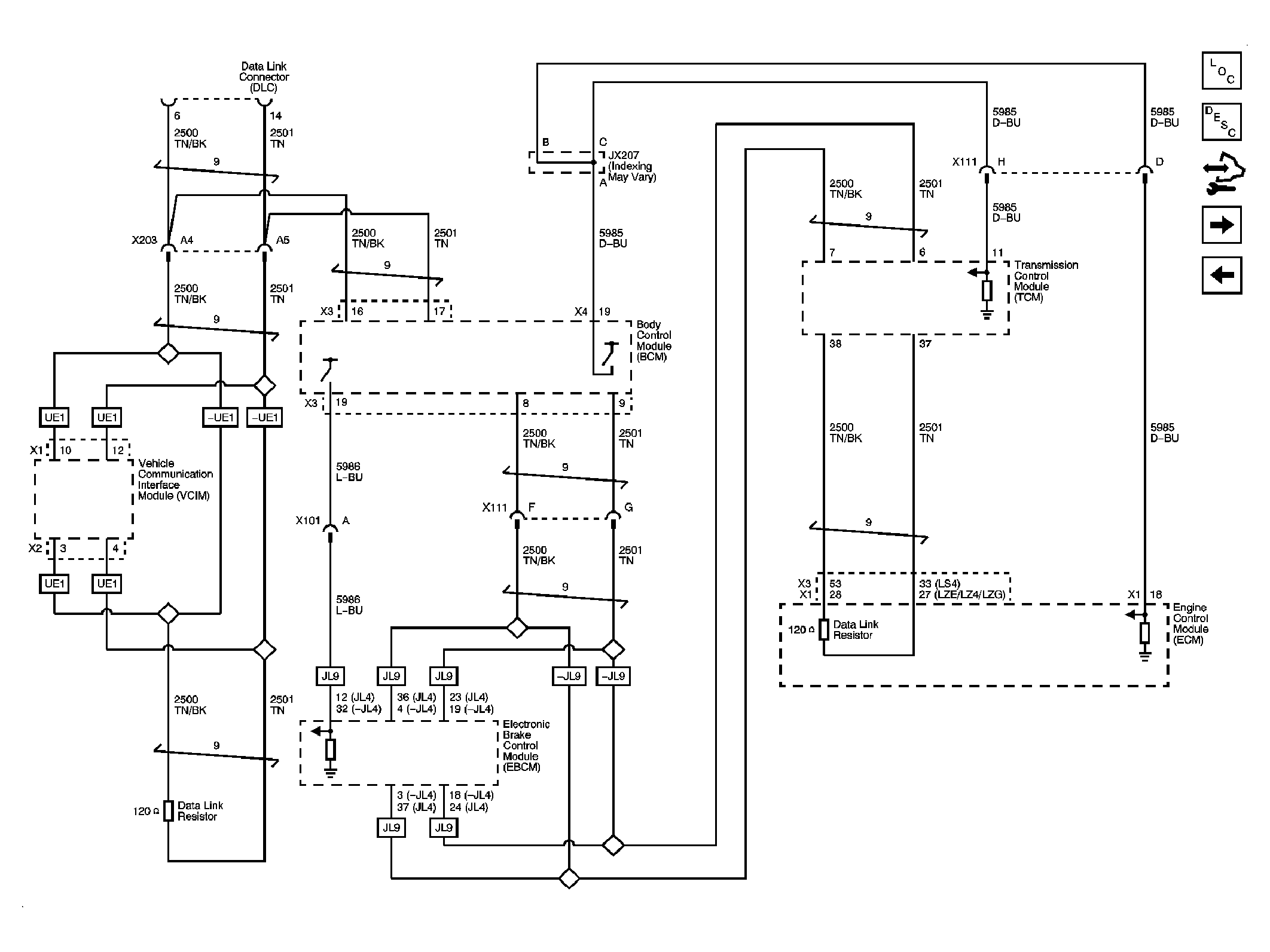
Fig 2: High Speed GMLAN Serial Data
GM2080056Courtesy of GENERAL MOTORS CORP.
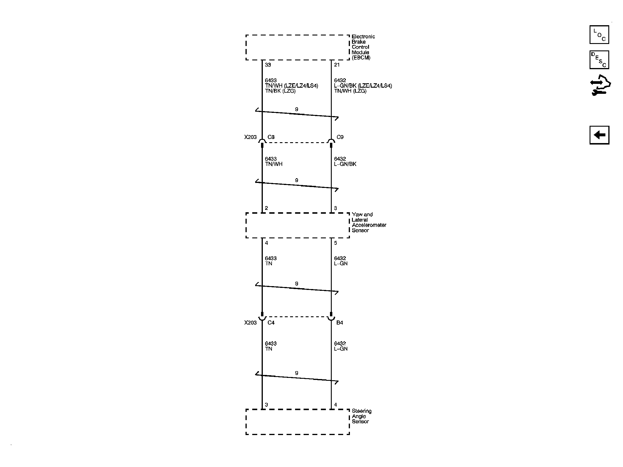
Fig 3: CAN Bus Serial Data - JL4
GM2080060Courtesy of GENERAL MOTORS CORP.