LEMON Manuals: Even more car manuals for everyone: 1960-2025
Home >> Chevrolet >> 2009 >> Impala SS >> Repair and Diagnosis >> External Pages >> Different car >> Section 1095 (Cellular System, Entertainment System, And Navigation System) >> Schematic and Routing Diagrams >> Radio/Navigation System Schematics
April 5, 2026: LEMON Manuals is launched! Read the announcement.

Radio/Navigation System Schematics

WARNING: This page is about a different car, the 2008 Chevrolet Malibu. However, it is still accessible from the selected car via links, so may be relevant.
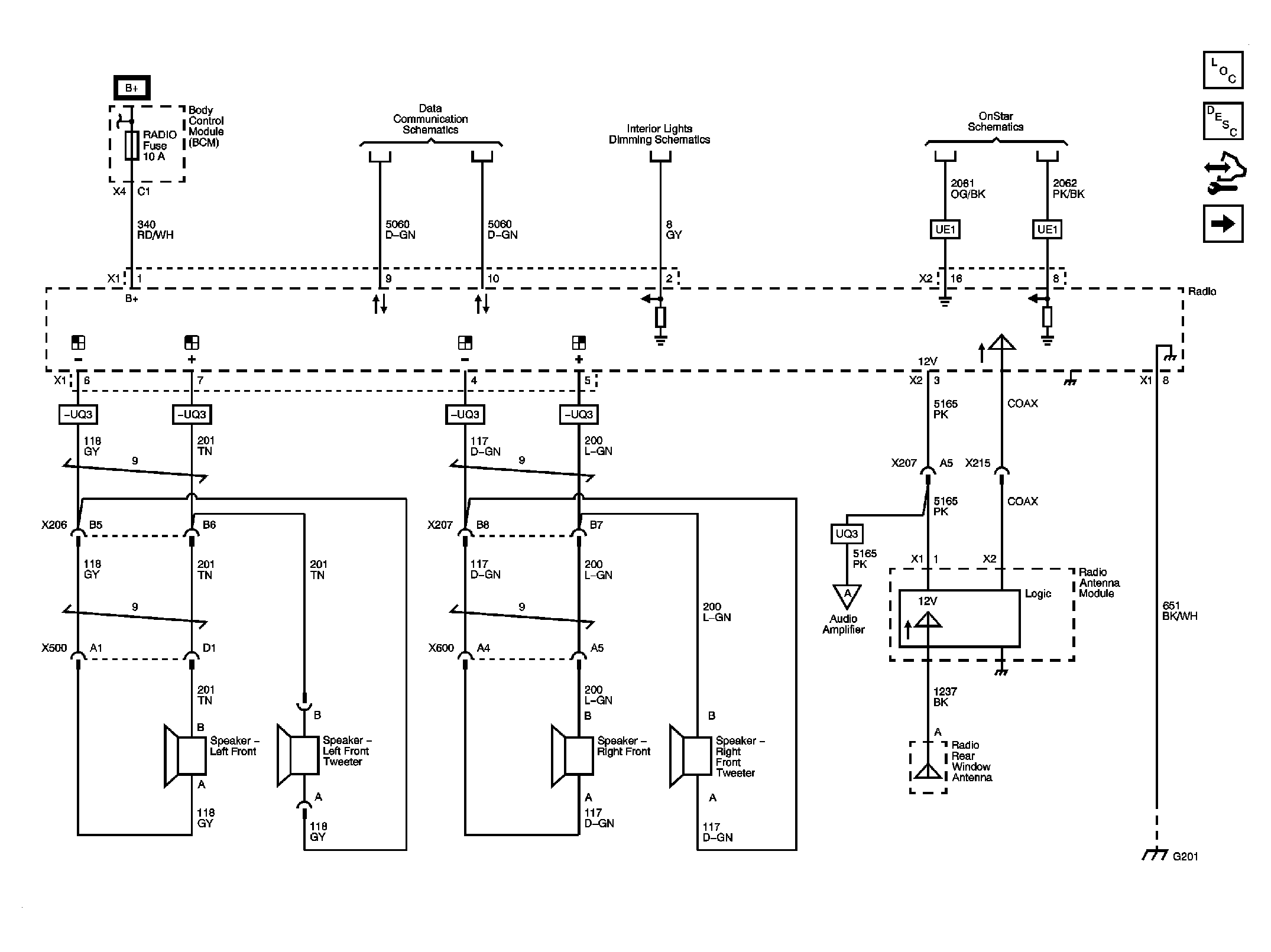
Fig 1: Power, Ground, Front Speakers, Antenna & References Schematic
GM1973196Courtesy of GENERAL MOTORS CORP.
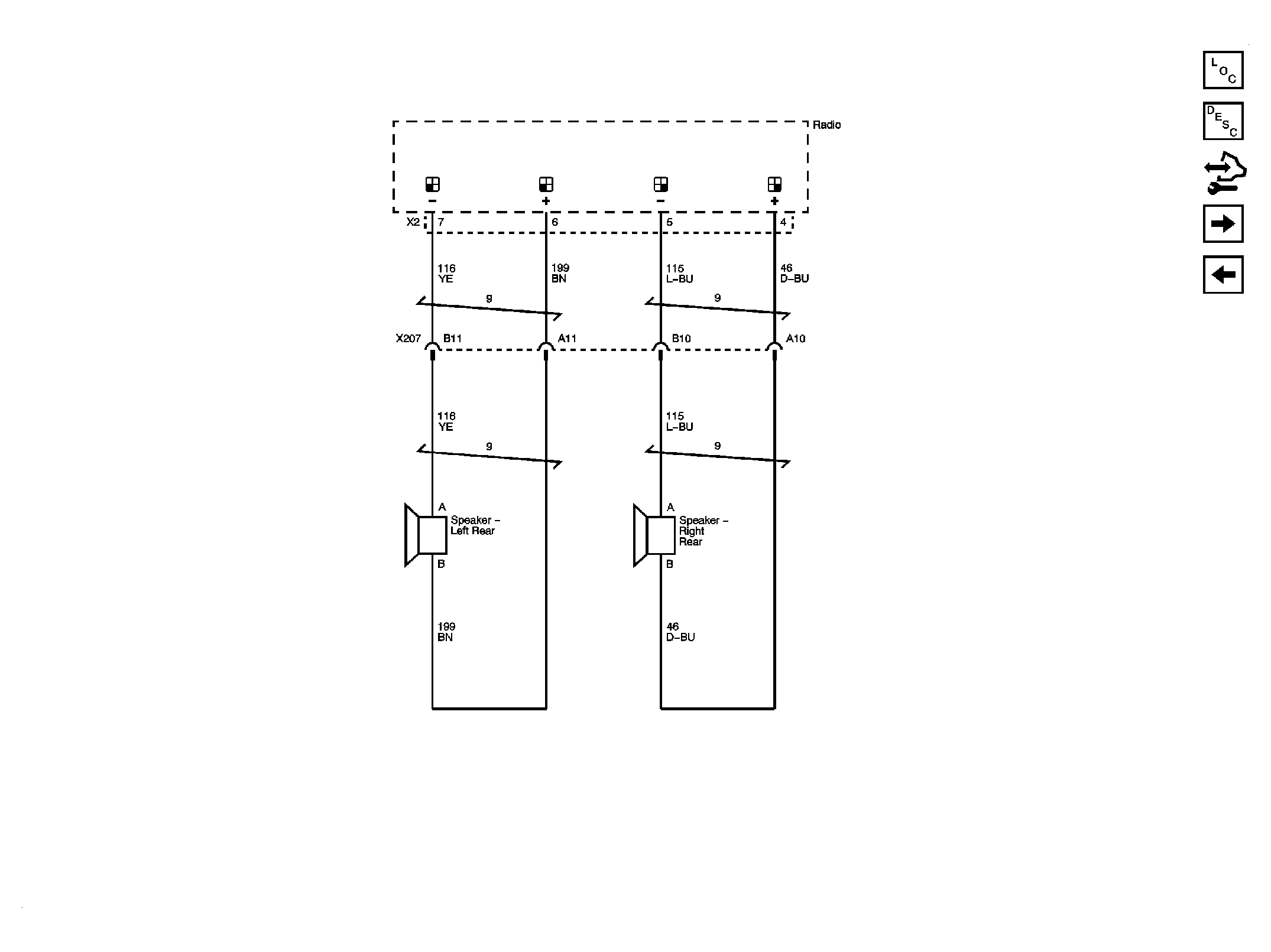
Fig 2: Rear Speakers Schematic (-UQ3)
GM1973198Courtesy of GENERAL MOTORS CORP.
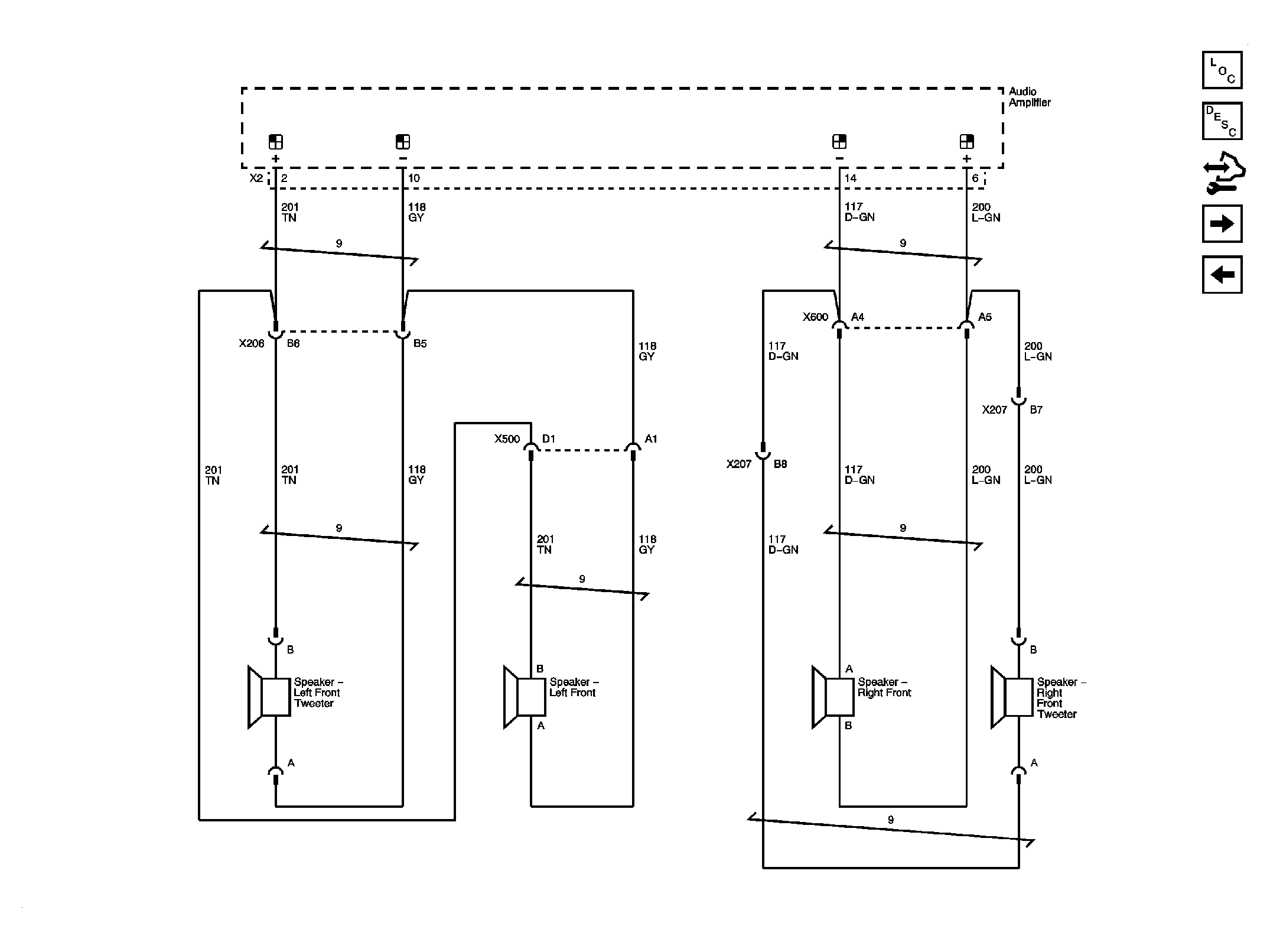
Fig 3: Amplifier Schematic (UQ3)
GM1973199Courtesy of GENERAL MOTORS CORP.
Fig 4: Front Speakers Schematic (UQ3)
GM1973201Courtesy of GENERAL MOTORS CORP.
Fig 5: Rear Speakers Schematic (UQ3)
GM1973204Courtesy of GENERAL MOTORS CORP.
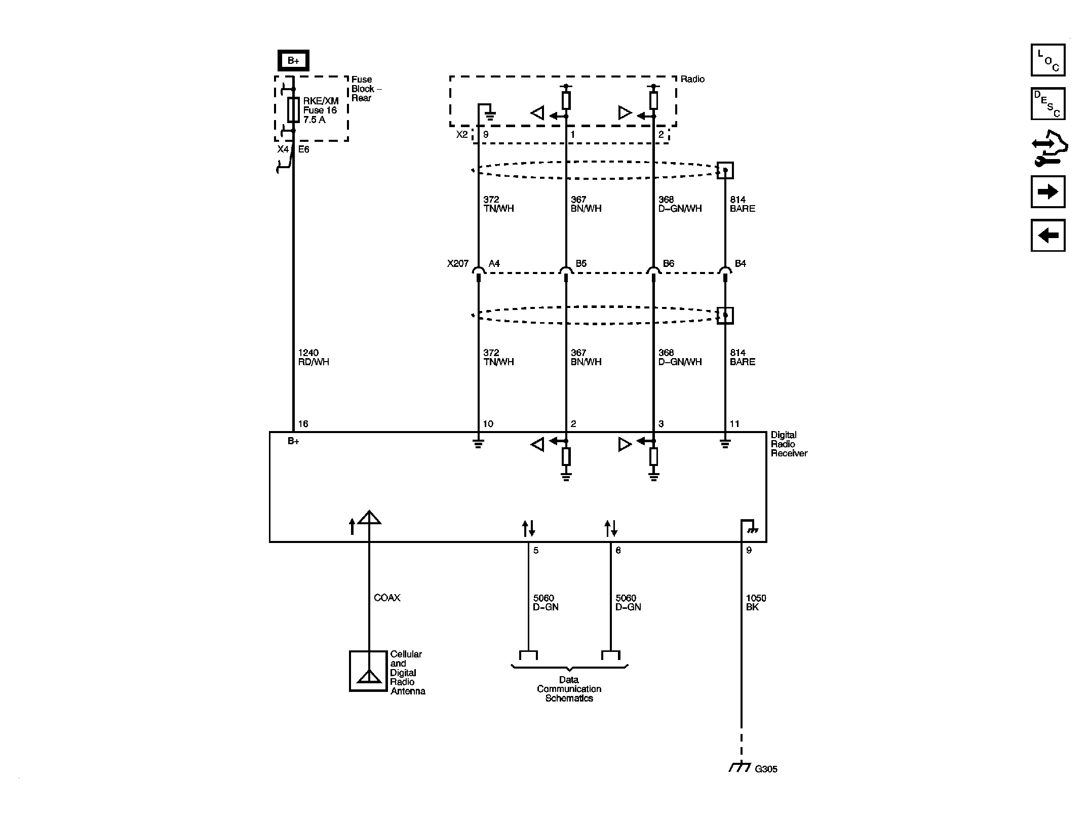
Fig 6: Digital Radio Receiver Schematic (U2K)
GM1973206Courtesy of GENERAL MOTORS CORP.
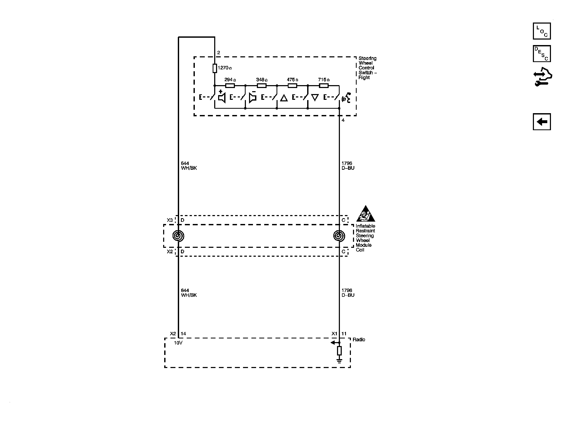
Fig 7: Redundant Radio Controls Schematic (UK3)
GM1973207Courtesy of GENERAL MOTORS CORP.