LEMON Manuals: Even more car manuals for everyone: 1960-2025
Home >> Chevrolet >> 2009 >> Impala SS >> Repair and Diagnosis >> External Pages >> Different car >> Section 956 (Data Communication System) >> Schematic and Routing Diagrams >> Body Control System Schematics
April 5, 2026: LEMON Manuals is launched! Read the announcement.

Body Control System Schematics

WARNING: This page is about a different car, the 2008 Chevrolet Impala. However, it is still accessible from the selected car via links, so may be relevant.
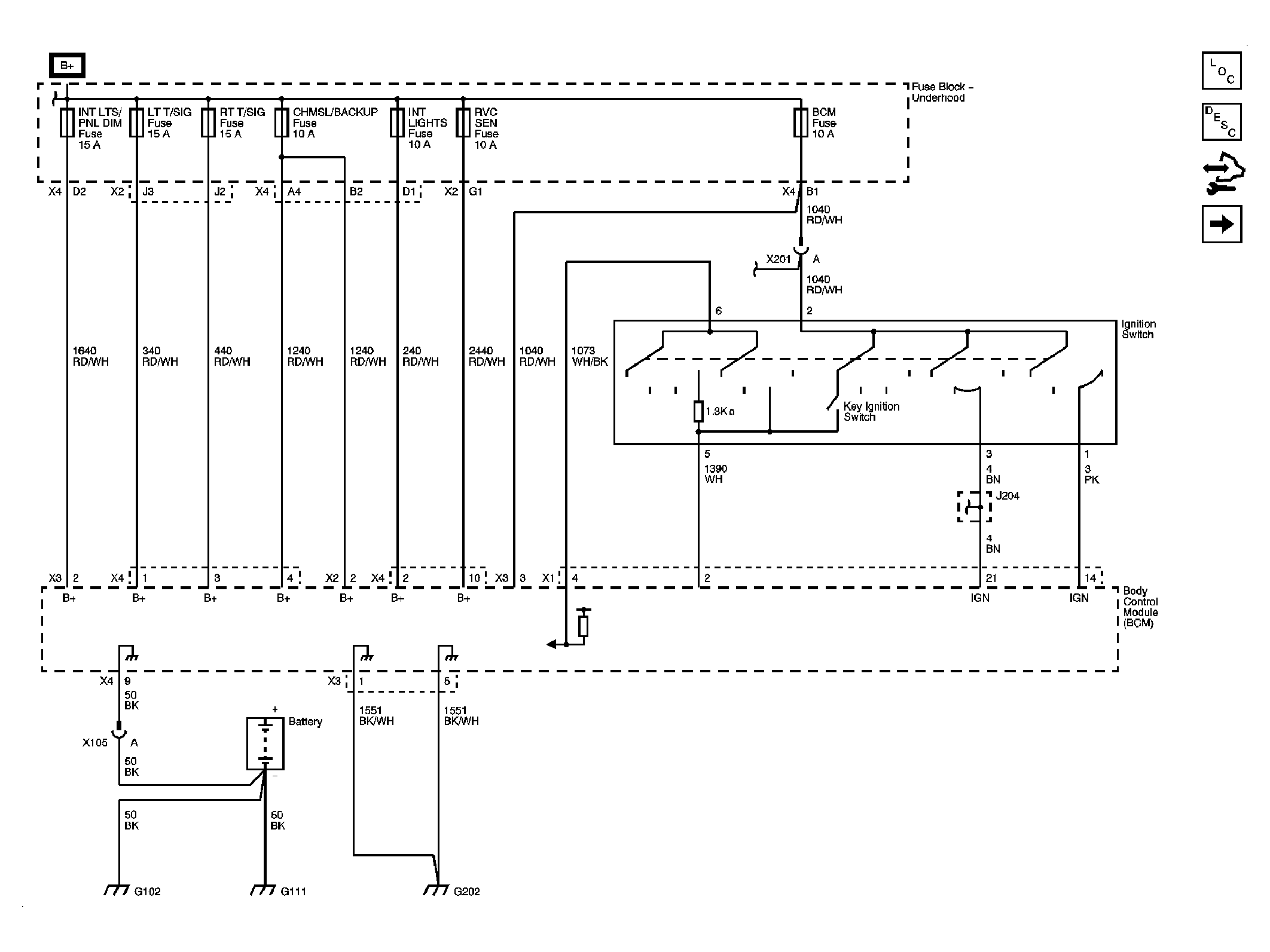
Fig 1: Power and Ground Schematic
GM1888538Courtesy of GENERAL MOTORS CORP.
Fig 2: Data Link, Starting and Charging, Engine Controls, AT Shift Lock Controls, Cruise Control, ABS, Brake Warning, Headlights/DRL, and Fog Lights References Schematic
GM1888544Courtesy of GENERAL MOTORS CORP.
Fig 3: Exterior Lights, Interior Lights, Interior Lights Dimming, Power Moding, and Door Lock/Indicator References Schematic
GM1888555Courtesy of GENERAL MOTORS CORP.
Fig 4: Door Lock/Indicator Cont, Theft Deterrent, Horns, Steering Wheel, Upfitter Provisions, Wiper/Washer, and Release System References Schematic
GM1888557Courtesy of GENERAL MOTORS CORP.