LEMON Manuals: Even more car manuals for everyone: 1960-2025
Home >> Chevrolet >> 2009 >> Traverse AWD V6-3.6L >> Repair and Diagnosis >> Body and Frame >> Frame >> Subframe >> Front Subframe >> Service and Repair >> Front Frame Replacement
April 5, 2026: LEMON Manuals is launched! Read the announcement.

Front Frame Replacement




Front Frame Replacement

Tools Required

J-39580 - Engine Support Stand

Removal Procedure

1. Install the engine support fixture. Refer to Engine Support Fixture (Engine Support Fixture).
2. Raise and support the vehicle. Refer to Lifting and Jacking the Vehicle (Service and Repair).
3. Remove the front tires and wheels. Refer to Tire and Wheel Removal and Installation (Service and Repair).




4. Remove the left engine splash shield. Refer to Engine Splash Shield Replacement (Service and Repair).
5. Remove the exhaust flexible pipe. Refer to Exhaust Flexible Pipe Replacement (Service and Repair).
6. Remove the propeller shaft if the vehicle is equipped with all wheel drive. Refer to Propeller Shaft Replacement (Service and Repair).




7. Remove both lower ball joint retaining nuts. Refer to Lower Control Arm Replacement (Front Suspension).
8. Remove the lower ball joints from the steering knuckles. Refer to Lower Control Arm Replacement (Front Suspension).
9. Disconnect the stabilizer shaft links from the stabilizer shaft. Refer to Stabilizer Shaft Link Replacement (Front Suspension).
10. Remove the power steering gear heat shields. Refer to Steering Gear Heat Shield Replacement (Service and Repair).





Note: Whenever the steering gear is moved in relation to the body, disconnect the intermediate shaft from the steering gear stub shaft.

11. Disconnect the intermediate shaft from the steering gear stub shaft. Refer to Intermediate Steering Shaft Replacement (Intermediate Steering Shaft Replacement).
12. Remove the power steering gear bolts. Refer to Steering Gear Replacement (Service and Repair).
13. Remove the power steering gear from the frame. Refer to Steering Gear Replacement (Service and Repair).
14. Use mechanics wire secure the power steering gear to the exhaust manifold.




15. Remove the power steering cooler inlet pipe from the frame. Refer to Power Steering Cooler Pipe/Hose Replacement (Power Steering Cooler Pipe/Hose Replacement).




16. Remove and discard the engine and transmission mount lower nuts.
17. Lower the vehicle until the frame contacts the J 39580 .
18. Remove the underbody rear side rail. Refer to Underbody Rear Side Rail Replacement ().




19. Remove the front crossmember brace bolts (3).

Note: When the frame insulator bolts are removed, always discard the bolts and replace with new bolts.

20. Remove the front frame to body bolts (2).
21. Remove the front crossmember brace (1).




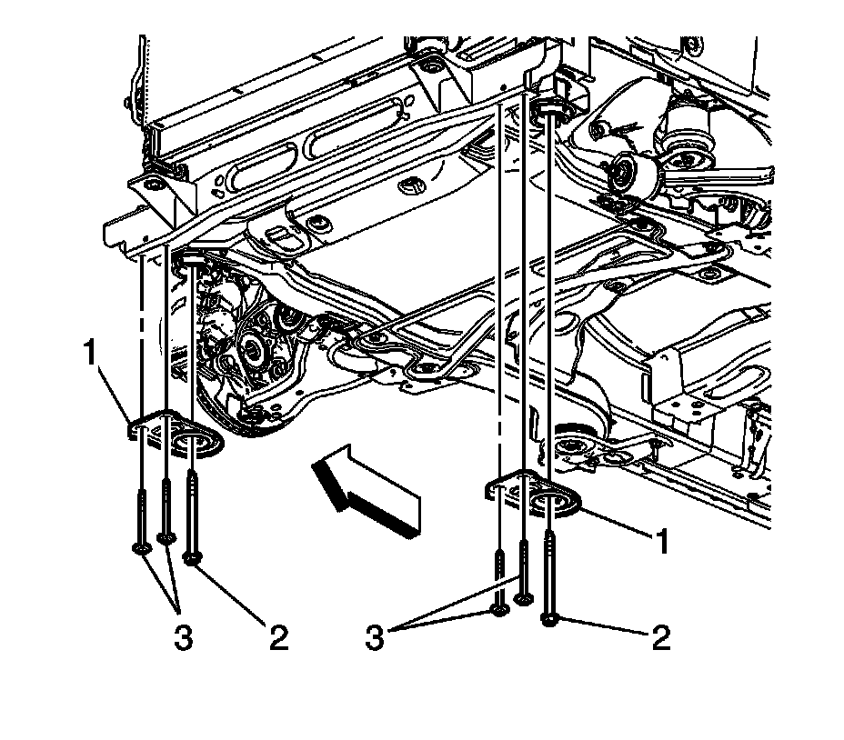
22. Remove the reinforcement bolts (2).
23. Remove the reinforcement studs (3).
24. Remove the frame to body bolts (4).
25. Remove the reinforcements (1).




26. Raise the vehicle in order to separate the frame from the vehicle.




27. Remove the frame brace bolts.
28. Remove the frame brace.




29. Remove the stabilizer shaft. Refer to Stabilizer Shaft Insulator Replacement (Front Suspension).
30. Remove the lower control arms. Refer to Lower Control Arm Replacement (Front Suspension).
31. Remove the frame insulators from the frame. Refer to Front Frame Cushion or Insulator Replacement (Front Frame Cushion or Insulator Replacement) and Rear Frame Cushion or Insulator Replacement (Rear Frame Cushion or Insulator Replacement).

Installation Procedure

1. Install the frame insulators to the frame. Refer to Front Frame Cushion or Insulator Replacement (Front Frame Cushion or Insulator Replacement) and Rear Frame Cushion or Insulator Replacement (Rear Frame Cushion or Insulator Replacement).




2. Install the lower control arms. Refer to Lower Control Arm Replacement (Front Suspension).
3. Install the stabilizer shaft. Refer to Stabilizer Shaft Insulator Replacement (Front Suspension).




4. Install the frame brace.

Caution: Refer to Fastener Caution (Fastener Caution).

5. Install the frame brace bolts and tighten to 60 Nm (44 lb ft)




6. Position the transmission table with the frame under the vehicle.

Note: Ensure that the power steering cooler line does not become trapped by the engine mount during this step.

7. Lower the vehicle while aligning the powertrain mounts with the frame until the vehicle is close to the frame.

Note: Ensure that the alignment pins remain installed during the frame installation.

8. Inserting two 19 mm (0.75 in) diameter X 203 mm (8.0 in) long guide pins or drill bits into the frame rear alignment holes in order to align the frame.




9. Install the front crossmember brace (1).

Note: If the frame insulator bolt does not screw in smoothly, run a tap through the frame nut in the body in order to remove foreign material. Ensure the tap does not punch through the underbody.

Do not over tighten the insulator. Over tightening may collapse a spacer or strip a bolt.

10. Install the front frame to body bolts (2) and tighten to 110 Nm (81 lb ft) plus 90 degrees.
11. Install the front crossmember brace bolts (3) and tighten to 50 Nm (37 lb ft).




12. Install the reinforcements (1).
13. Install the rear frame to body bolts (4) and tighten to 110 Nm (81 lb ft) plus 90 degrees.
14. Install the reinforcement bolts (2) and tighten to 60 Nm (44 lb ft).
15. Install the reinforcement studs (3) and tighten to 60 Nm (44 lb ft).
16. Remove the alignment pins from the frame.
17. Install the underbody rear side rail. Refer to Underbody Rear Side Rail Replacement ().

Note: The engine and transmission mount nuts must be replaced once removed. When the nut has to be loosened or removed, threadlocker must be used in addition to using a new nut. Allow adhesive on new engine and transmission mount nuts to cure for 24 hours after replacement.




18. Apply threadlocker GM P/N 12345382 (Canadian P/N 10953489) to the engine and transmission mount threads.
19. Install the engine and transmission mount nuts and tighten to 75 Nm (55 lb ft).




20. Install the power steering cooler inlet pipe to the frame. Refer to Power Steering Cooler Pipe/Hose Replacement (Power Steering Cooler Pipe/Hose Replacement).
21. Install the power steering gear to the frame. Refer to Steering Gear Replacement (Service and Repair).
22. Install the power steering gear bolts. Refer to Steering Gear Replacement (Service and Repair).
23. Install the power steering gear heat shield. Refer to Steering Gear Heat Shield Replacement (Service and Repair).





Note: Whenever the steering gear is moved in relation to the body, disconnect the intermediate shaft from the steering gear stub shaft.

24. Disconnect the intermediate shaft from the steering gear stub shaft. Refer to Intermediate Steering Shaft Replacement (Intermediate Steering Shaft Replacement).
25. Connect the stabilizer shaft links to the stabilizer shaft. Refer to Stabilizer Shaft Link Replacement (Front Suspension).




26. Install the lower ball joints to the steering knuckles. Refer to Lower Control Arm Replacement (Front Suspension).
27. Install both lower ball joint retaining nuts. Refer to Lower Control Arm Replacement (Front Suspension).
28. Install the propeller shaft if the vehicle is equipped with all wheel drive. Refer to Propeller Shaft Replacement (Service and Repair).
29. Install the exhaust flexible pipe. Refer to Exhaust Flexible Pipe Replacement (Service and Repair).




30. Install the left engine splash shield. Refer to Engine Splash Shield Replacement (Service and Repair).
31. Install the front tires and wheels. Refer to Tire and Wheel Removal and Installation (Service and Repair).
32. Lower the vehicle.
33. Remove the engine support fixture.
34. Inspect the front wheel alignment and adjust the toe angle if necessary. Refer to Wheel Alignment Measurement (Service and Repair).