LEMON Manuals: Even more car manuals for everyone: 1960-2025
Home >> Chevrolet >> 2009 >> Traverse LS, AWD >> Repair and Diagnosis >> External Pages >> Different car >> Section 49 (Object Detection System) >> Schematic and Routing Diagrams >> Object Detection Schematics
April 5, 2026: LEMON Manuals is launched! Read the announcement.

Object Detection Schematics

WARNING: This page is about a different car, the 2010 Saturn Outlook, 2010 GMC Acadia, 2010 Chevrolet Traverse, and 2010 Buick Enclave. However, it is still accessible from the selected car via links, so may be relevant.
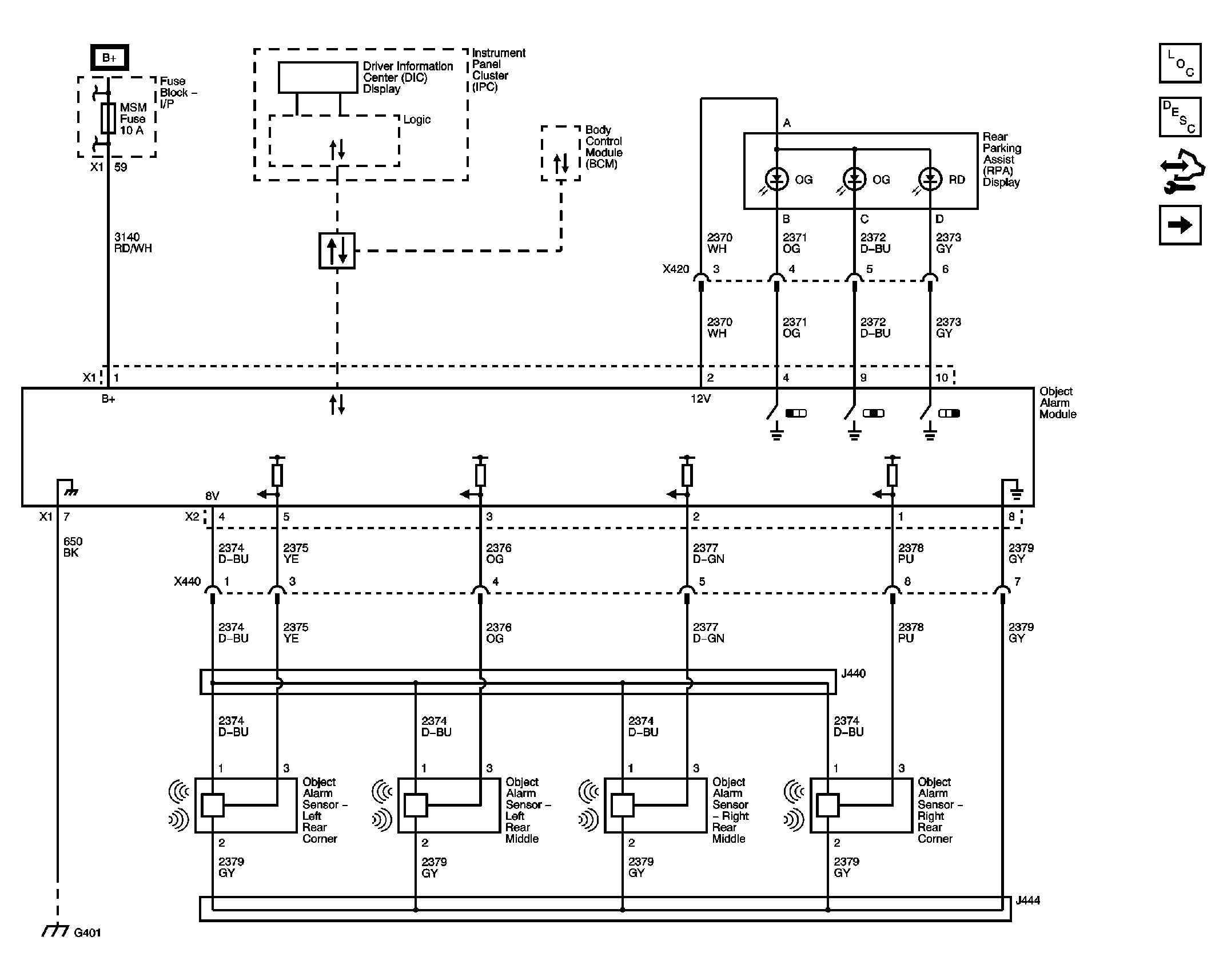
Fig 1: Rear Park Assist Circuit Schematic (UD7)
GM2248469Courtesy of GENERAL MOTORS CORP.
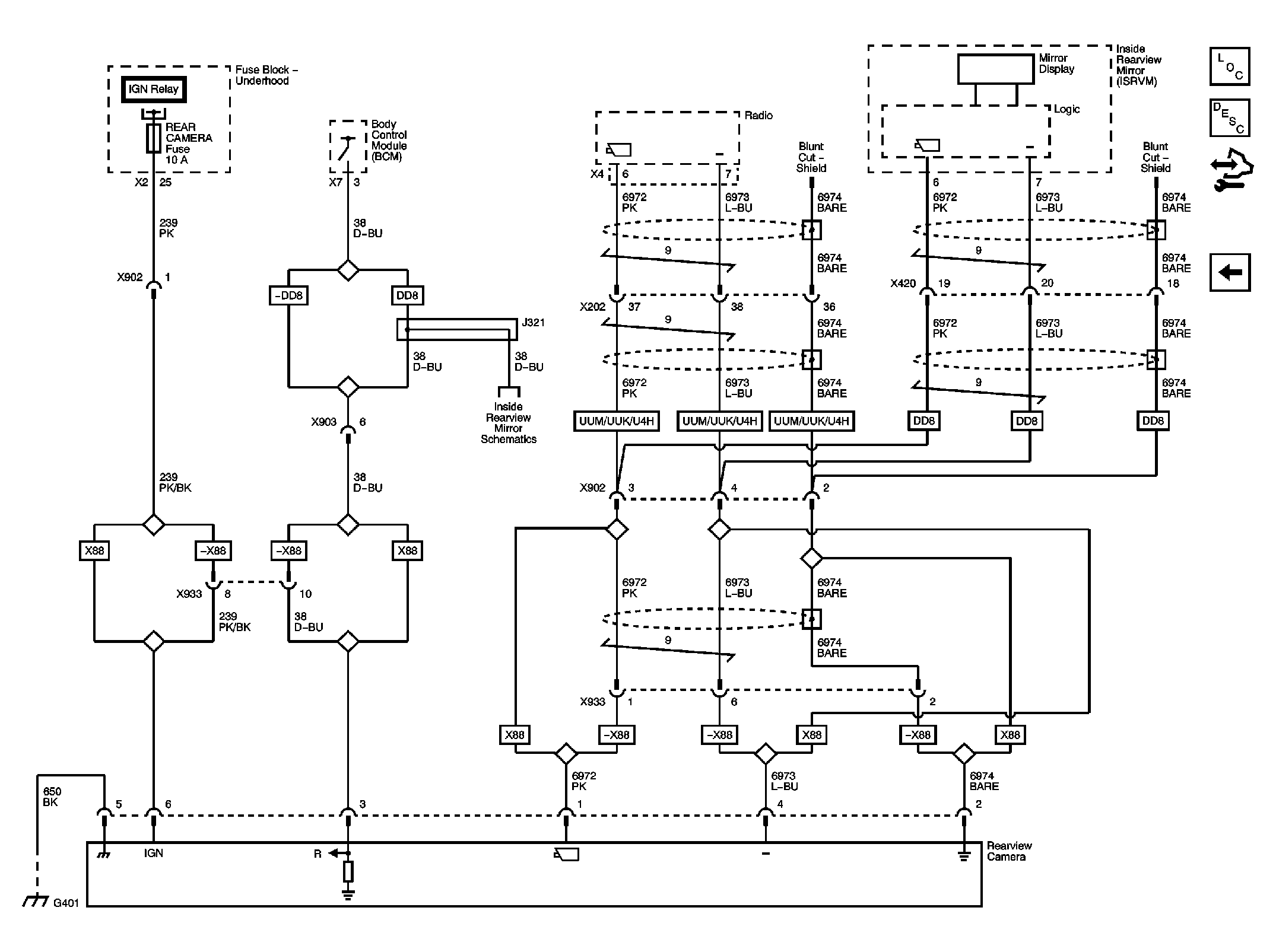
Fig 2: Rear Vision Camera Circuit Schematic (UVC)
GM2248474Courtesy of GENERAL MOTORS CORP.