LEMON Manuals: Even more car manuals for everyone: 1960-2025
Home >> Chevrolet >> 2010 >> Corvette Base, 2D Convertible, Standard >> Repair and Diagnosis >> Accessories & Equipment >> Memory Modules >> Configurable Customer Control System >> Schematic and Routing Diagrams >> Steering Wheel Secondary/Configurable Control Schematics
April 5, 2026: LEMON Manuals is launched! Read the announcement.

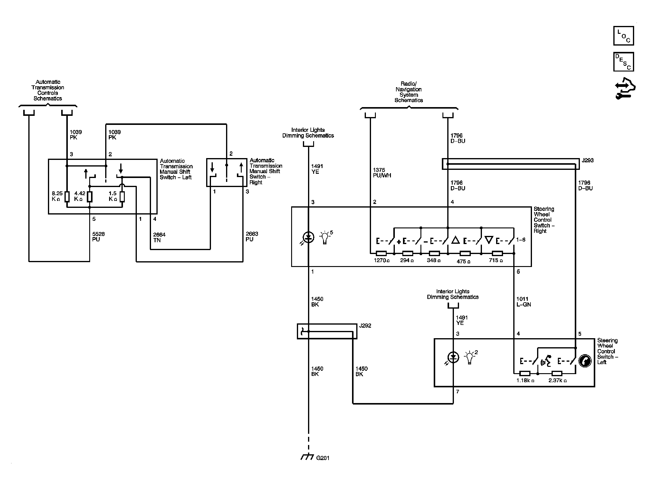
Steering Wheel Secondary/Configurable Control Schematics

Fig 1: Steering Wheel Secondary/Configurable Control
GM2225387Courtesy of GENERAL MOTORS CORP.