LEMON Manuals: Even more car manuals for everyone: 1960-2025
Home >> Chevrolet >> 2010 >> HHR SS, Automatic >> Repair and Diagnosis >> External Pages >> Different car >> Section 97 (Cellular System, Entertainment System & Navigation System) >> Schematic and Routing Diagrams >> Radio/Navigation System Schematics
April 5, 2026: LEMON Manuals is launched! Read the announcement.

Radio/Navigation System Schematics

WARNING: This page is about a different car, the 2009 Chevrolet HHR. However, it is still accessible from the selected car via links, so may be relevant.
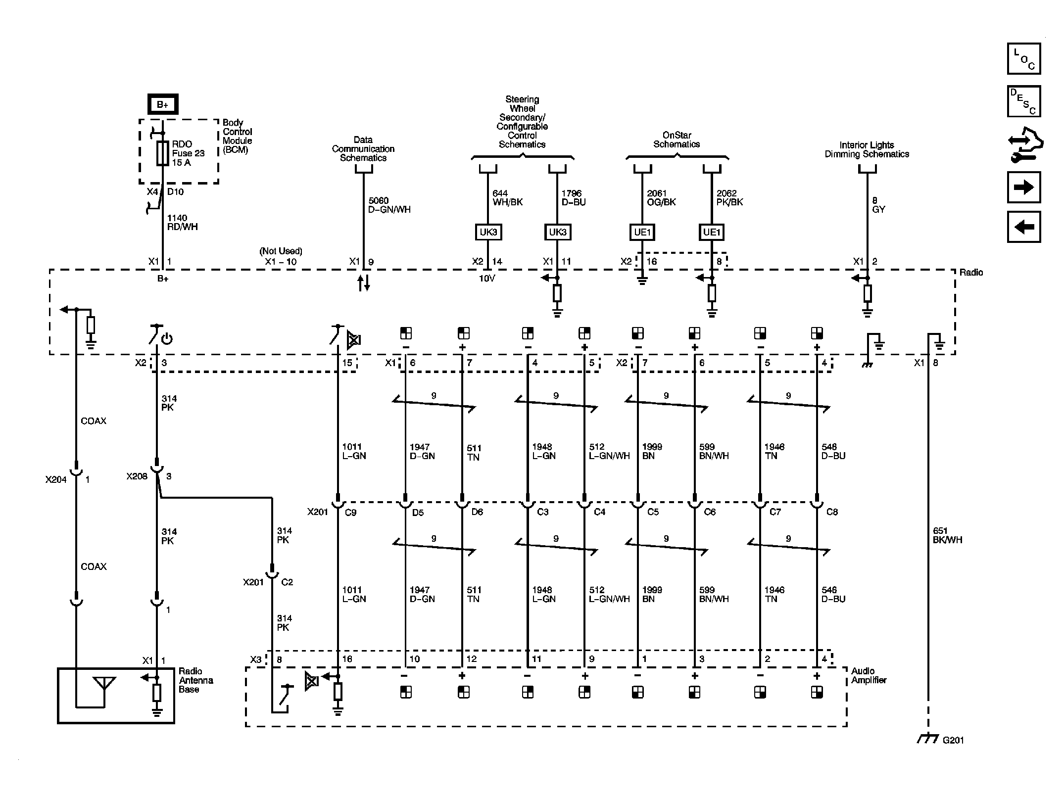
Fig 1: Radio w/UW5 Circuit Schematic
GM2085341Courtesy of GENERAL MOTORS CORP.
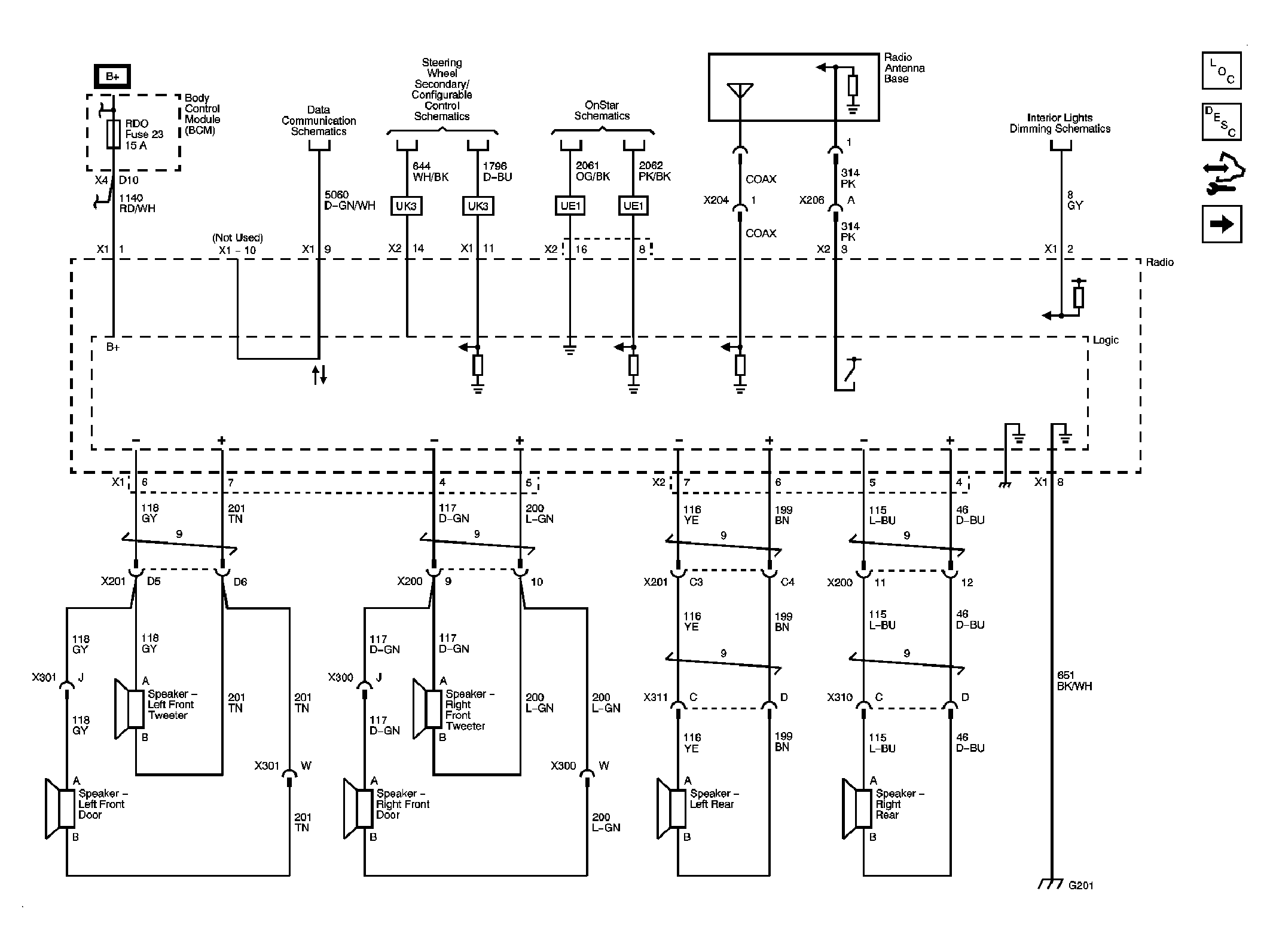
Fig 2: Radio w/UQ3 Circuit Schematic - 1 Of 2
GM2085342Courtesy of GENERAL MOTORS CORP.
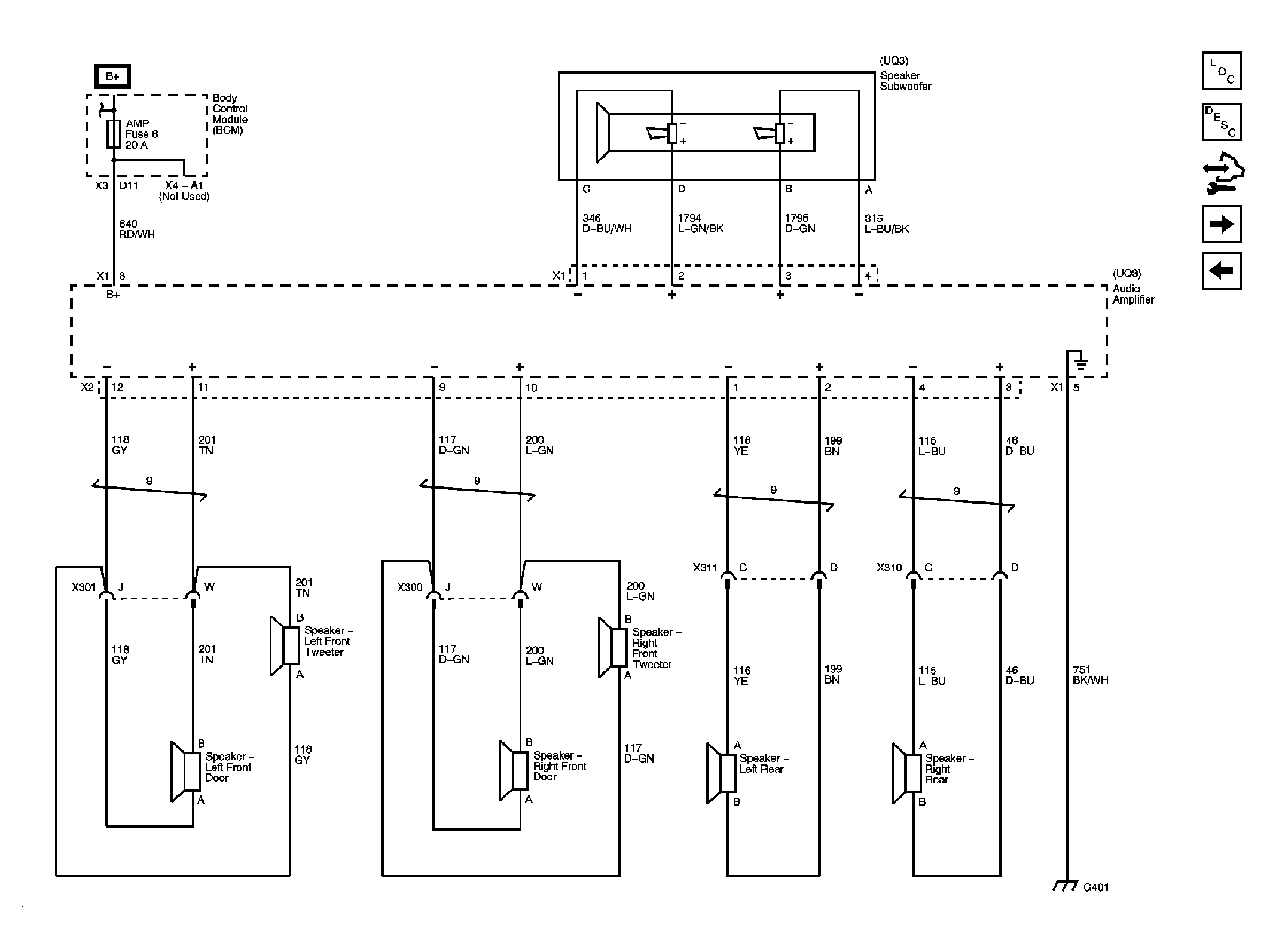
Fig 3: Radio w/UQ3 Circuit Schematic - 2 Of 2
GM2085345Courtesy of GENERAL MOTORS CORP.
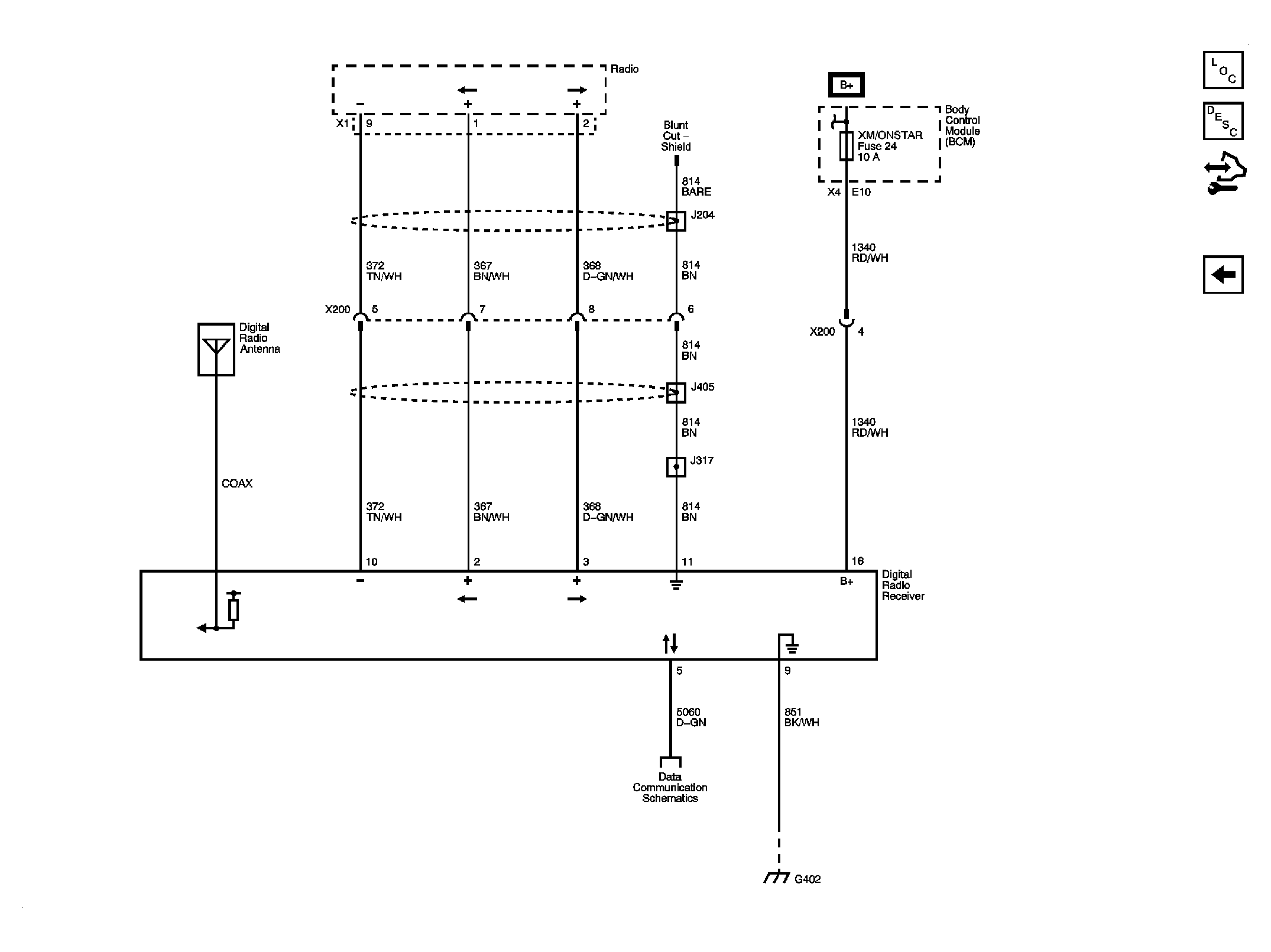
Fig 4: Digital Radio Receiver Circuit Schematic (U2K)
GM2085346Courtesy of GENERAL MOTORS CORP.