LEMON Manuals: Even more car manuals for everyone: 1960-2025
Home >> Chevrolet >> 2010 >> Traverse LS, AWD >> Repair and Diagnosis >> External Pages >> Different car >> Section 18 (Cellular System, Entertainment System & Navigation System) >> Schematic and Routing Diagrams >> Video System Schematics
April 5, 2026: LEMON Manuals is launched! Read the announcement.

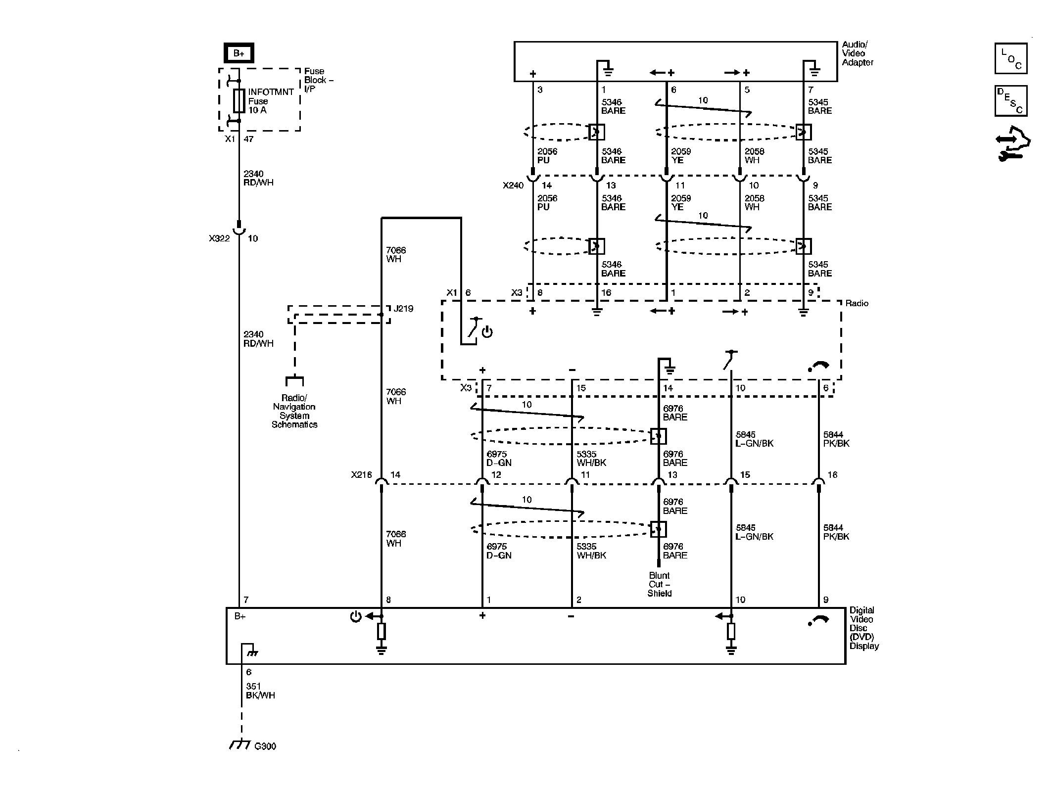
Video System Schematics

WARNING: This page is about a different car, the 2009 Saturn Outlook, 2009 GMC Acadia, 2009 Chevrolet Traverse, and 2009 Buick Enclave. However, it is still accessible from the selected car via links, so may be relevant.
Fig 1: Video System Circuit Schematic - U42
GM2078145Courtesy of GENERAL MOTORS CORP.