LEMON Manuals: Even more car manuals for everyone: 1960-2025
Home >> Chevrolet >> 2010 >> Traverse LS, FWD >> Repair and Diagnosis >> Engine Performance >> System >> Data Communication System >> Schematic and Routing Diagrams >> Data Communication Schematics
April 5, 2026: LEMON Manuals is launched! Read the announcement.

Data Communication Schematics

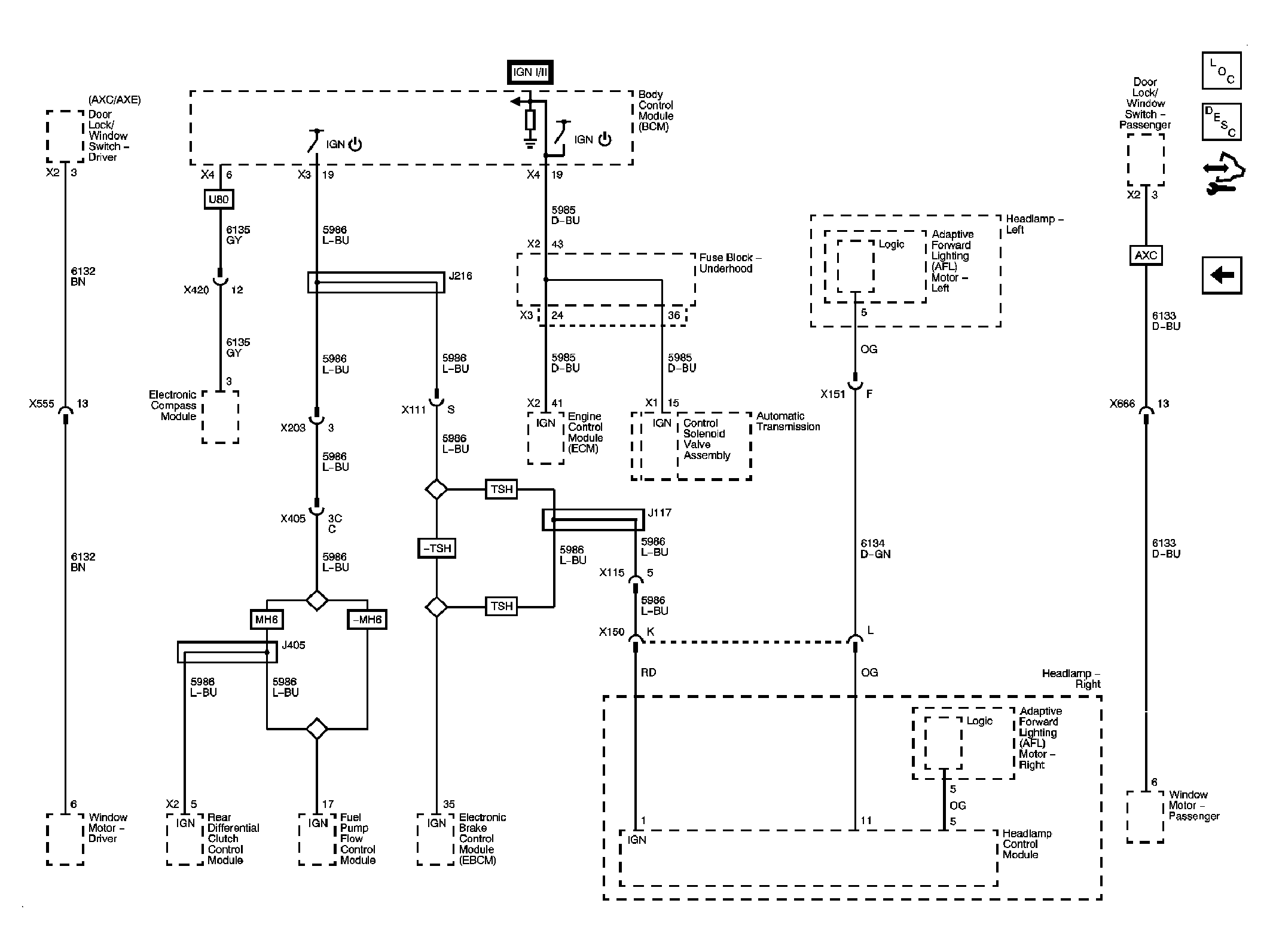
Fig 1: Data Communication Circuit Schematic - Low Speed GMLAN
GM2248200Courtesy of GENERAL MOTORS CORP.
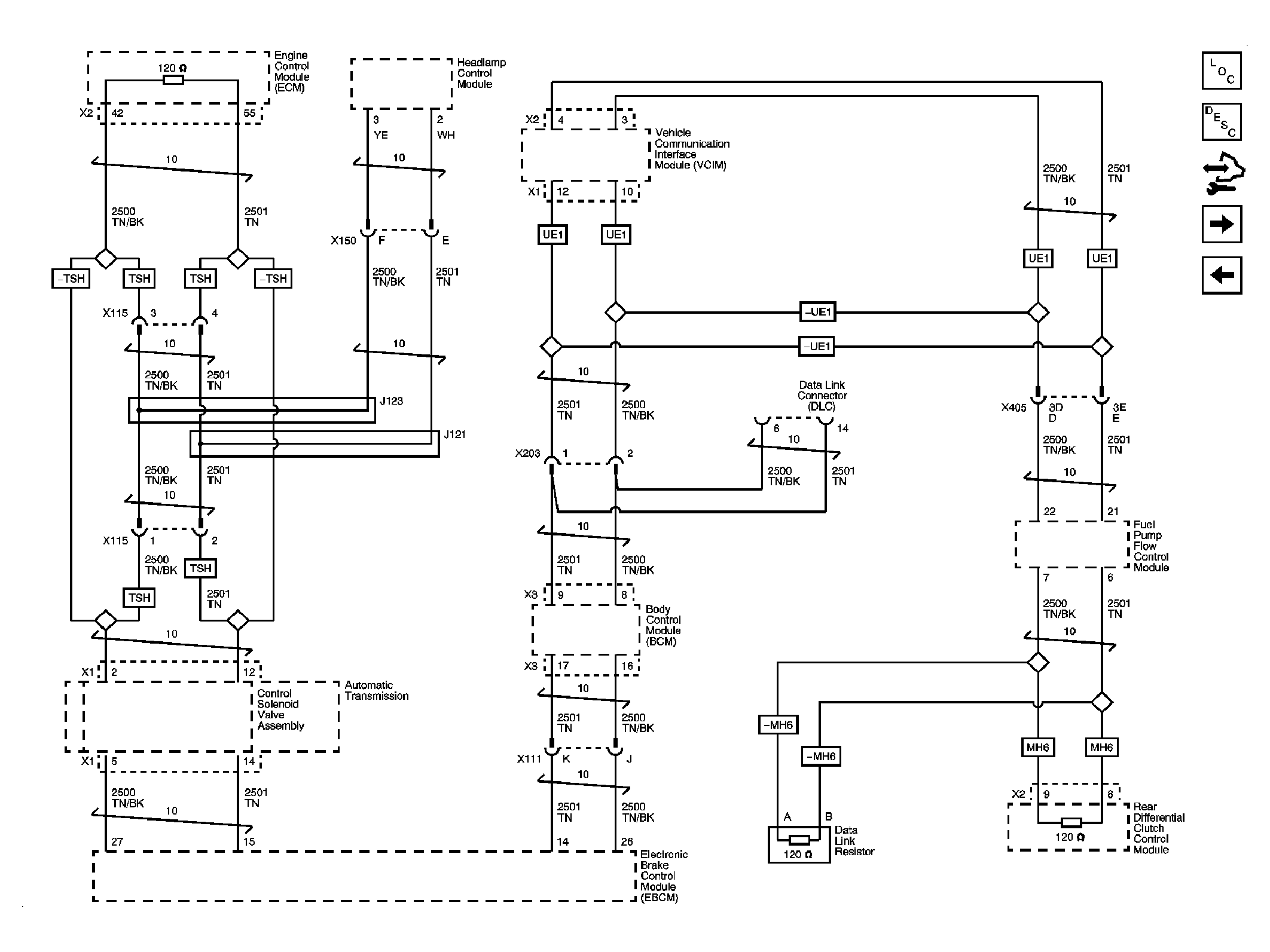
Fig 2: Data Communication Circuit Schematic - High Speed GMLAN
GM2248204Courtesy of GENERAL MOTORS CORP.
Fig 3: Communication Enable and Local Interconnect Network Circuit Schematic - (LIN)
GM2248209Courtesy of GENERAL MOTORS CORP.