LEMON Manuals: Even more car manuals for everyone: 1960-2025
Home >> Chevrolet >> 2011 >> Chevy Express H1500, Van Cargo >> Repair and Diagnosis >> Transmission >> Automatic Trans >> Shift Lock Control System >> Wiring Schematics >> Shift Lock Control Wiring Schematics >> Shift Lock Control
April 5, 2026: LEMON Manuals is launched! Read the announcement.

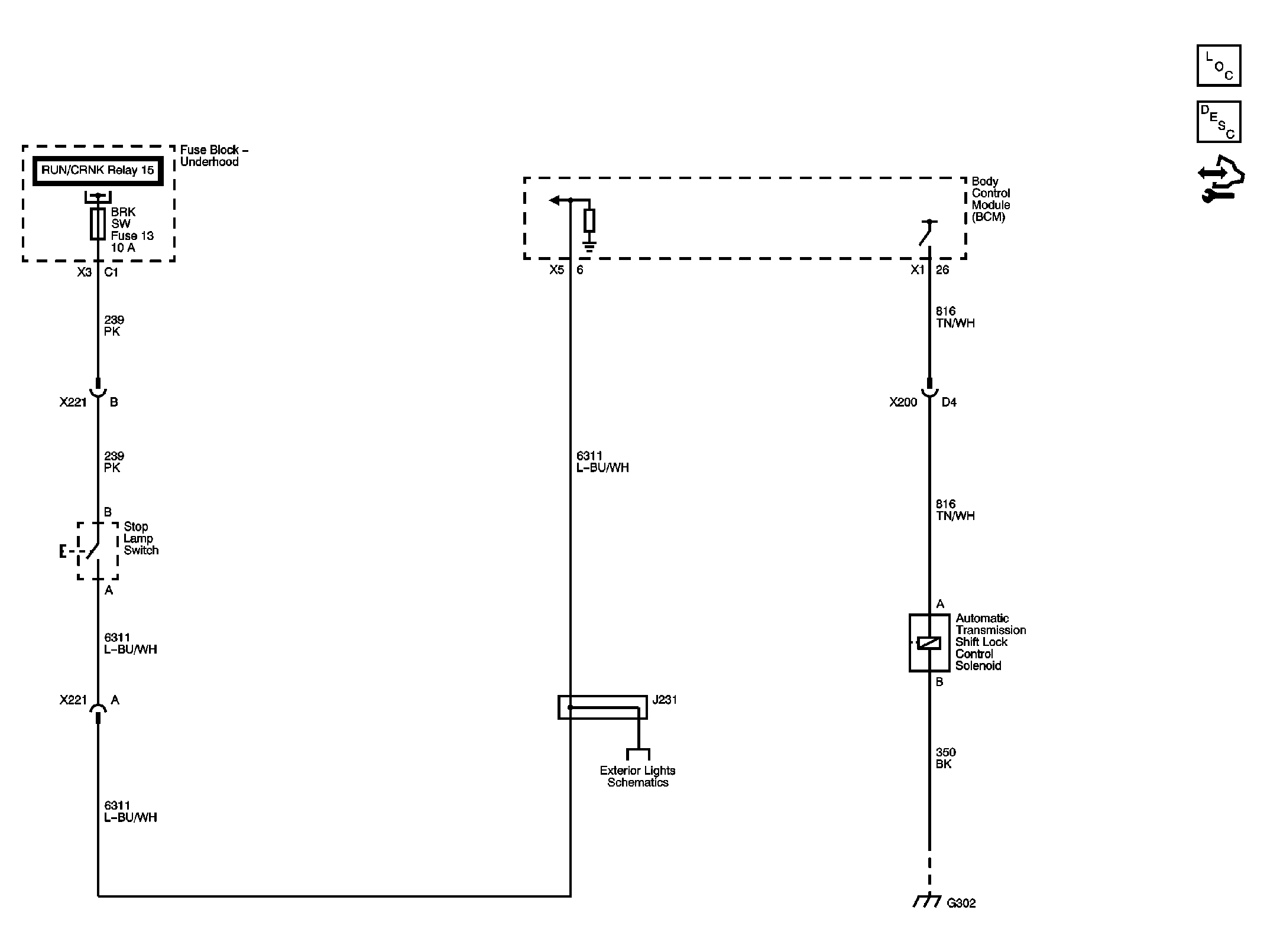
Shift Lock Control

Fig 1: Shift Lock Control Wiring Schematic
GM2475838Courtesy of GENERAL MOTORS CORP.