LEMON Manuals: Even more car manuals for everyone: 1960-2025
Home >> Chevrolet >> 2011 >> Colorado 2WD L4-2.9L >> Repair and Diagnosis >> Powertrain Management >> Computers and Control Systems >> Engine Control Module >> Locations >> Engine Compartment Components
April 5, 2026: LEMON Manuals is launched! Read the announcement.

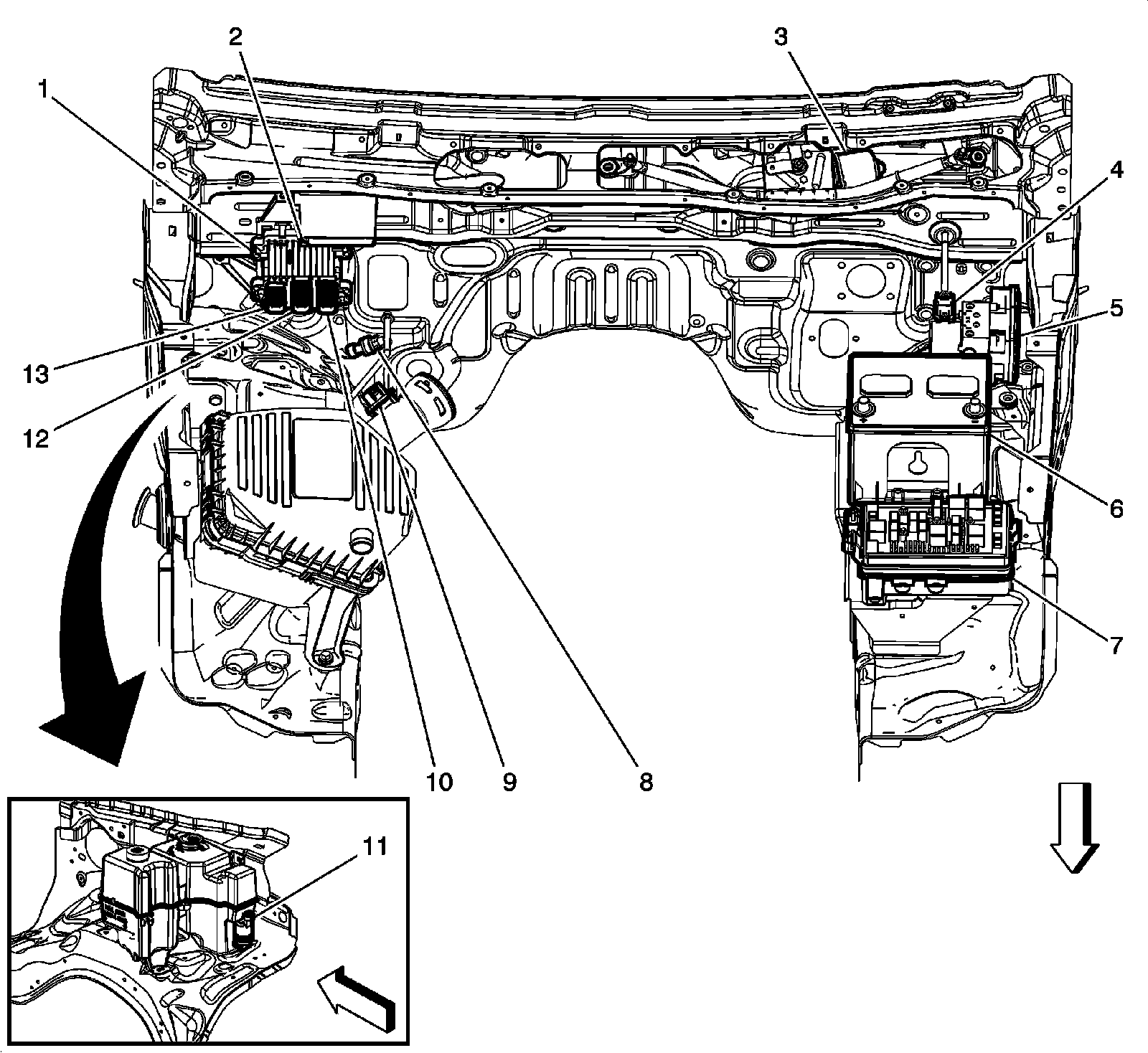
Engine Compartment Components




Front of Vehicle/Engine Compartment Component Views

Engine Compartment Components




1 - Engine Control Module (ECM)
2 - Transmission Control Module (TCM)
3 - Windshield Wiper Motor
4 - Windshield Wiper Motor Connector
5 - Electronic Brake Control Module (EBCM)
6 - Battery
7 - Fuse Block - Underhood
8 - A/C Refrigerant Pressure Sensor
9 - Mass Air Flow (MAF) and Intake Air Temperature (IAT) Sensor
10 - Engine Control Module (ECM) X3
11 - Windshield Washer Fluid Pump
12 - Engine Control Module (ECM) X2
13 - Engine Control Module (ECM) X1