LEMON Manuals: Even more car manuals for everyone: 1960-2025
Home >> Chevrolet >> 2011 >> Corvette Base, 2D Convertible, Automatic >> Repair and Diagnosis >> Accessories & Equipment >> Memory Modules >> Secondary And Configurable Customer Control System >> Wiring Schematics >> Steering Wheel Secondary/Configurable Control System Wiring Schematics
April 5, 2026: LEMON Manuals is launched! Read the announcement.

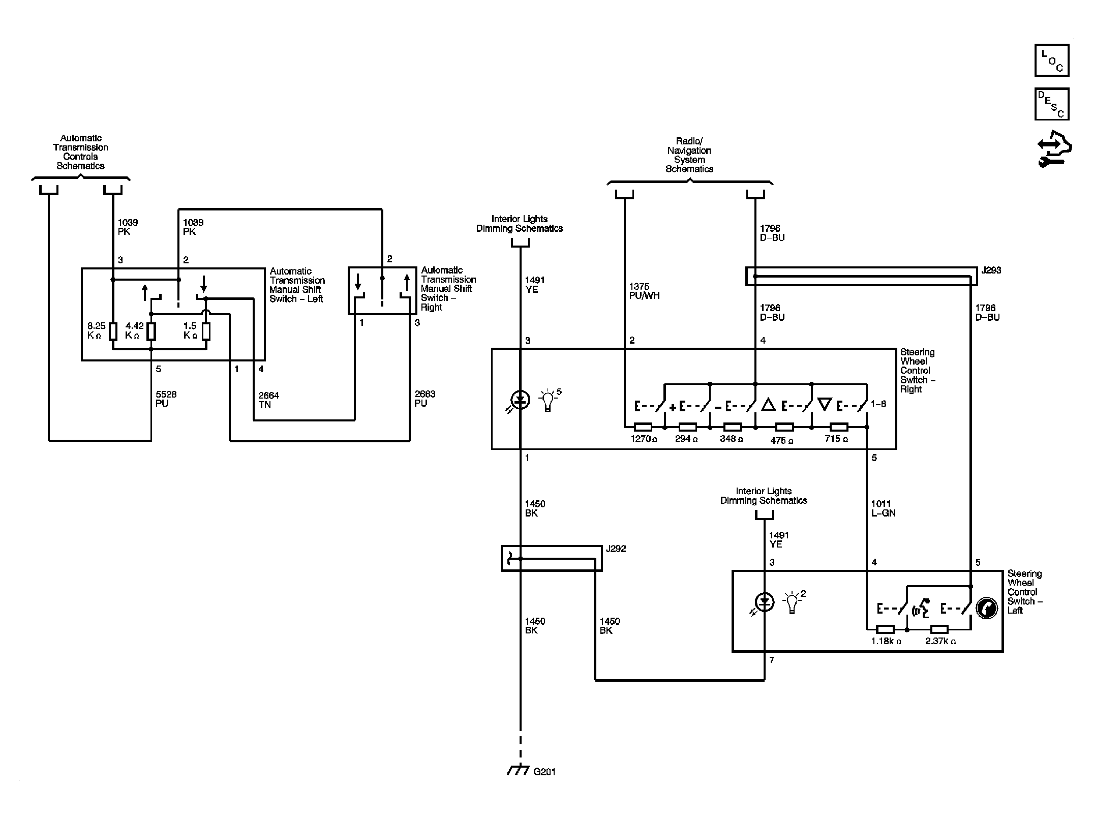
Steering Wheel Secondary/Configurable Control System Wiring Schematics

Fig 1: Steering Wheel Secondary/Configurable Customer Controls Wiring Schematic
GM2400272Courtesy of GENERAL MOTORS CORP.