LEMON Manuals: Even more car manuals for everyone: 1960-2025
Home >> Chevrolet >> 2011 >> Corvette Base, 2D Convertible, Automatic >> Repair and Diagnosis >> Engine Performance >> System >> Data Communications System >> Wiring Schematics >> Body Control System Wiring Schematics
April 5, 2026: LEMON Manuals is launched! Read the announcement.

Body Control System Wiring Schematics

Fig 1: Power, Ground and Serial Data Wiring Schematic
GM2400072Courtesy of GENERAL MOTORS CORP.
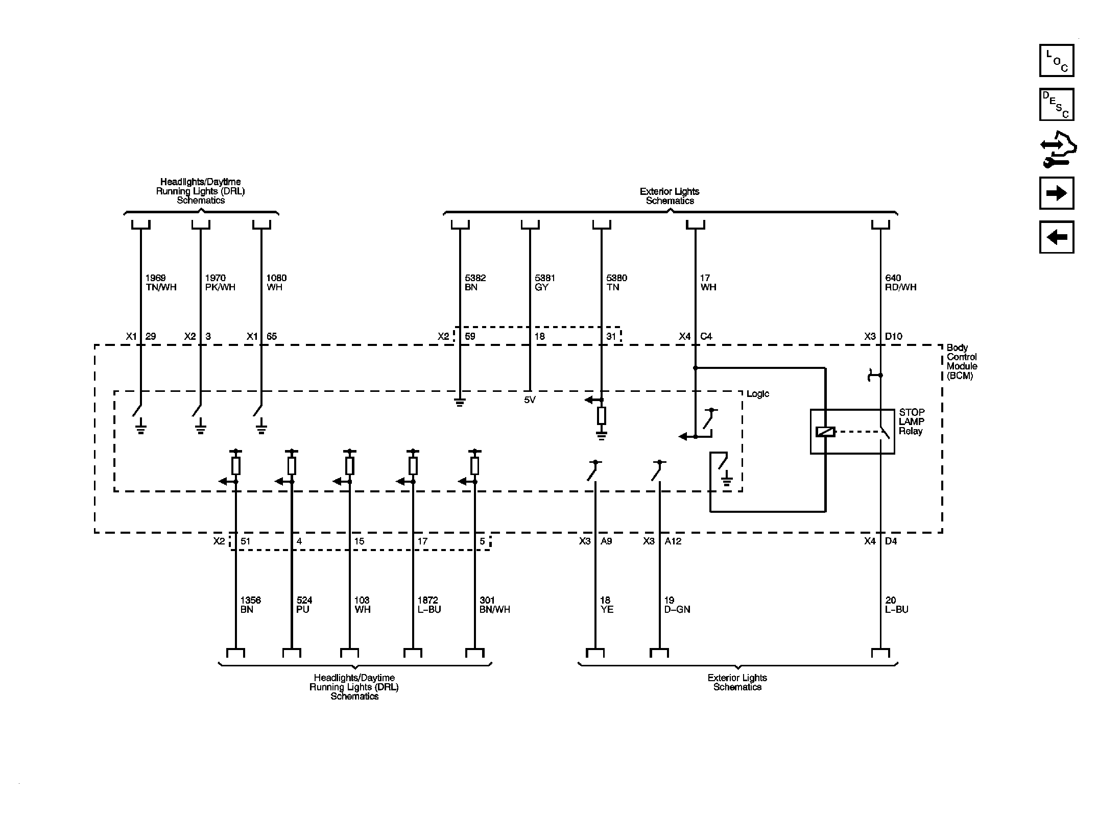
Fig 2: Lighting References (1 of 2) Wiring Schematic
GM2400073Courtesy of GENERAL MOTORS CORP.
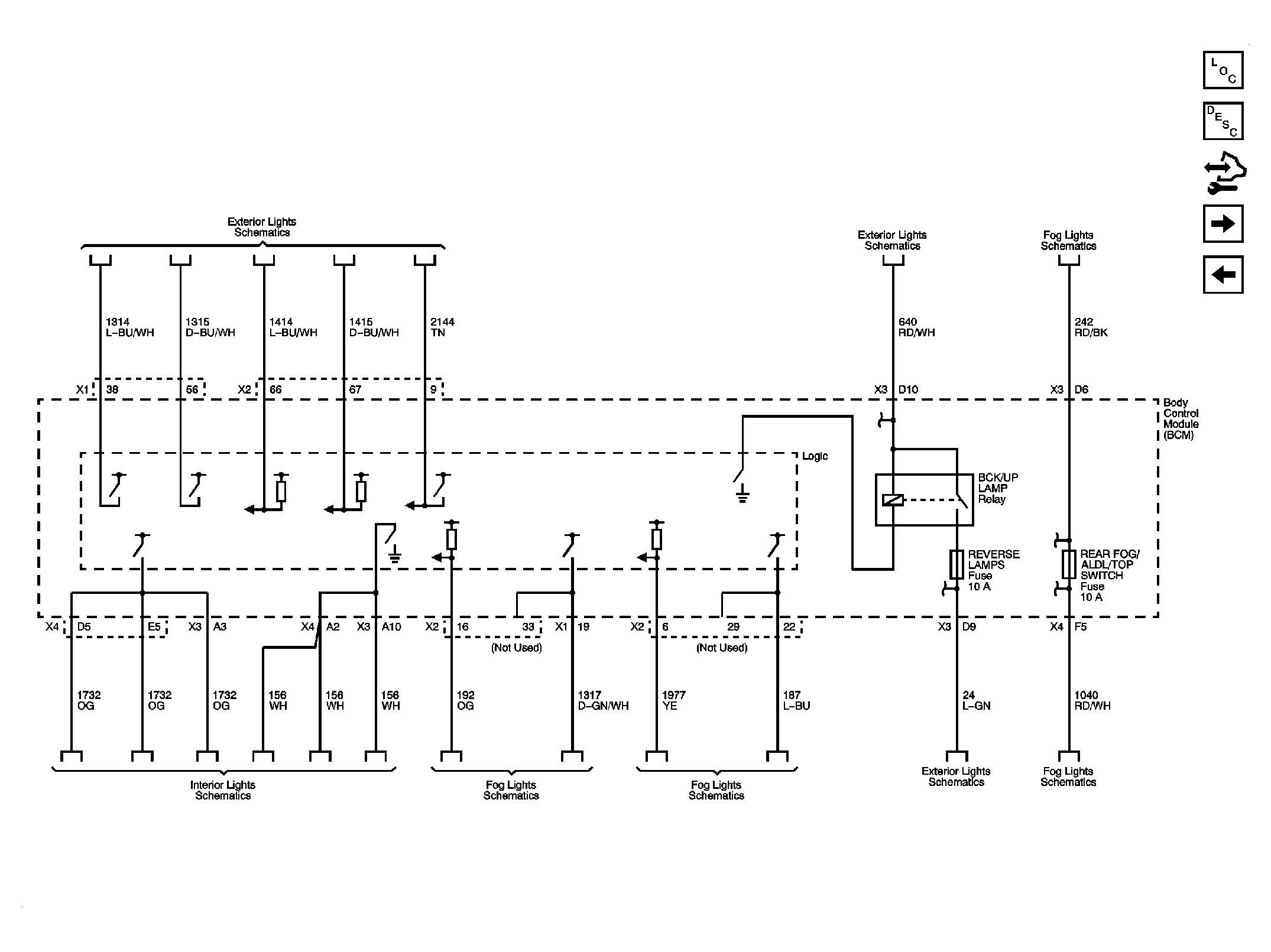
Fig 3: Lighting References (2 of 2) Wiring Schematic
GM2400084Courtesy of GENERAL MOTORS CORP.
Fig 4: Subsystem References (1 of 2) Wiring Schematic
GM2400085Courtesy of GENERAL MOTORS CORP.
Fig 5: Subsystem References (2 of 2) Wiring Schematic
GM2400086Courtesy of GENERAL MOTORS CORP.