LEMON Manuals: Even more car manuals for everyone: 1960-2025
Home >> Chevrolet >> 2011 >> Corvette Base, 2D Convertible, Standard >> Repair and Diagnosis >> Accessories & Equipment >> Infotainment >> Cellular System, Entertainment System, And Navigation System >> Wiring Schematics >> Radio/Navigation System Wiring Schematics
April 5, 2026: LEMON Manuals is launched! Read the announcement.

Radio/Navigation System Wiring Schematics

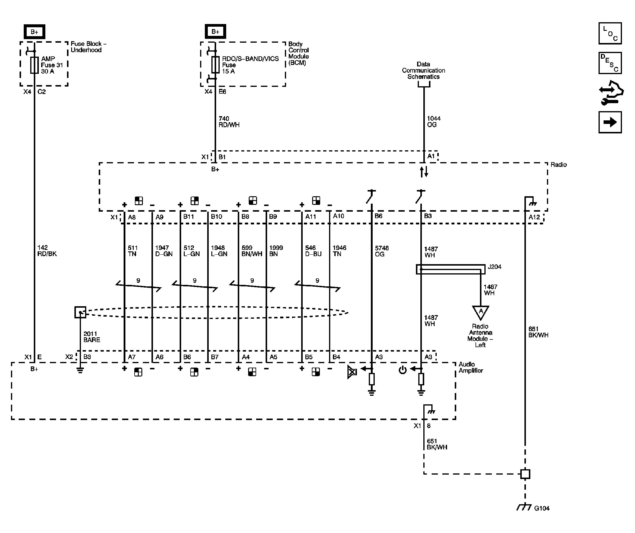
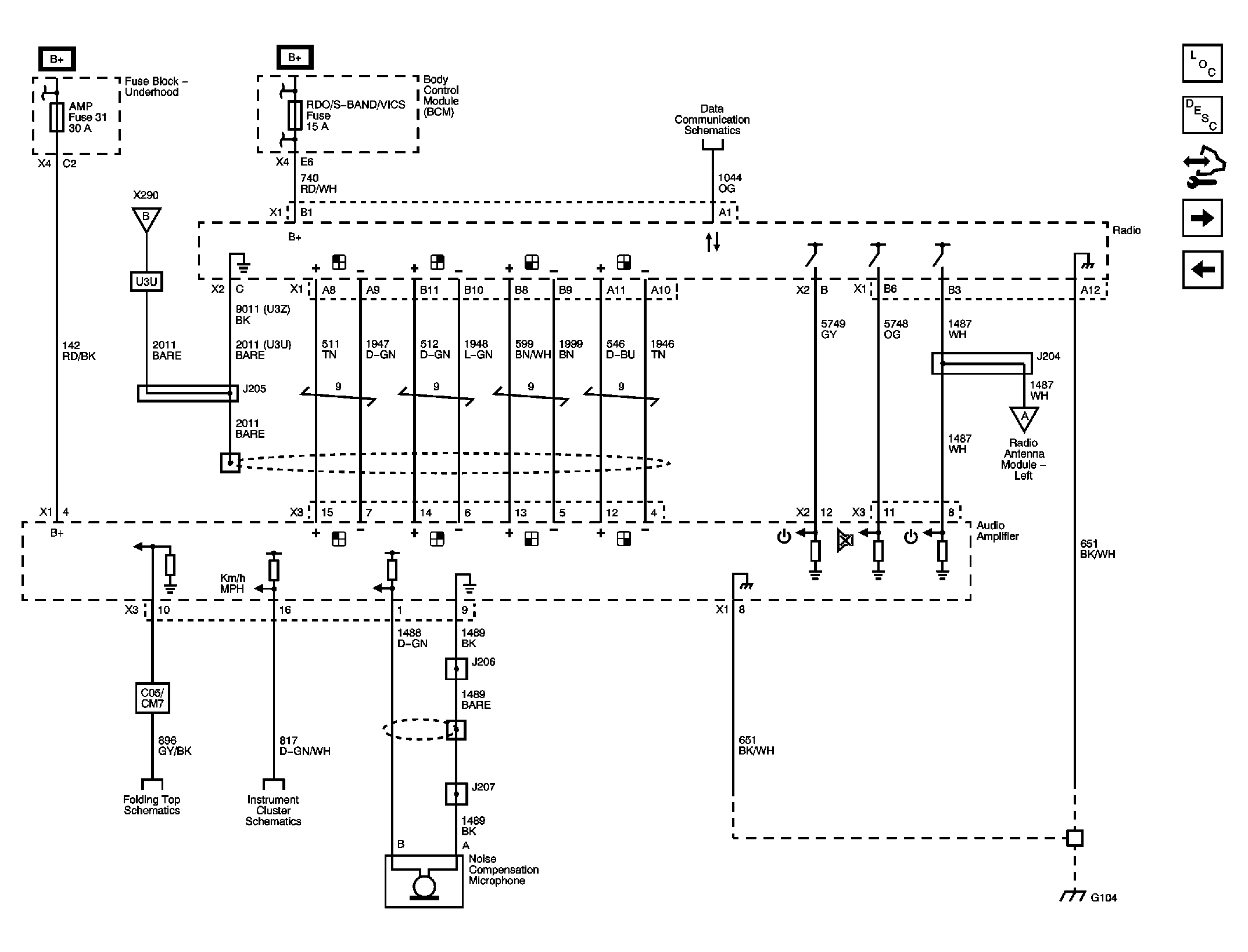
Fig 1: Power, Ground, Serial Data and Amplifier Inputs (U66) Wiring Schematic
GM2400244Courtesy of GENERAL MOTORS CORP.
Fig 2: Speakers (U66) Wiring Schematic
GM2400248Courtesy of GENERAL MOTORS CORP.
Fig 3: Power, Ground, Serial Data and Amplifier Inputs (U65) Wiring Schematic
GM2400256Courtesy of GENERAL MOTORS CORP.
Fig 4: Speakers (U65) Wiring Schematic
GM2400264Courtesy of GENERAL MOTORS CORP.
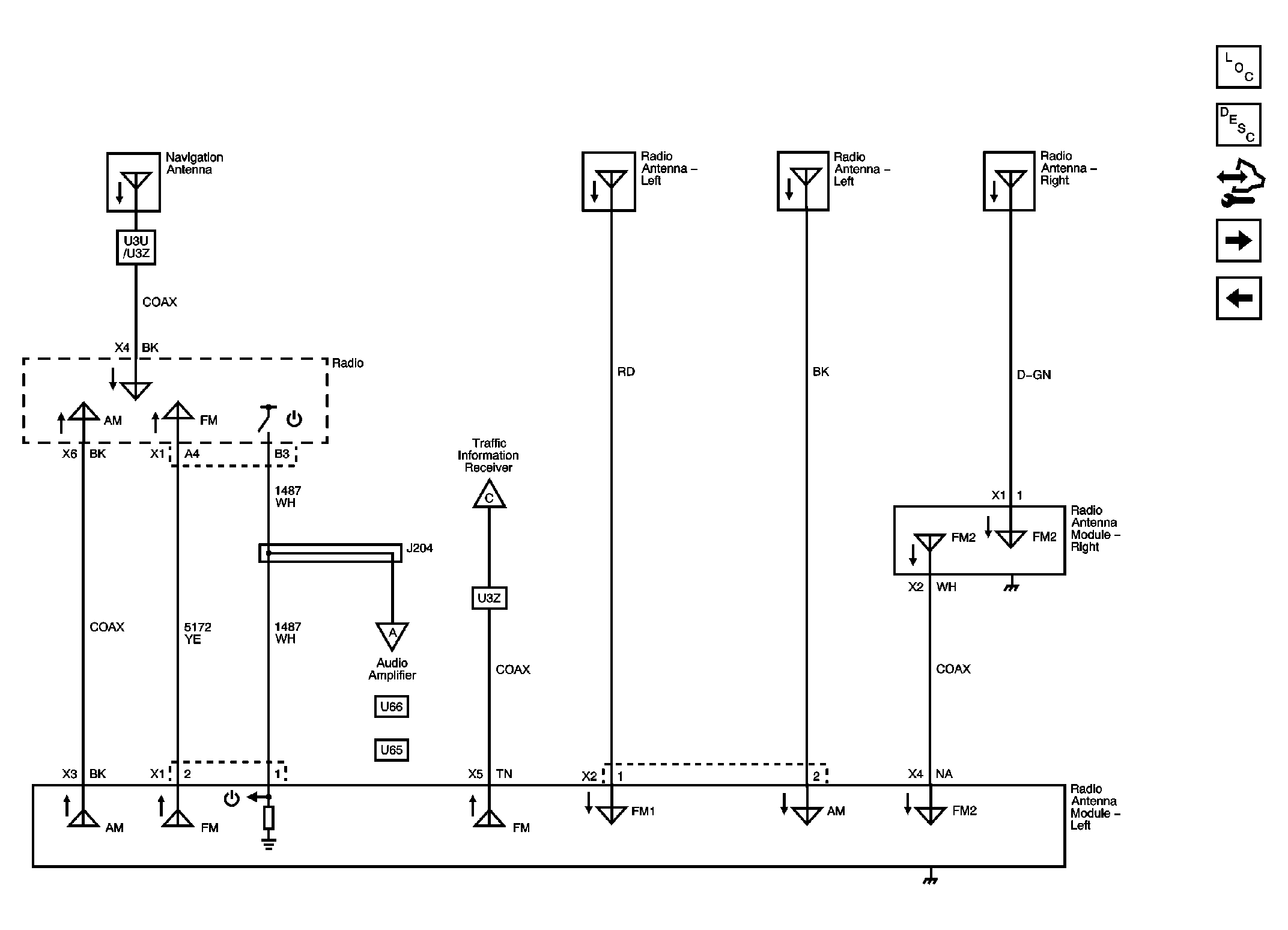
Fig 5: Antennas (except U2K) Wiring Schematic
GM2400259Courtesy of GENERAL MOTORS CORP.
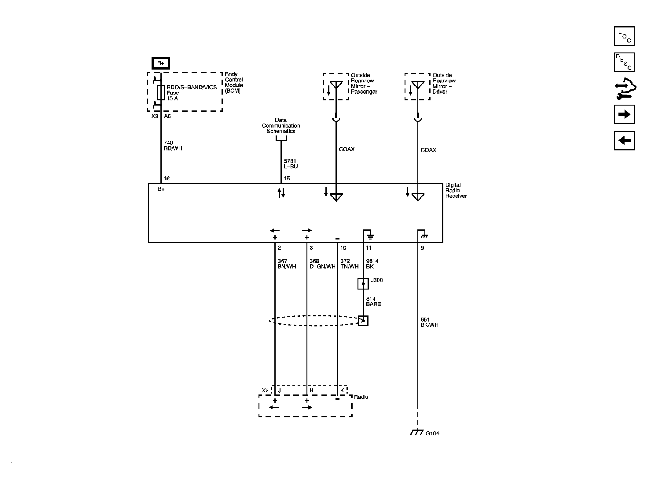
Fig 6: Satellite Radio (U2K) Wiring Schematic
GM2400262Courtesy of GENERAL MOTORS CORP.
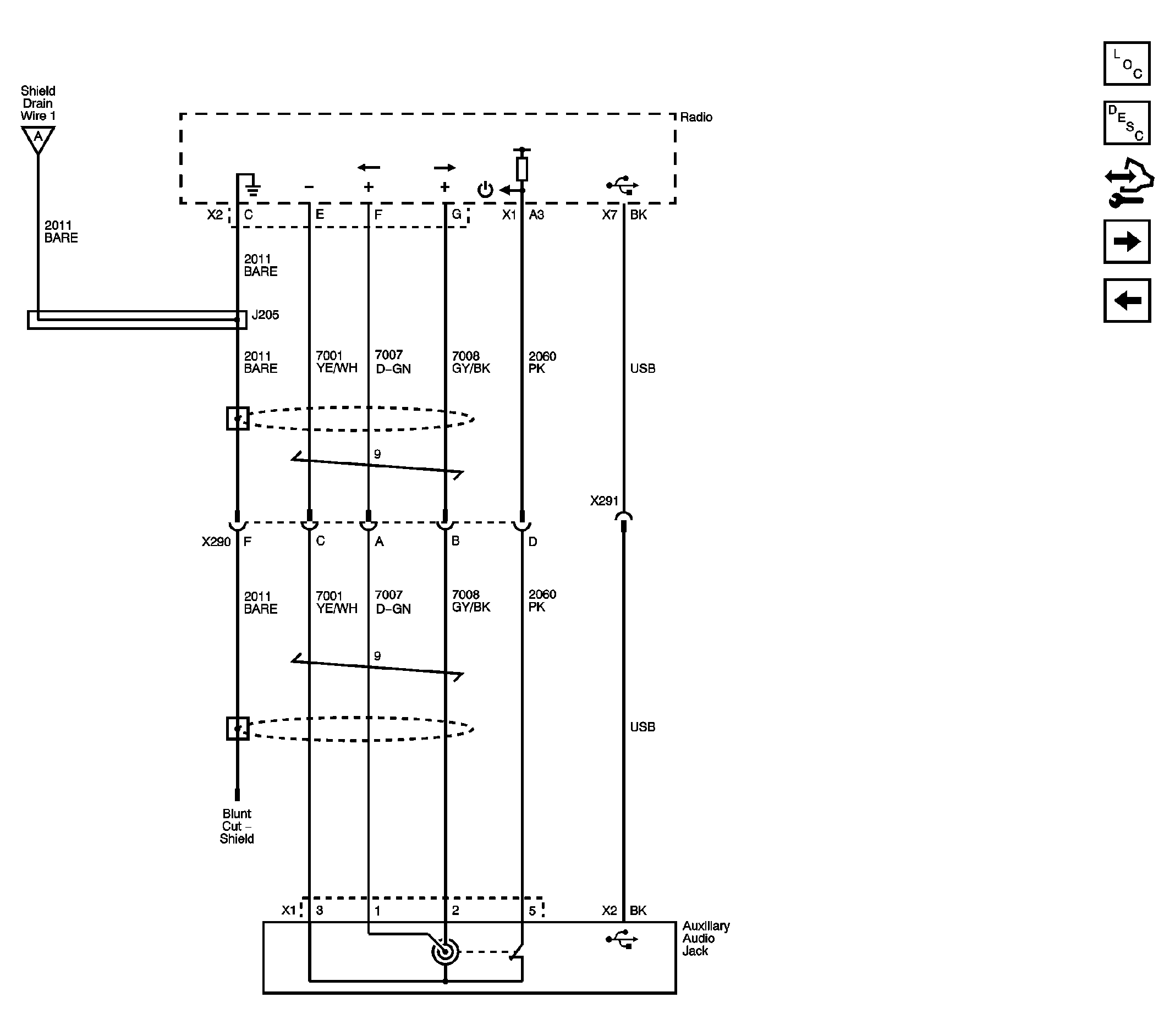
Fig 7: Auxiliary Audio Jack (U3U) Wiring Schematic
GM2493753Courtesy of GENERAL MOTORS CORP.
Fig 8: Steering Wheel Controls (UK3) Wiring Schematic
GM2400266Courtesy of GENERAL MOTORS CORP.
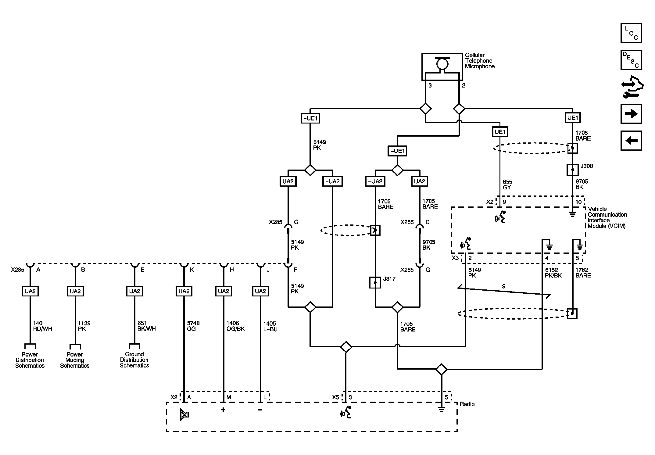
Fig 9: Voice Recognition (U3U and U3Z) and Telephone Provisions (UA2) Wiring Schematic
GM2400267Courtesy of GENERAL MOTORS CORP.
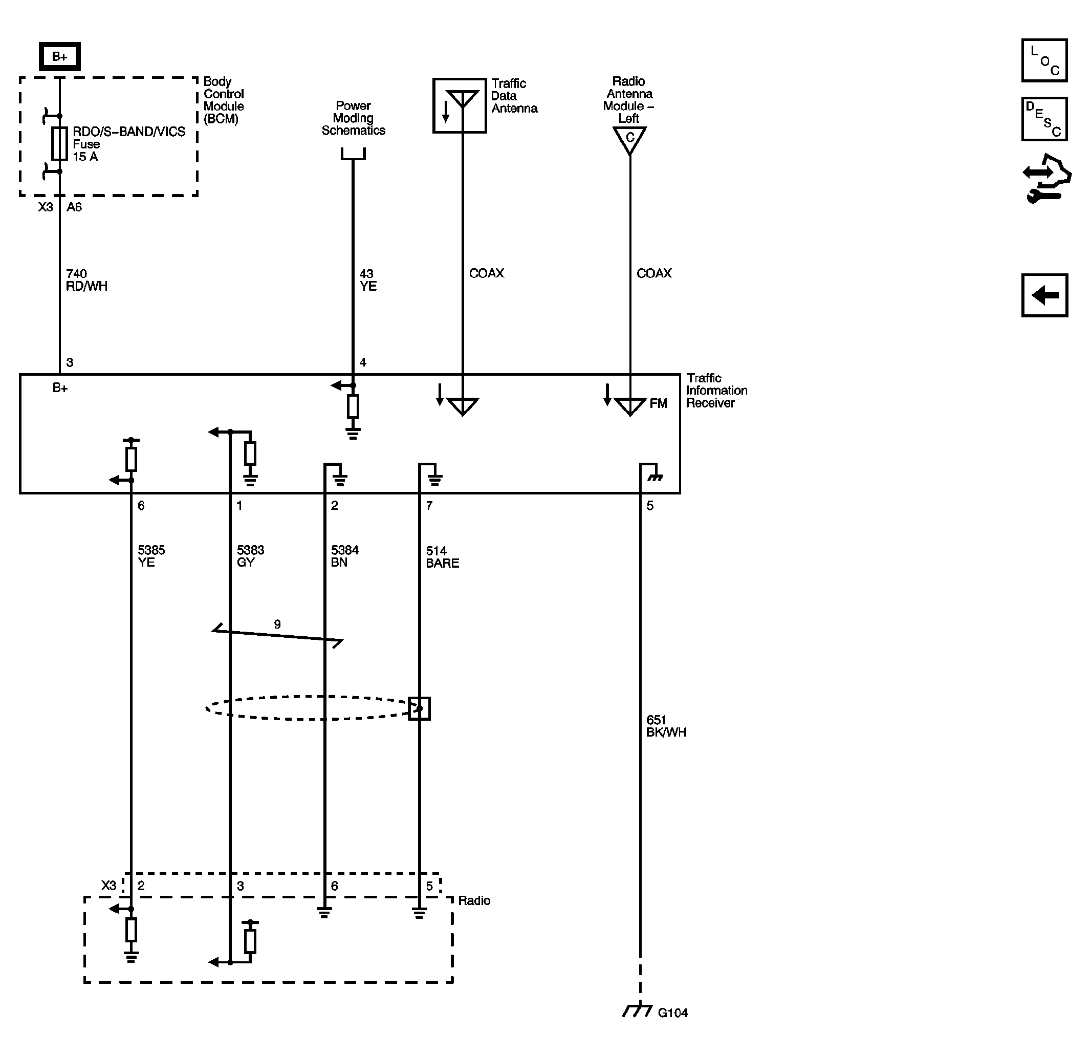
Fig 10: Navigation with Traffic Information (U3Z) Wiring Schematic
GM2400268Courtesy of GENERAL MOTORS CORP.