LEMON Manuals: Even more car manuals for everyone: 1960-2025
Home >> Chevrolet >> 2011 >> Impala LTZ >> Repair and Diagnosis >> External Pages >> Different car >> Section 1084 (Cellular Systems, Entertainment Systems And Navigation Systems) >> Schematic and Routing Diagrams >> Radio/Navigation System Schematics
April 5, 2026: LEMON Manuals is launched! Read the announcement.

Radio/Navigation System Schematics

WARNING: This page is about a different car, the 2010 Chevrolet Impala. However, it is still accessible from the selected car via links, so may be relevant.
Fig 1: Power, Ground, and References
GM2080670Courtesy of GENERAL MOTORS CORP.
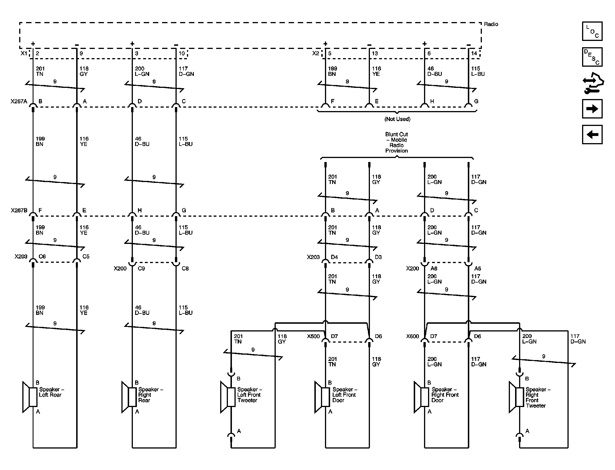
Fig 2: Radio to Speakers - UW6
GM2227885Courtesy of GENERAL MOTORS CORP.
Fig 3: Audio Signal Communications - UQ3
GM2227891Courtesy of GENERAL MOTORS CORP.
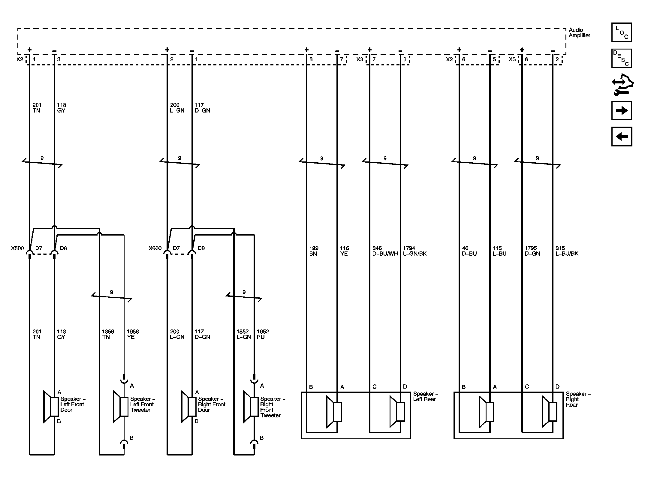
Fig 4: Audio Amplifier to Speakers - UQ3
GM2227897Courtesy of GENERAL MOTORS CORP.
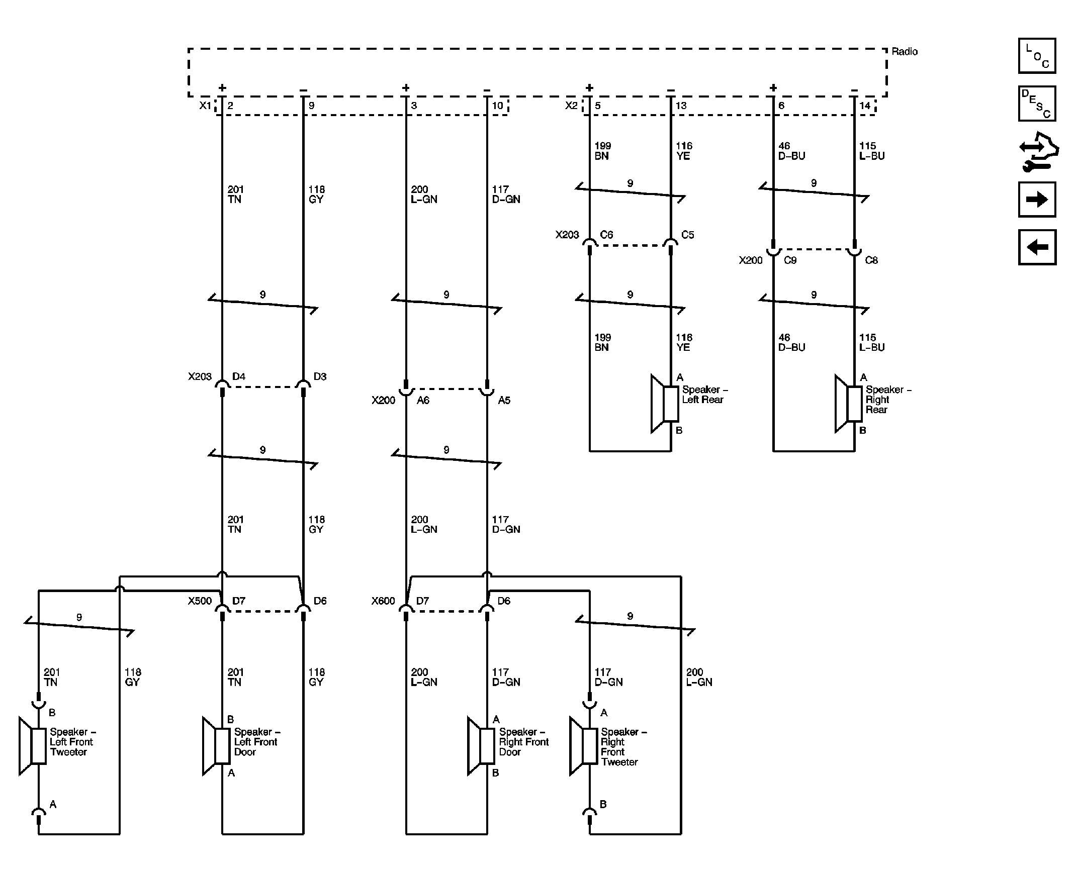
Fig 5: Radio to Speakers - 9C1/9C3 w/o WX7
GM2227901Courtesy of GENERAL MOTORS CORP.
Fig 6: Radio to Speakers - 9C1/9C3 and WX7
GM2227907Courtesy of GENERAL MOTORS CORP.
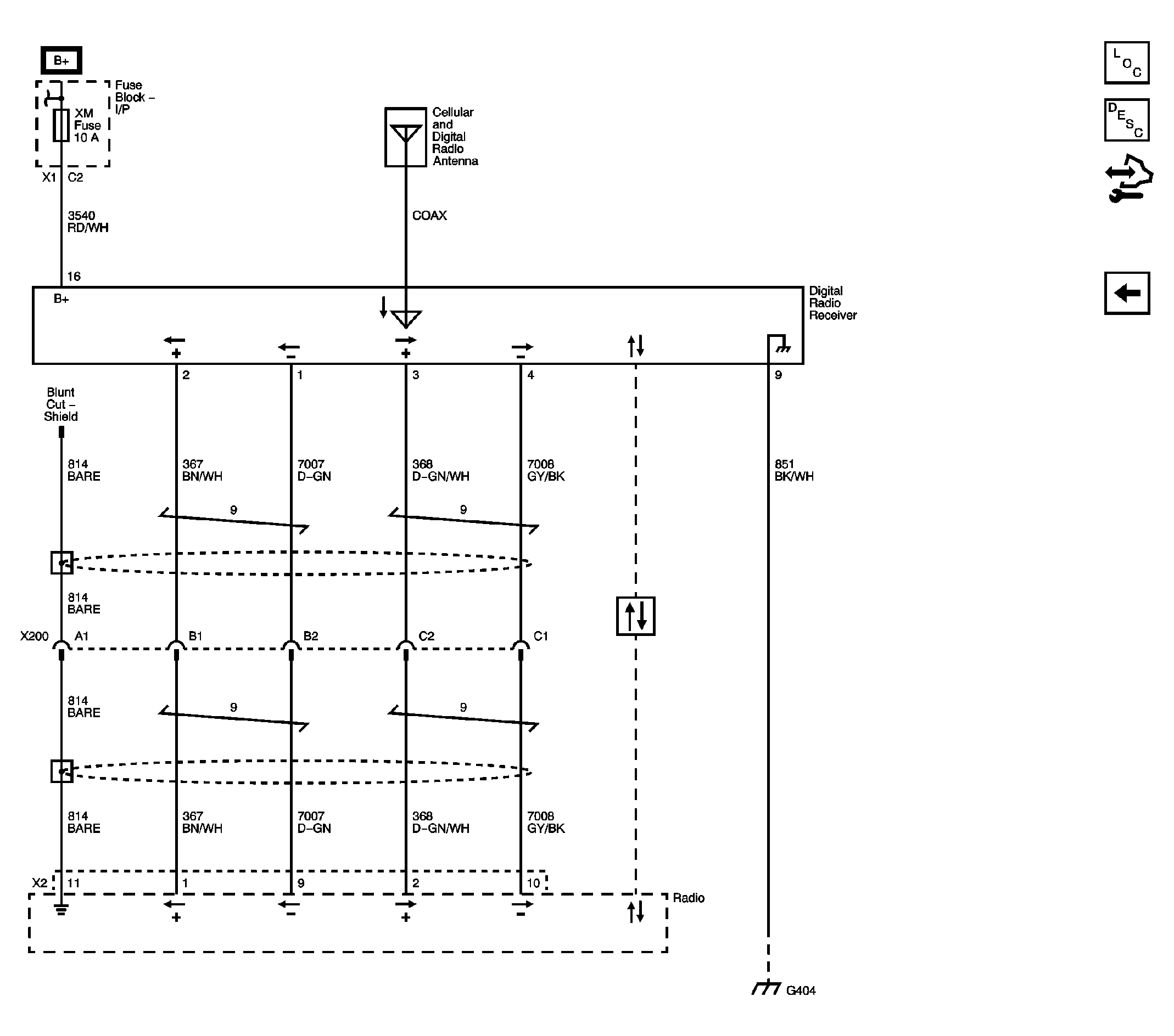
Fig 7: Satellite Radio - U2K
GM2227912Courtesy of GENERAL MOTORS CORP.