LEMON Manuals: Even more car manuals for everyone: 1960-2025
Home >> Chevrolet >> 2011 >> Traverse LS, AWD >> Repair and Diagnosis >> External Pages >> Different car >> Section 24 (Keyless Entry System And Remote Functions) >> Schematic and Routing Diagrams >> Remote Function Schematics
April 5, 2026: LEMON Manuals is launched! Read the announcement.

Remote Function Schematics

WARNING: This page is about a different car, the 2010 Cadillac SRX. However, it is still accessible from the selected car via links, so may be relevant.
Fig 1: Garage Door Opener Circuit Schematic (GDO)
GM2246986Courtesy of GENERAL MOTORS CORP.
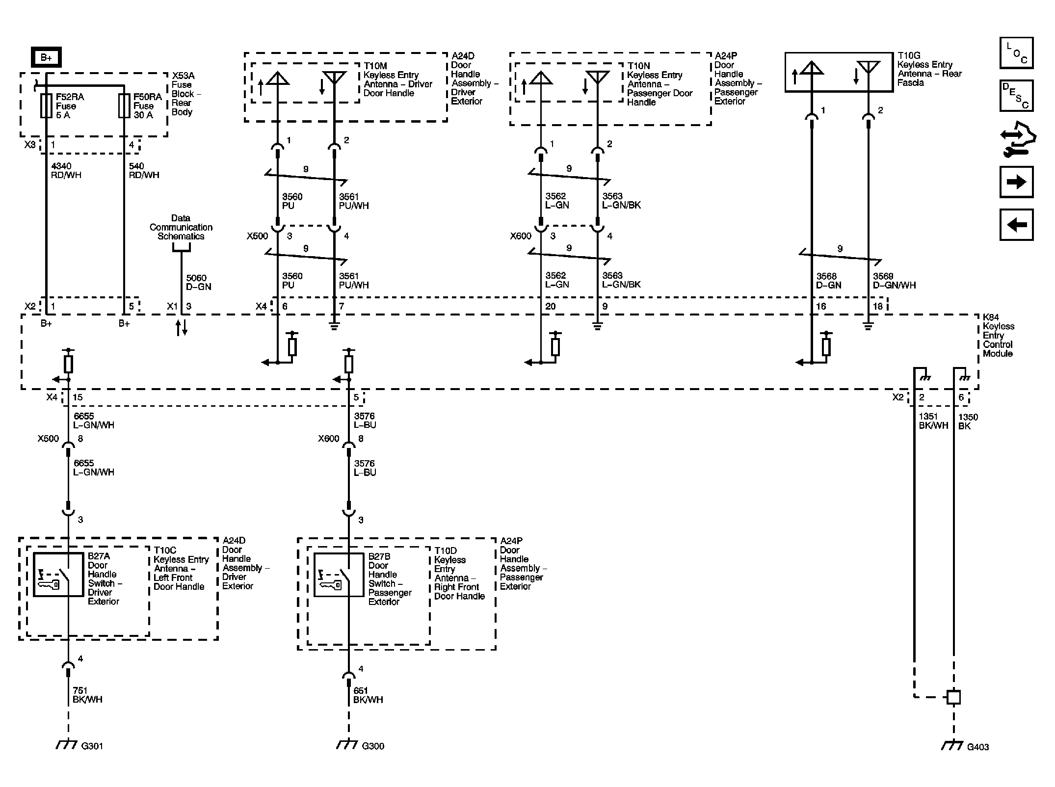
Fig 2: Passive Entry Circuit Schematic (ATH - 1 Of 2)
GM2246989Courtesy of GENERAL MOTORS CORP.
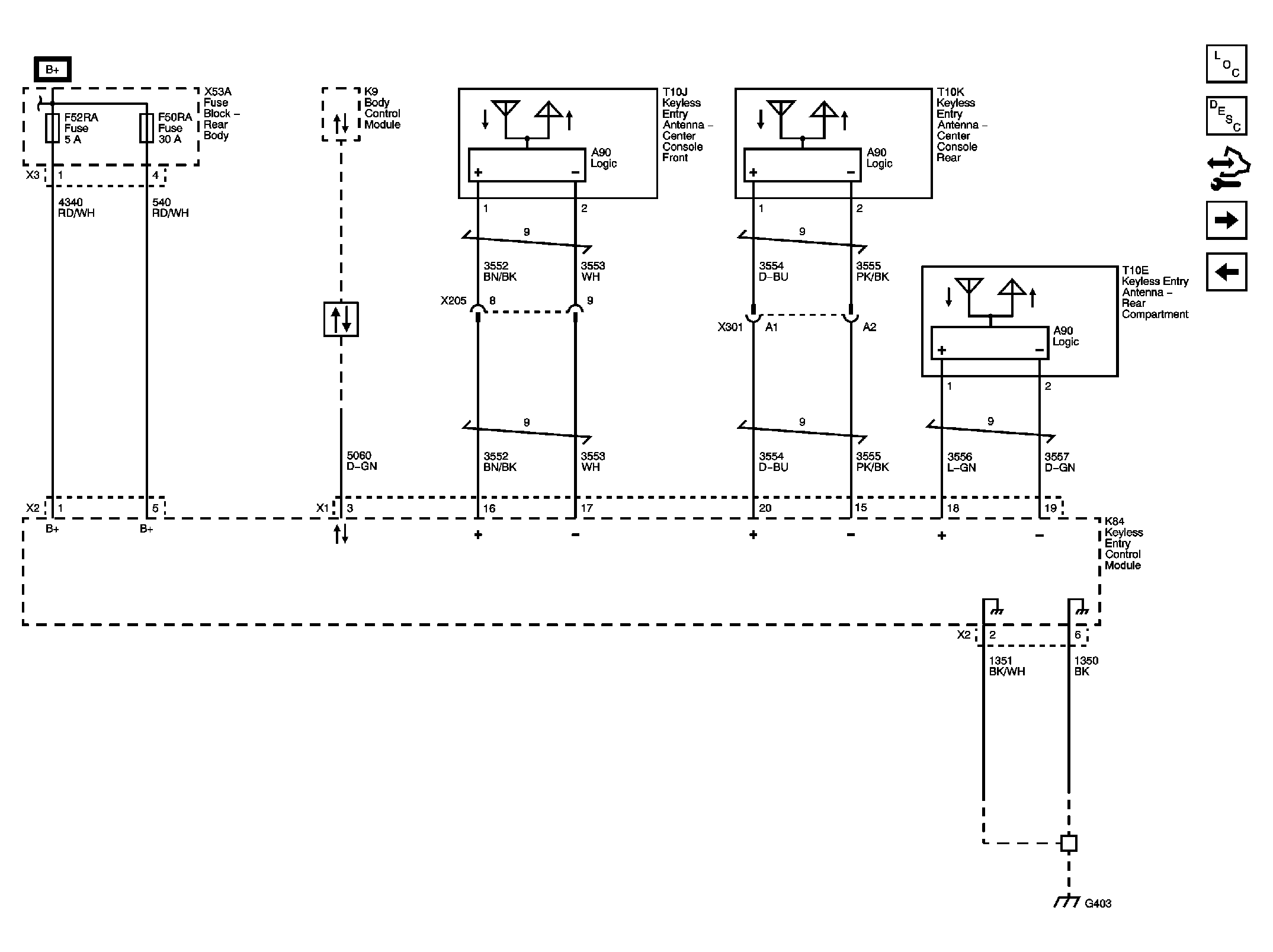
Fig 3: Passive EntryCircuit Schematic (ATH - 2 Of 2)
GM2382442Courtesy of GENERAL MOTORS CORP.
Fig 4: Passive Start Circuit Schematic
GM2246992Courtesy of GENERAL MOTORS CORP.
Fig 5: Remote Keyless Entry Circuit Schematic (RKE) Without ATH
GM2246988Courtesy of GENERAL MOTORS CORP.