LEMON Manuals: Even more car manuals for everyone: 1960-2025
Home >> Chevrolet >> 2011 >> Volt >> Repair and Diagnosis >> Accessories & Equipment >> Drivers Assistance Systems - ADAS >> Object Detection System - Park Assist System >> Wiring Schematics >> Object Detection Wiring Schematics
April 5, 2026: LEMON Manuals is launched! Read the announcement.

Object Detection Wiring Schematics

Fig 1: Front Park Assist Wiring Schematic
GM2489895Courtesy of GENERAL MOTORS CORP.
Fig 2: Rear Park Assist Wiring Schematic
GM2489896Courtesy of GENERAL MOTORS CORP.
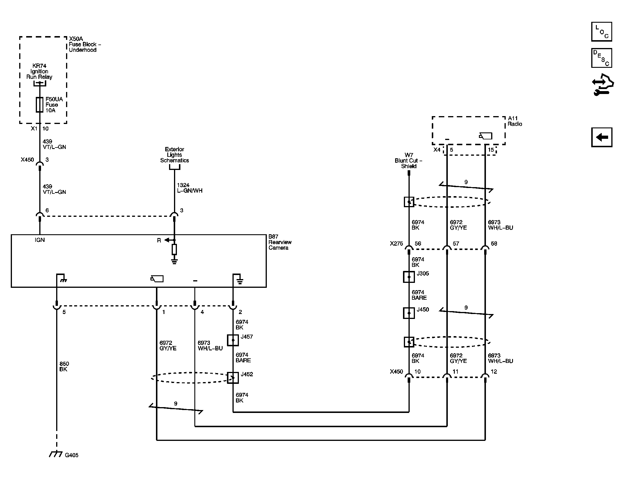
Fig 3: Rearview Camera Wiring Schematic
GM2489897Courtesy of GENERAL MOTORS CORP.