LEMON Manuals: Even more car manuals for everyone: 1960-2025
Home >> Chevrolet >> 2011 >> Volt >> Repair and Diagnosis >> Electrical >> Charging Systems >> Battery, Charging System And Starting System >> Repair Instructions >> Battery Replacement >> Connect Procedure
April 5, 2026: LEMON Manuals is launched! Read the announcement.

Connect Procedure

    Fig 1: Battery
    GM2392646Courtesy of GENERAL MOTORS CORP.
    WARNING: Refer to Battery Disconnect Warning .
    NOTE: Clean any existing corrosion from the battery terminal and the battery cable end.
  1. Position the battery (1) onto the tray with the posts towards the rear of the vehicle.
  2. Fig 2: Battery Retainer Bolt
    GM2392640Courtesy of GENERAL MOTORS CORP.
  3. Install the battery hold down retainer (3) and hold down strap (2).
  4. CAUTION: Refer to Fastener Caution .
  5. Tighten the battery retainer bolt (1) to 9 N.m (80 lb in).
  6. Fig 3: Battery Positive Clamp Nut And Fuse Block
    GM2392637Courtesy of GENERAL MOTORS CORP.
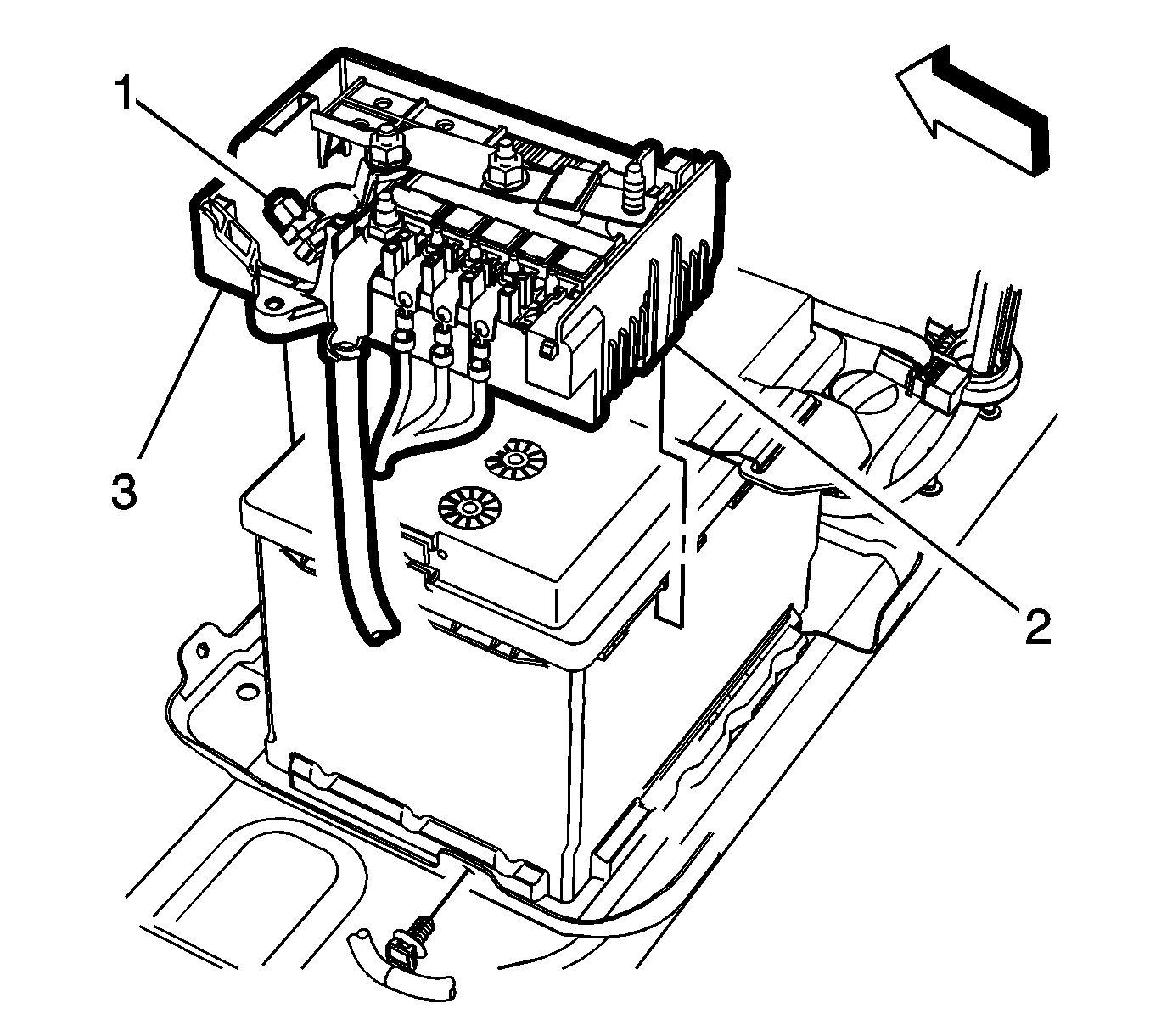
  7. Install the fuse block (3) to the top of the battery with tabs (2).
  8. Slide the battery clamp (1) onto the battery post and tighten the nut (1) to 9 N.m (80 lb in).
  9. Fig 4: Battery Positive Cable To Fuse Block Nut
    GM2392649Courtesy of GENERAL MOTORS CORP.
  10. Install the battery positive terminal (2) to the fuse block and tighten nut (1) to 9 N.m (80 lb in).
  11. Connect the negative battery cable. Refer to Battery Negative Cable Disconnection and Connection .
  12. Install the rear compartment floor stowage trim compartment. Refer to Rear Compartment Floor Stowage Trim Compartment Replacement