LEMON Manuals: Even more car manuals for everyone: 1960-2025
Home >> Chevrolet >> 2012 >> Camaro LS, Automatic Trans >> Repair and Diagnosis (Single Page) >> Accessories & Equipment >> Drivers Assistance Systems - ADAS >> Object Detection System - Park Assist System >> Wiring Schematics >> Object Detection Wiring Schematics >> UVC
April 5, 2026: LEMON Manuals is launched! Read the announcement.

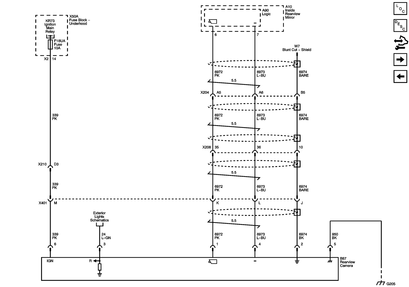
Object Detection Wiring Schematics: UVC

Fig 1: UVC Wiring Schematic
GM2714202Courtesy of GENERAL MOTORS COMPANY