LEMON Manuals: Even more car manuals for everyone: 1960-2025
Home >> Chevrolet >> 2012 >> Camaro LS, Automatic Trans >> Repair and Diagnosis >> Body & Frame >> Door Locks >> Keyless Entry System And Remote Functions >> Wiring Schematics >> Remote Function Wiring Schematics >> Keyless Entry
April 5, 2026: LEMON Manuals is launched! Read the announcement.

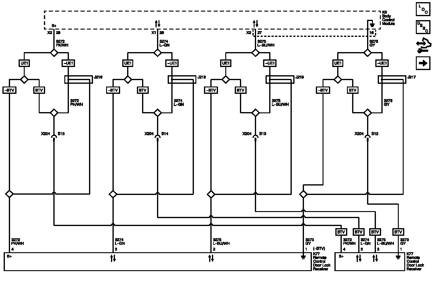
Keyless Entry

Fig 1: Keyless Entry Wiring Schematic
GM2626459Courtesy of GENERAL MOTORS COMPANY