LEMON Manuals: Even more car manuals for everyone: 1960-2025
Home >> Chevrolet >> 2012 >> Chevy Express H1500, Van Cargo >> Repair and Diagnosis >> Engine Performance >> System >> Data Communications System >> Wiring Schematics >> Data Communications System Wiring Schematics >> Communications Enable
April 5, 2026: LEMON Manuals is launched! Read the announcement.

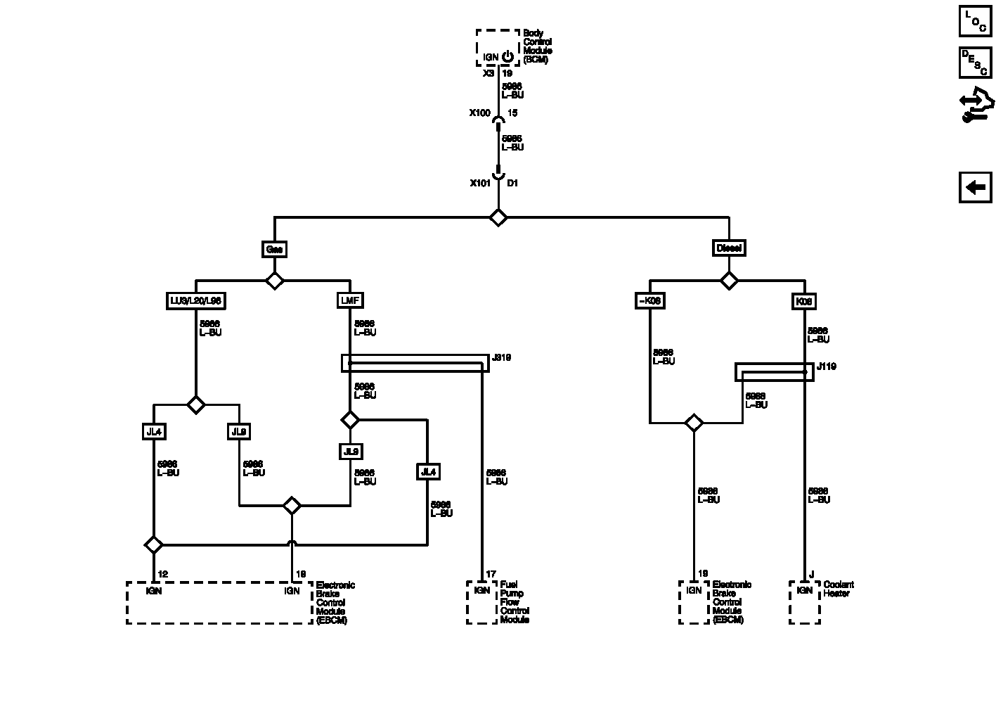
Communications Enable

Fig 1: Communications Enable Wiring Schematic
GM2633039Courtesy of GENERAL MOTORS COMPANY