LEMON Manuals: Even more car manuals for everyone: 1960-2025
Home >> Chevrolet >> 2012 >> Corvette Base, 2D Convertible, Automatic Trans >> Repair and Diagnosis (Single Page) >> Accessories & Equipment >> Wiper/Washer Systems >> Wiper System And Washer System >> Repair Instructions >> Windshield Wiper System Module Replacement
April 5, 2026: LEMON Manuals is launched! Read the announcement.

Windshield Wiper System Module Replacement

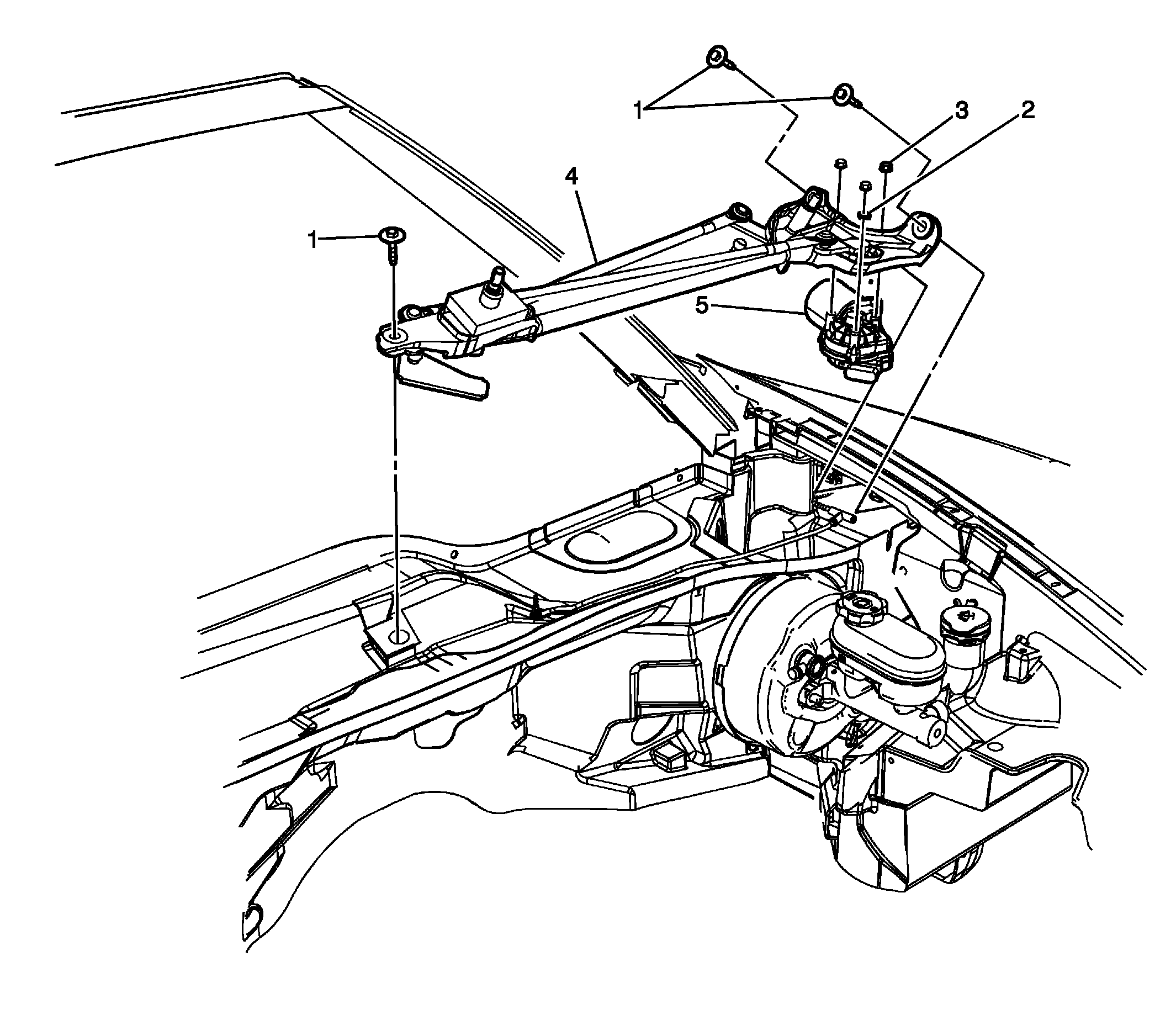
Fig 1: Wiper Motor & Wiper System Module
GM1501292Courtesy of GENERAL MOTORS COMPANY
Windshield Wiper System Module Replacement

Callout Component Name

Preliminary Procedures

  1. Remove the wiper arms. Refer to Windshield Wiper Arm Replacement .
  2. Remove the air inlet grille panel. Refer to Air Inlet Grille Panel Replacement .
1 Wiper System Module Bolts (Qty: 3)
CAUTION:

Refer to Fastener Caution .


Tighten 
10 N.m (89 lb in)
2 Wiper System Module Nut
Tighten 
10 N.m (89 lb in)
3 Wiper Motor Nut (Qty: 3)
Tighten 
10 N.m (89 lb in)
4 Wiper Drive System Module
5 Wiper Motor
TIP:  Disconnect the electrical connector.