LEMON Manuals: Even more car manuals for everyone: 1960-2025
Home >> Chevrolet >> 2012 >> Cruze LS, Automatic Trans >> Repair and Diagnosis >> External Pages >> Different car >> Section 253 (Cellular System, Entertainment System, And Navigation System) >> Wiring Schematics >> Radio/Navigation System Schematics
April 5, 2026: LEMON Manuals is launched! Read the announcement.

Radio/Navigation System Schematics

WARNING: This page is about a different car, the 2011 Chevrolet Cruze. However, it is still accessible from the selected car via links, so may be relevant.
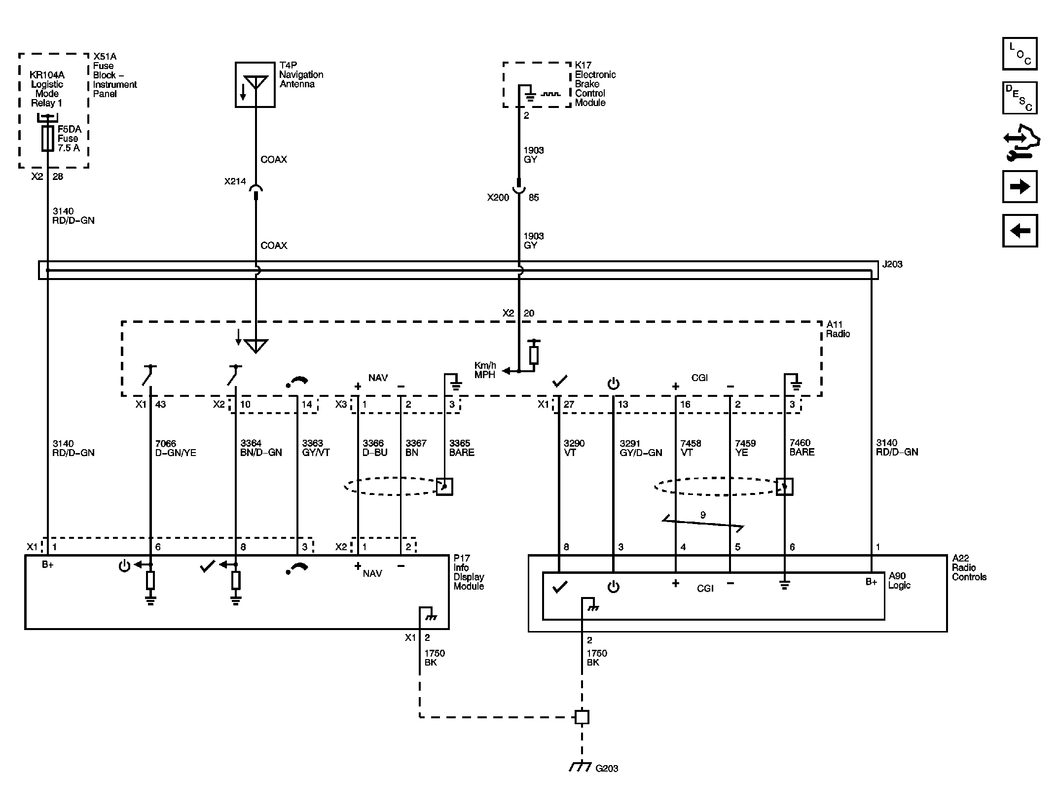
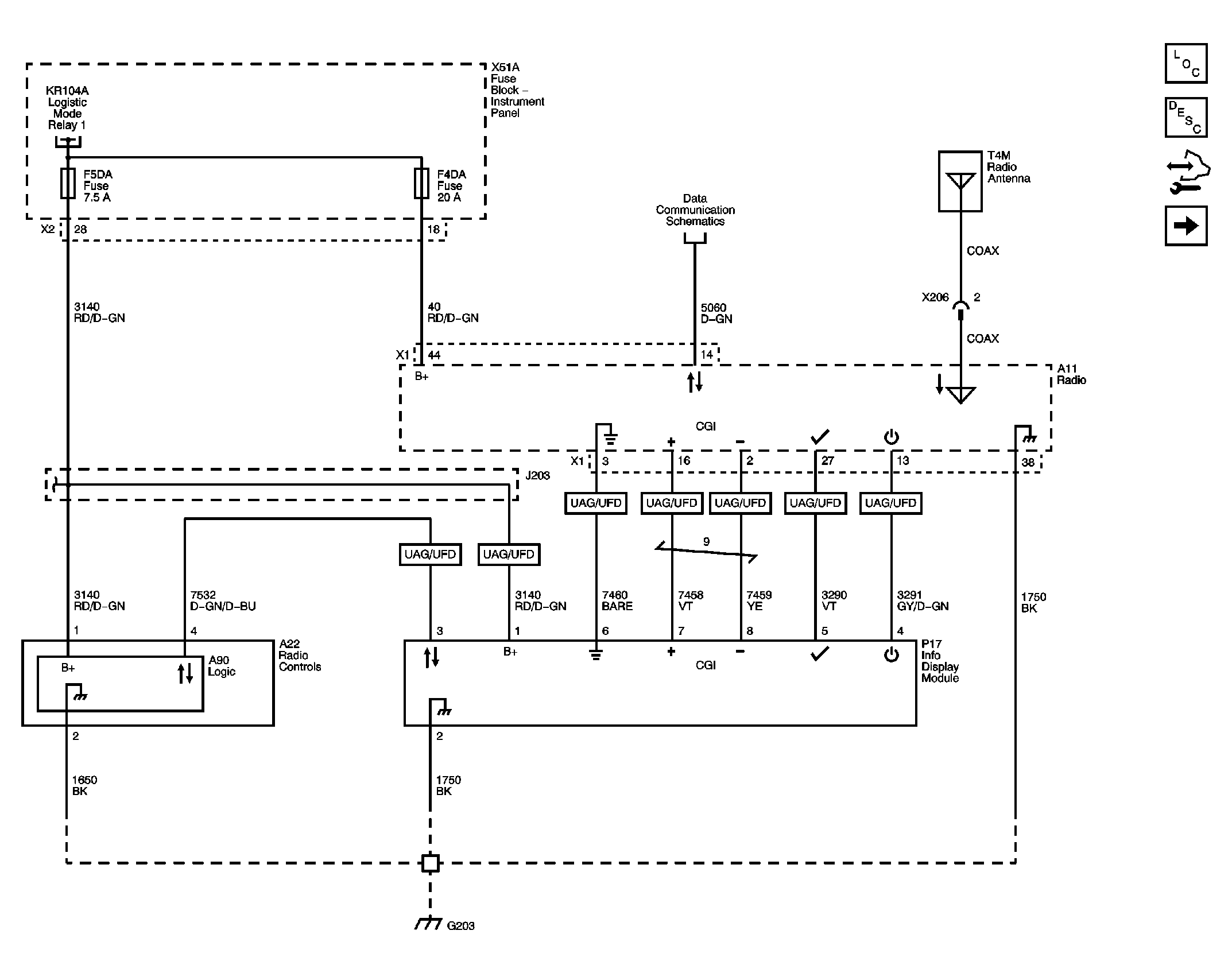
Fig 1: Power, Ground, Serial Data, Antenna, and Display Wiring Schematic
GM2458130Courtesy of GENERAL MOTORS CORP.
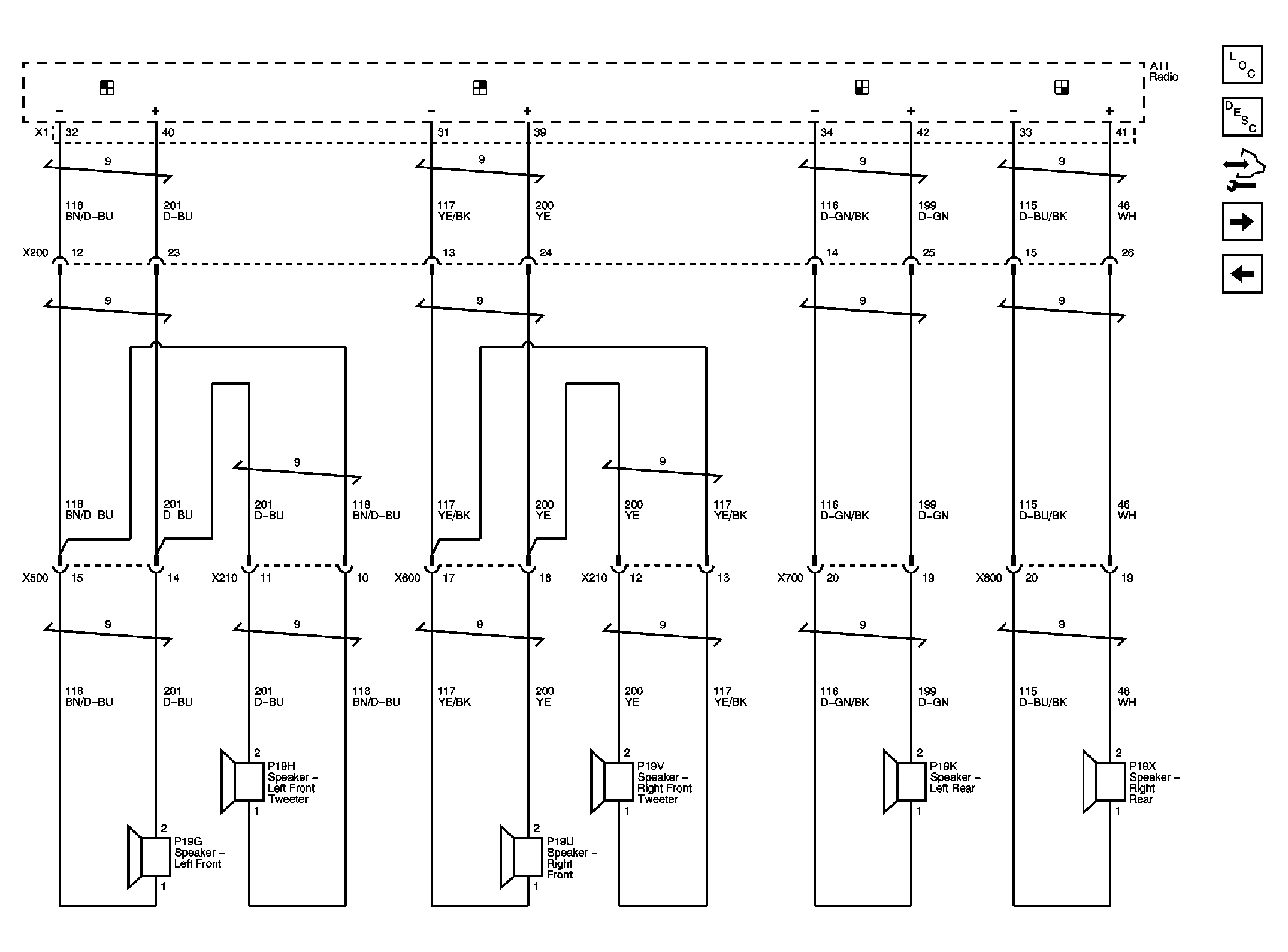
Fig 2: Door Speakers (without UQA) Wiring Schematic
GM2458131Courtesy of GENERAL MOTORS CORP.
Fig 3: Amplifier (UQA) Wiring Schematic
GM2458133Courtesy of GENERAL MOTORS CORP.
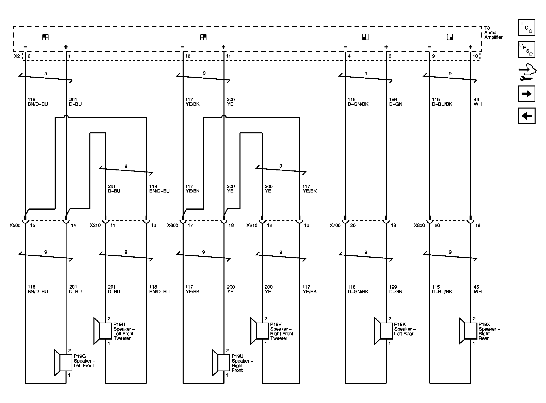
Fig 4: Door Speakers (UQA) Wiring Schematic
GM2458134Courtesy of GENERAL MOTORS CORP.
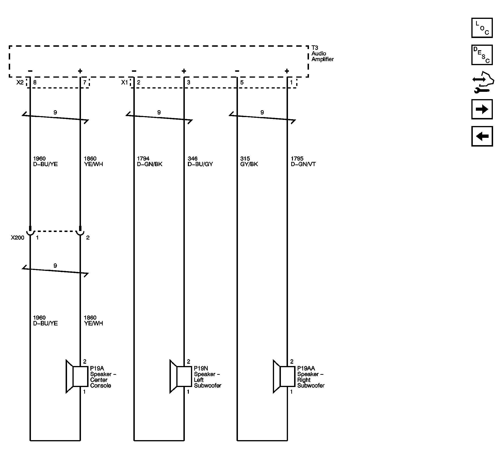
Fig 5: Center Speaker and Subwoofer (UQA) Wiring Schematic
GM2458135Courtesy of GENERAL MOTORS CORP.
Fig 6: Navigation System (UYS) Wiring Schematic
GM2458136Courtesy of GENERAL MOTORS CORP.
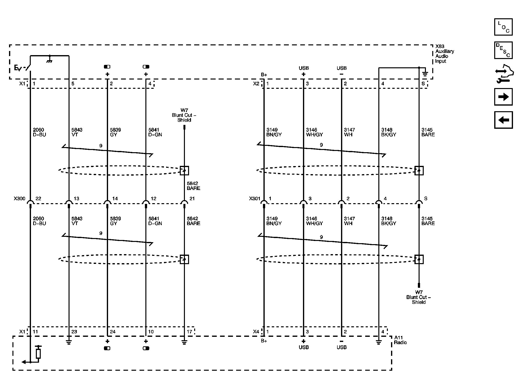
Fig 7: Audio Input (without KTA) Wiring Schematic
GM2458138Courtesy of GENERAL MOTORS CORP.
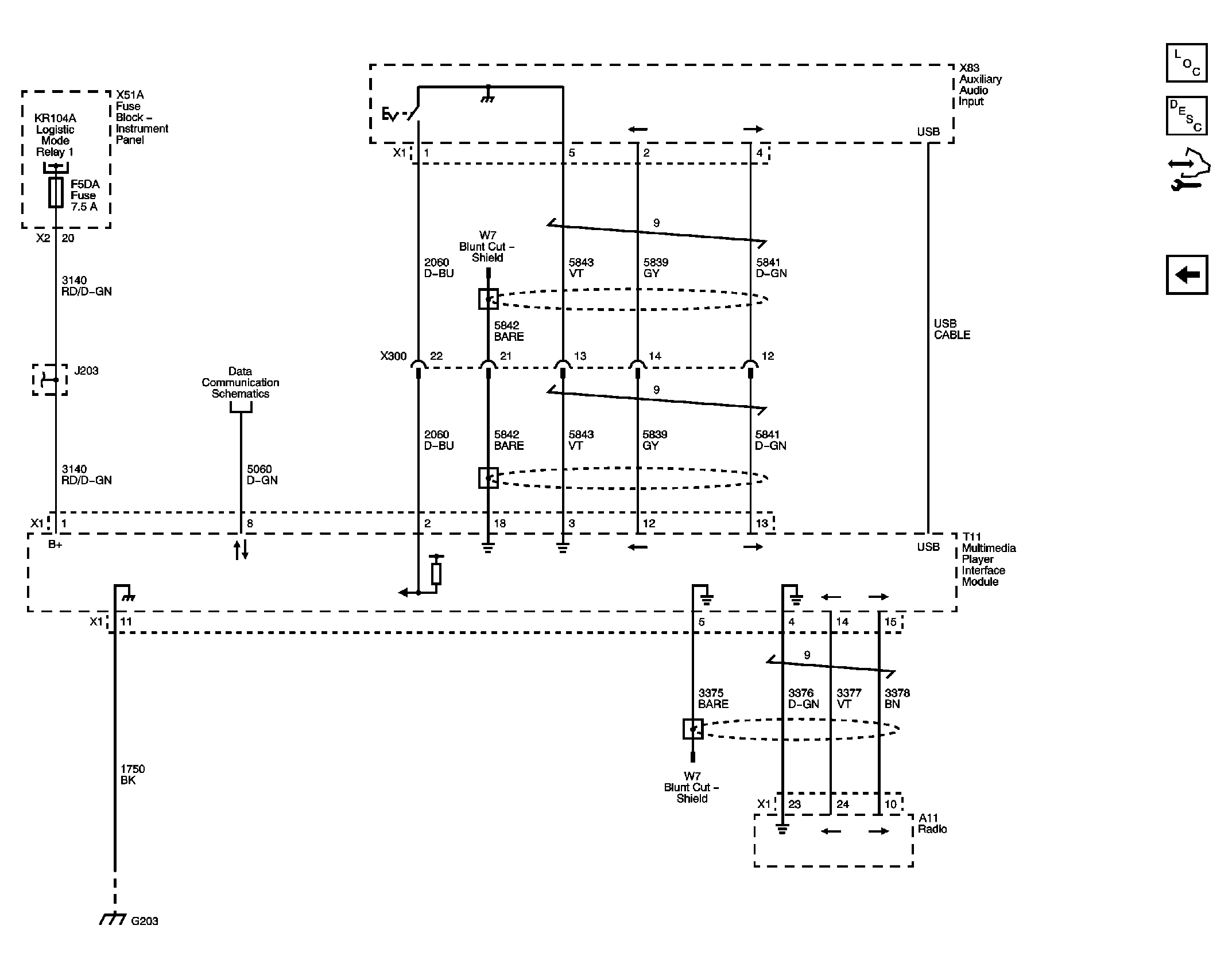
Fig 8: Multimedia Player Interface (KTA) Wiring Schematic
GM2458139Courtesy of GENERAL MOTORS CORP.