LEMON Manuals: Even more car manuals for everyone: 1960-2025
Home >> Chevrolet >> 2012 >> Cruze LS, Automatic Trans >> Repair and Diagnosis >> External Pages >> Different car >> Section 254 (Object Detection System - Park Assist System) >> Schematic and Routing Diagrams >> Object Detection Schematics
April 5, 2026: LEMON Manuals is launched! Read the announcement.

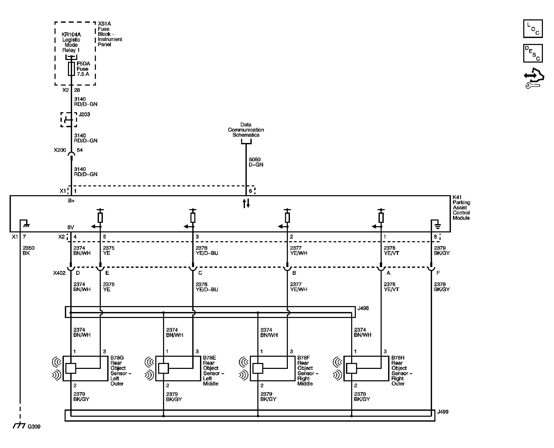
Object Detection Schematics

WARNING: This page is about a different car, the 2011 Chevrolet Cruze. However, it is still accessible from the selected car via links, so may be relevant.
Fig 1: UD7 Schematics
GM2461665Courtesy of GENERAL MOTORS CORP.