LEMON Manuals: Even more car manuals for everyone: 1960-2025
Home >> Chevrolet >> 2012 >> Equinox LS, AWD, Gas >> Repair and Diagnosis >> Engine Performance >> System >> Data Communications System >> Wiring Schematics >> Data Communication Wiring Schematics >> Radio/HVAC Linear Interconnect Network (LIN) Bus And CAN Graphical Interface
April 5, 2026: LEMON Manuals is launched! Read the announcement.

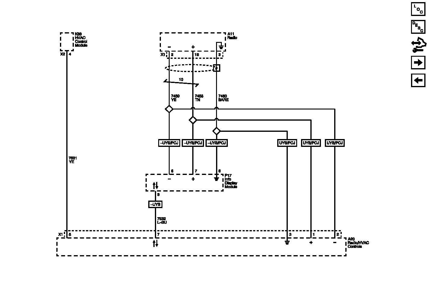
Radio/HVAC Linear Interconnect Network (LIN) Bus And CAN Graphical Interface

Fig 1: Radio/HVAC Linear Interconnect Network (LIN) Bus And CAN Graphical Interface Wiring Schematic
GM2619118Courtesy of GENERAL MOTORS COMPANY