LEMON Manuals: Even more car manuals for everyone: 1960-2025
Home >> Chevrolet >> 2012 >> Express 2500 V8-6.6L DSL Turbo >> Repair and Diagnosis >> Powertrain Management >> Emission Control Systems >> Relays and Modules - Emission Control Systems >> Diesel Emissions Fluid Control Module >> Locations
April 5, 2026: LEMON Manuals is launched! Read the announcement.

Diesel Emissions Fluid Control Module: Locations




Wheels/Vehicle Underbody Component Views

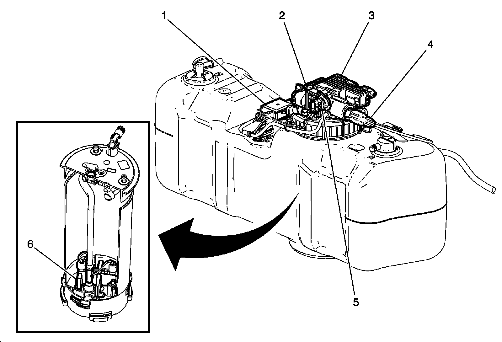
Reductant Tank Components (LGH)





1 - Reductant Sensor Module

2 - Reductant Purge Solenoid Valve

3 - Reductant Pump

4 - Reductant Line Heater

5 - Reductant Pressure Sensor

6 - Reductant Tank Heater