LEMON Manuals: Even more car manuals for everyone: 1960-2025
Home >> Chevrolet >> 2012 >> Volt >> Repair and Diagnosis >> Electrical >> Charging Systems >> Battery, Charging System And Starting System >> Repair Instructions >> Battery Negative Cable Replacement >> Installation Procedure
April 5, 2026: LEMON Manuals is launched! Read the announcement.

Installation Procedure

    Fig 1: Negative Battery Cable
    GM2374906Courtesy of GENERAL MOTORS COMPANY
  1. Install the battery negative cable (4) to the vehicle and install battery negative retainers (3).
  2. CAUTION:

    Refer to Fastener Caution .

  3. Install the ground terminal to the back panel and tighten the bolt (2) to 22 N.m (17 lb ft).
  4. Install the battery negative post clamp and tighten the nut (1) to 9 N.m (80 lb in).
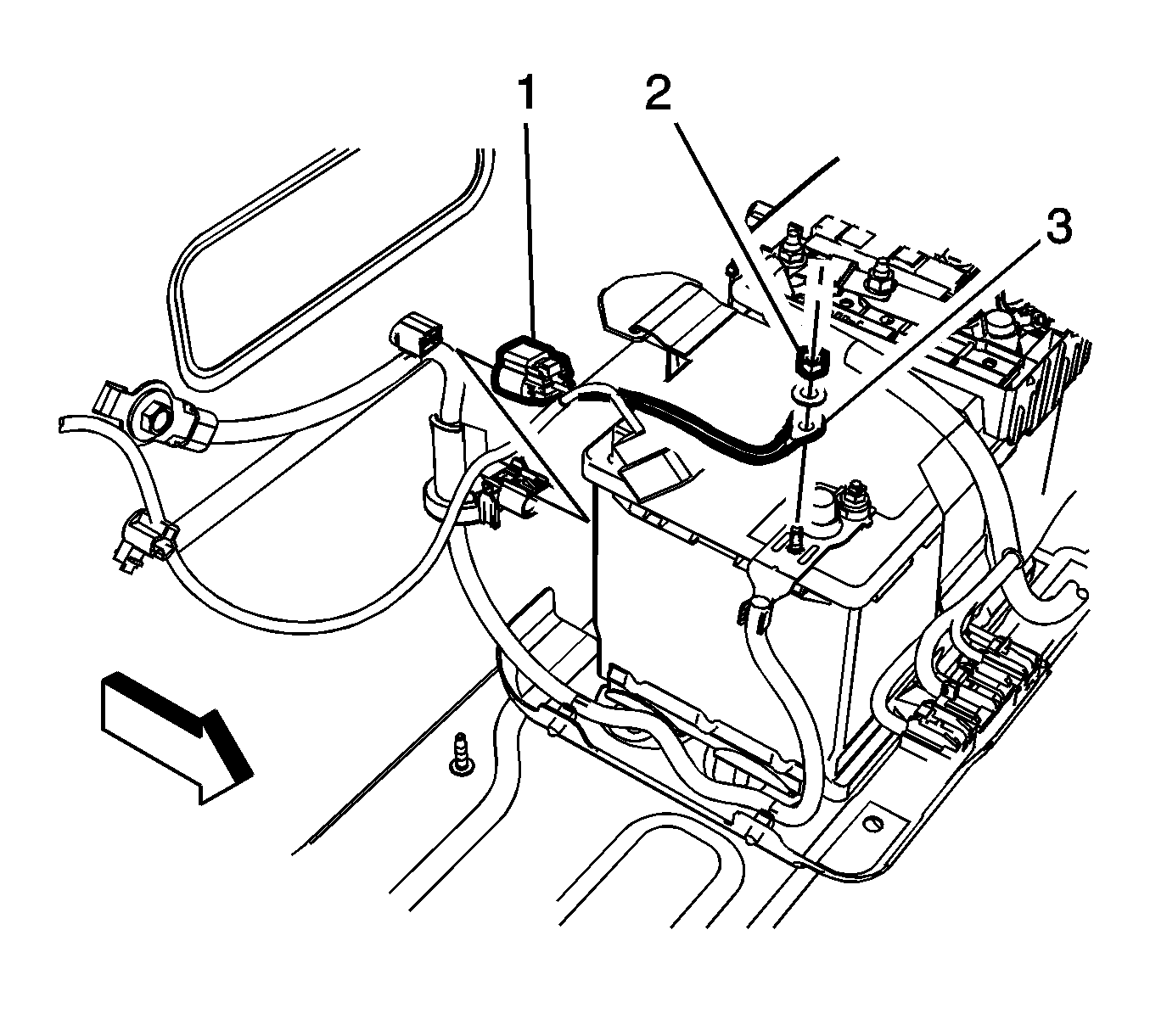
  5. Fig 2: Battery Current Sensor Connector
    GM2374908Courtesy of GENERAL MOTORS COMPANY
  6. Connect the body harness connector (1) to the current sensor.
  7. Install the body harness ground terminal (3) to the negative post clamp and tighten the nut (2) to 9 N.m (80 lb in).
  8. Install the rear end trim finish panel. Refer to Rear End Trim Finish Panel Replacement
  9. Install the rear compartment floor stowage compartment. Refer to Rear Compartment Floor Stowage Trim Compartment Replacement .