LEMON Manuals: Even more car manuals for everyone: 1960-2025
Home >> Chevrolet >> 2013 >> Camaro LS, Standard Trans >> Repair and Diagnosis (Single Page) >> Accessories & Equipment >> Drivers Assistance Systems - ADAS >> Object Detection System - Park Assist System >> Schematic Wiring Diagrams >> Object Detection Wiring Schematics >> Object Detection Schematics Rear View Camera
April 5, 2026: LEMON Manuals is launched! Read the announcement.

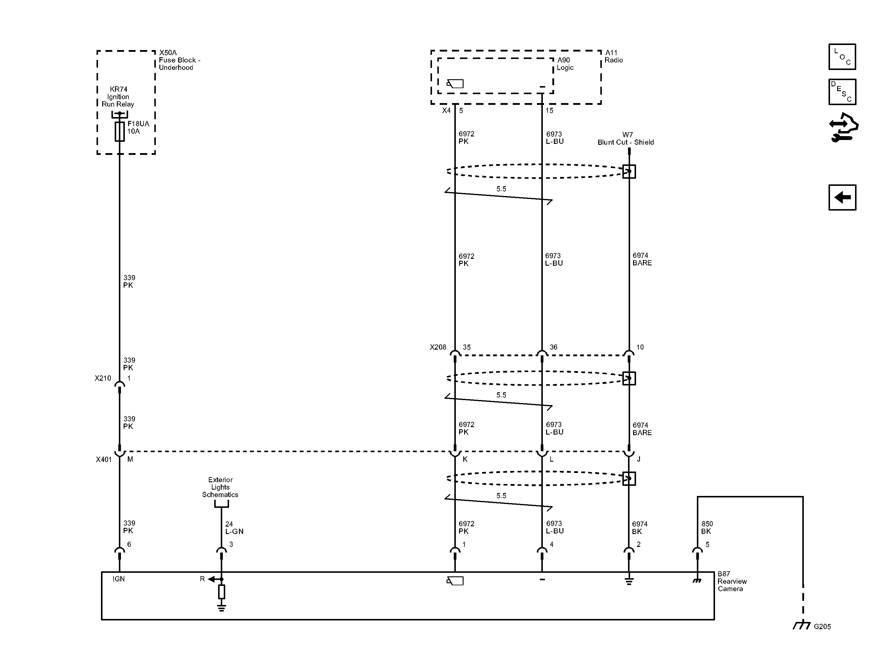
Object Detection Schematics Rear View Camera

Fig 1: Rear View Camera Wiring Schematic
GM2786719Courtesy of GENERAL MOTORS COMPANY