LEMON Manuals: Even more car manuals for everyone: 1960-2025
Home >> Chevrolet >> 2013 >> Express 2500 V8-6.6L DSL Turbo >> Repair and Diagnosis >> Powertrain Management >> Relays and Modules - Powertrain Management >> Relays and Modules - Computers and Control Systems >> Engine Control Module >> Locations >> Engine Components
April 5, 2026: LEMON Manuals is launched! Read the announcement.

Engine Components




Powertrain Component Views

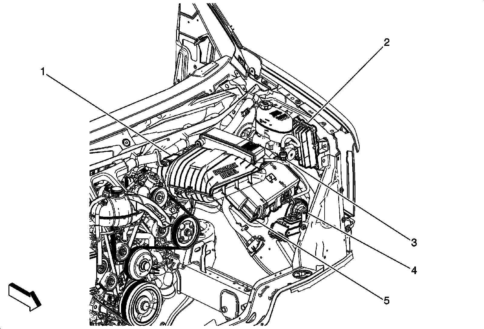
Engine Components (LGH)





1 - Mass Air Flow (MAF) Sensor/Intake Air Temperature (IAT) Sensor

2 - Engine Control Module (ECM)

3 - A/C Refrigerant Pressure Sensor

4 - Horn Assembly

5 - Fuse Block- Underhood