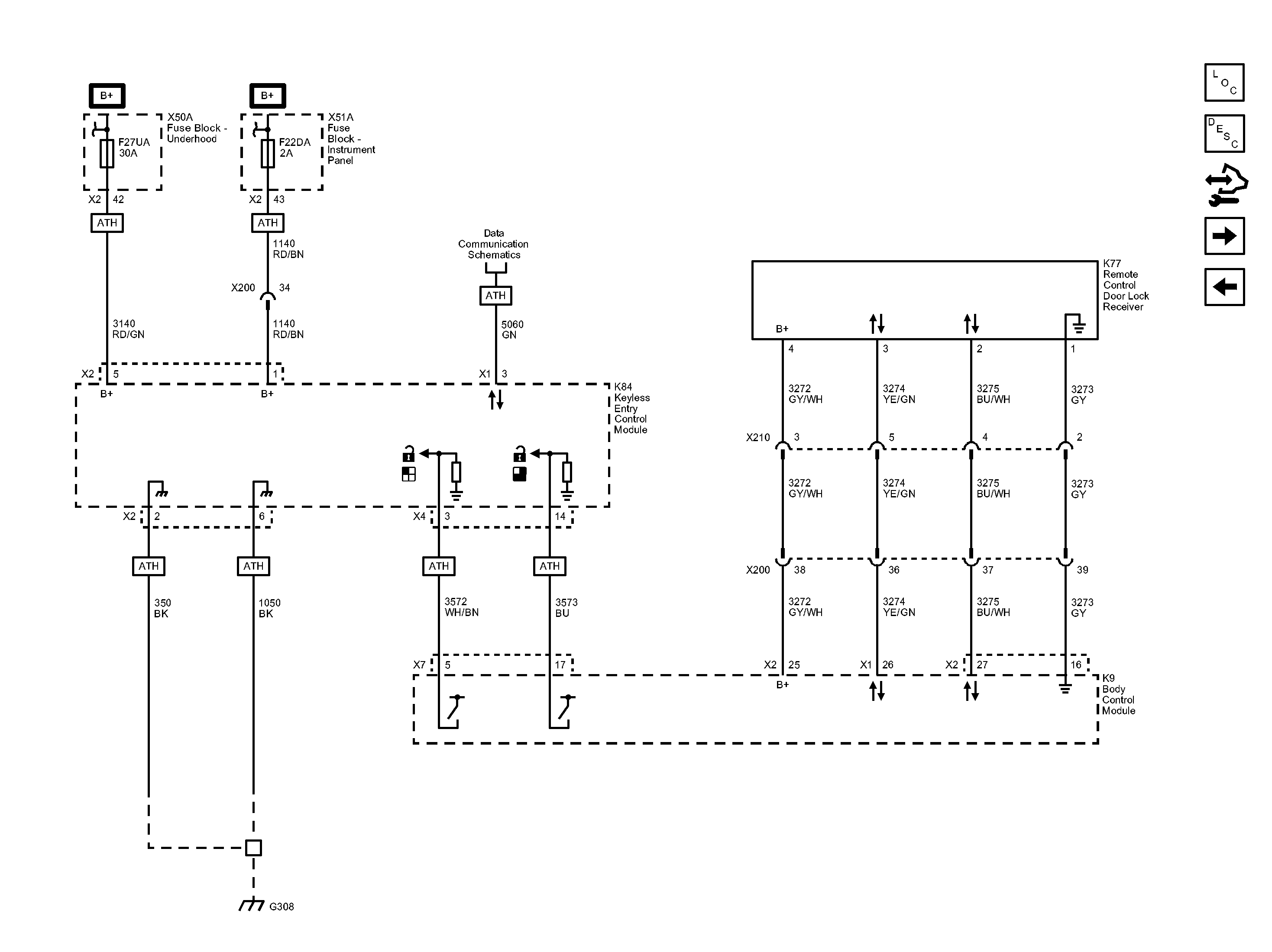
| 3140 |
Battery Positive Voltage |
| 3140_RD/GN |
3140 RD/GN |
| CAV_5 |
5 |
| CONN_X2 |
X2 |
| CAV_42 |
42 |
| CONN_X2 |
X2 |
| 1140 |
Battery Positive Voltage |
| 1140_RD/BN |
1140 RD/BN |
| CAV_1 |
1 |
| CAV_43 |
43 |
| CONN_X2 |
X2 |
| 1140_RD/BN |
1140 RD/BN |
| CAV_34 |
34 |
| ATH |
LOCK CONTROL, ENTRY-REMOTE ENTRY, EXTENDED RANGE, PASSIVE ENTRY, ALL DOORS |
| ATH |
LOCK CONTROL, ENTRY-REMOTE ENTRY, EXTENDED RANGE, PASSIVE ENTRY, ALL DOORS |
| 5060 |
Low Speed GMLAN Serial Data |
| 5060_GN |
5060 GN |
| CAV_3 |
3 |
| CONN_X1 |
X1 |
| ATH |
LOCK CONTROL, ENTRY-REMOTE ENTRY, EXTENDED RANGE, PASSIVE ENTRY, ALL DOORS |
| 3572 |
Driver Door Unlatch Enable Signal |
| 3572_WH/BN |
3572 WH/BN |
| CAV_5 |
5 |
| CONN_X7 |
X7 |
| CAV_3 |
3 |
| CONN_X4 |
X4 |
| 3573 |
Non Driver Door Unlatch Enable Signal |
| 3573_BU |
3573 BU |
| CAV_17 |
17 |
| CAV_14 |
14 |
| 1050 |
Ground |
| 1050_BK |
1050 BK |
| CAV_6 |
6 |
| 350 |
Ground |
| 350_BK |
350 BK |
| CAV_2 |
2 |
| CONN_X2 |
X2 |
| ATH |
LOCK CONTROL, ENTRY-REMOTE ENTRY, EXTENDED RANGE, PASSIVE ENTRY, ALL DOORS |
| ATH |
LOCK CONTROL, ENTRY-REMOTE ENTRY, EXTENDED RANGE, PASSIVE ENTRY, ALL DOORS |
| ATH |
LOCK CONTROL, ENTRY-REMOTE ENTRY, EXTENDED RANGE, PASSIVE ENTRY, ALL DOORS |
| ATH |
LOCK CONTROL, ENTRY-REMOTE ENTRY, EXTENDED RANGE, PASSIVE ENTRY, ALL DOORS |
| 3272 |
Remote Function Actuator Supply Voltage |
| 3272_GY/WH |
3272 GY/WH |
| CAV_25 |
25 |
| CONN_X2 |
X2 |
| CAV_4 |
4 |
| 3272_GY/WH |
3272 GY/WH |
| 3272_GY/WH |
3272 GY/WH |
| 3274 |
Remote Function Actuator Transmit Signal |
| 3274_YE/GN |
3274 YE/GN |
| CAV_26 |
26 |
| CONN_X1 |
X1 |
| CAV_3 |
3 |
| 3274_YE/GN |
3274 YE/GN |
| 3274_YE/GN |
3274 YE/GN |
| 3275 |
Remote Function Actuator Receive Signal |
| 3275_BU/WH |
3275 BU/WH |
| CAV_27 |
27 |
| CONN_X2 |
X2 |
| CAV_2 |
2 |
| 3275_BU/WH |
3275 BU/WH |
| 3275_BU/WH |
3275 BU/WH |
| 3273 |
Remote Function Actuator Return |
| 3273_GY |
3273 GY |
| CAV_16 |
16 |
| CAV_1 |
1 |
| 3273_GY |
3273 GY |
| 3273_GY |
3273 GY |
| X200 |
X200 |
| CAV_38 |
38 |
| CAV_36 |
36 |
| CAV_37 |
37 |
| CAV_39 |
39 |
| X210 |
X210 |
| CAV_3 |
3 |
| CAV_5 |
5 |
| CAV_4 |
4 |
| CAV_2 |
2 |
| F27UA |
F27UA 30A |
| F22DA |
F22DA 2A |
| X200 |
X200 |
| X200 |
X200 |
| X210 |
X210 |
| Data_Communication_Schematics_REF |
Data Communication Schematics |
| K9 |
() |
| K77 |
() |
| X50A |
() |
| X51A |
() |
| K84 |
() |