LEMON Manuals: Even more car manuals for everyone: 1960-2025
Home >> Chevrolet >> 2013 >> Sonic RS, Automatic Trans >> Repair and Diagnosis >> External Pages >> Different car >> Section 446 (Object Detection System - Park Assist System) >> Wiring Schematics >> Object Detection Wiring Schematics >> UD7
April 5, 2026: LEMON Manuals is launched! Read the announcement.

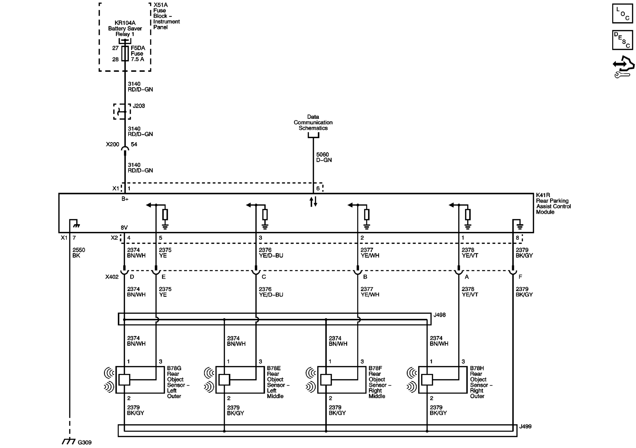
Object Detection Wiring Schematics: UD7

WARNING: This page is about a different car, the 2012 Chevrolet Cruze. However, it is still accessible from the selected car via links, so may be relevant.
Fig 1: Object Detection (UD7) Wiring Schematic
GM2587816Courtesy of GENERAL MOTORS COMPANY