LEMON Manuals: Even more car manuals for everyone: 1960-2025
Home >> Chevrolet >> 2013 >> Trax LS, Automatic Trans >> Repair and Diagnosis >> Accessories & Equipment >> Drivers Assistance Systems - ADAS >> Object Detection System And Pedestrian Protection System >> Schematic and Routing Diagrams >> Object Detection Schematics >> Rear Sensors
April 5, 2026: LEMON Manuals is launched! Read the announcement.

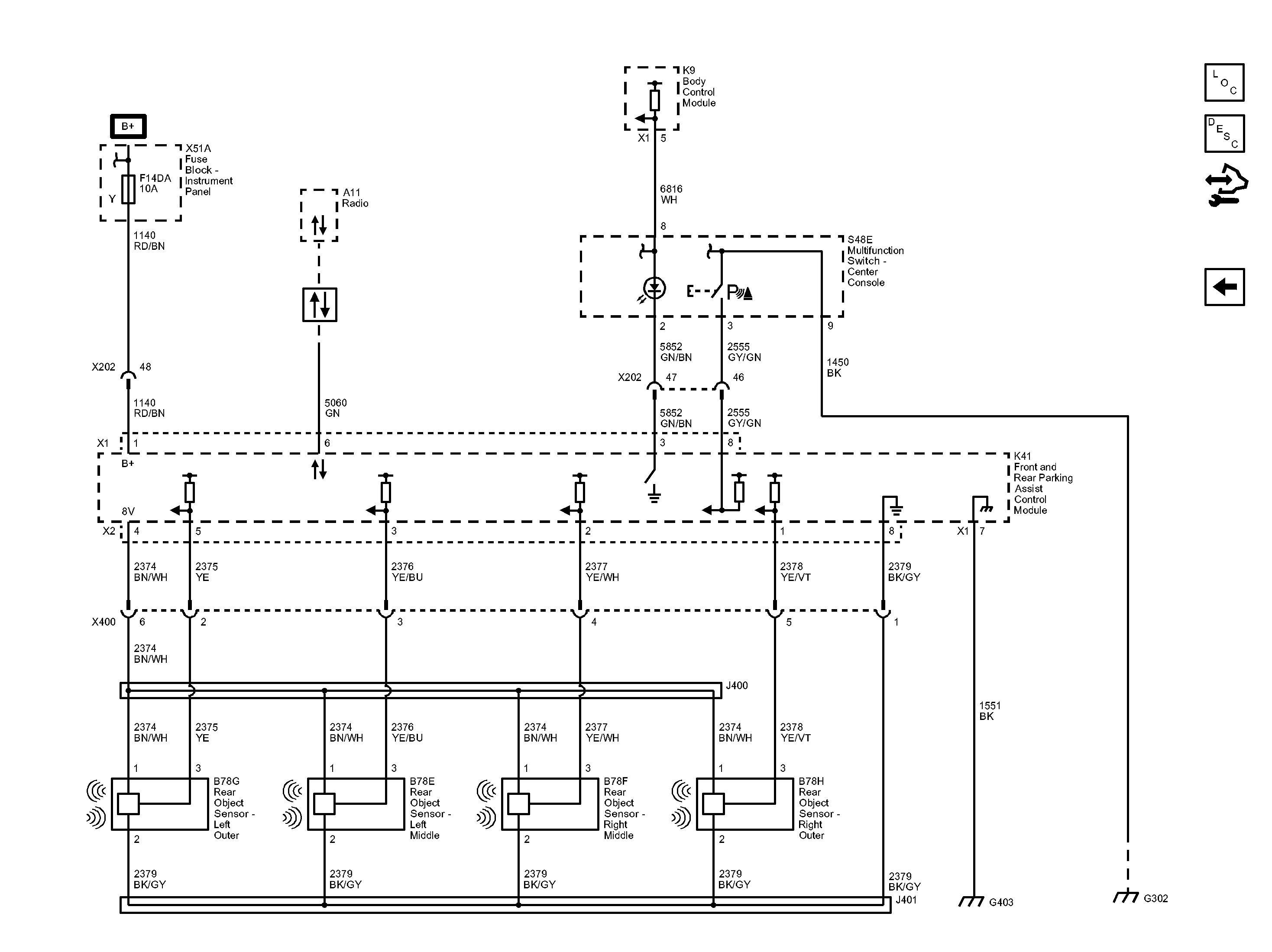
Rear Sensors

Fig 1: Rear Sensors Wiring Schematic
GM2873983Courtesy of GENERAL MOTORS COMPANY