LEMON Manuals: Even more car manuals for everyone: 1960-2025
Home >> Chevrolet >> 2014 >> Spark EV >> Repair and Diagnosis >> Hybrid/Electric Powertrain >> Electric Converters and Controllers >> Hybrid/EV Control System >> Repair Instructions >> Accessory DC Power Control Module Replacement >> Installation Procedure
April 5, 2026: LEMON Manuals is launched! Read the announcement.

Installation Procedure

    Fig 1: APM Module And Retainer Clip
    GM3232228Courtesy of GENERAL MOTORS COMPANY
  1. Install the APM module (4) into the retainer clip (1) and position the APM module against the back stop bracket (2).
  2. Fig 2: APM Module Retainer Tray Fasteners
    GM3232233Courtesy of GENERAL MOTORS COMPANY
    CAUTION:

    Refer to Fastener Caution .

  3. Install the APM module retainer tray brackets in the "UP" position and tighten the fasteners (1) to 22 (16 lb ft).
  4. Install the drive motor generator control module cooling outlet hose (Straight Hose) at the rear of the APM module. Refer to Drive Motor Generator Control Module Cooling Outlet Hose Replacement (Auxiliary Radiator to Drive Motor Battery Charger) , Drive Motor Generator Control Module Cooling Outlet Hose Replacement (Long Hose) , Drive Motor Generator Control Module Cooling Outlet Hose Replacement (Two Bending) , Drive Motor Generator Control Module Cooling Outlet Hose Replacement (Straight Hose) .
  5. Fig 3: APM Cable Connector
    GM3232231Courtesy of GENERAL MOTORS COMPANY
  6. Connect the APM module cable connector (1) to the right side of the APM module (2).
  7. Install the generator control module coolant hose at the front of the APM module. Refer to Generator Control Module Coolant Hose Replacement (PE From APM TO TPIM) .
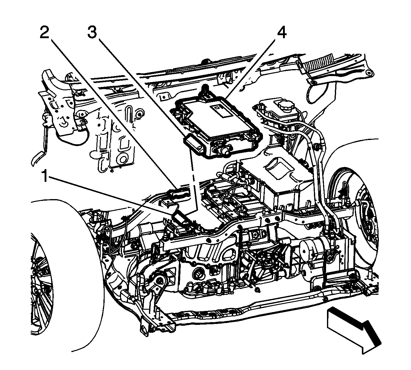
  8. Fig 4: Engine Harness Connector And Accessory DC Power Control (APM) Module
    GM3239594Courtesy of GENERAL MOTORS COMPANY
  9. Connect the engine harness connector (1) to the front right side of the APM module (2).
  10. Fig 5: Battery Positive Cable Cover
    GM2917960Courtesy of GENERAL MOTORS COMPANY
  11. Install the battery positive cable (3) to the APM module stud (4) and tighten the fastener (2) to 22 (16 lb ft).
  12. Install the protective boot (1).
  13. Fig 6: APM Ground Cable Fastener
    GM3232234Courtesy of GENERAL MOTORS COMPANY
  14. Install the APM module ground cable (1) to the APM module and tighten the fastener (2) to 9 (80 lb in).
  15. Install the drive motor generator power inverter module. Refer to Drive Motor Generator Power Inverter Module Replacement .
  16. Install the high voltage battery disconnect control module. Refer to High Voltage Battery Disconnect Control Module Module Replacement (with quick charge) , High Voltage Battery Disconnect Control Module Module Replacement (without quick charge) 
  17. Install the high voltage disconnect circuit cover. Refer to High Voltage Disconnect Circuit Connector Cover Replacement .
  18. Enable the high voltage system. Refer to High Voltage Enabling .