LEMON Manuals: Even more car manuals for everyone: 1960-2025
Home >> Chevrolet >> 2015 >> Camaro LS, Automatic Trans >> Repair and Diagnosis >> Accessories & Equipment >> Collision/Avoidance >> Object Detection And Pedestrian Protection System >> Schematic Wiring Diagrams >> Object Detection Wiring Schematics >> Object Detection Schematics Rear View Camera
April 5, 2026: LEMON Manuals is launched! Read the announcement.

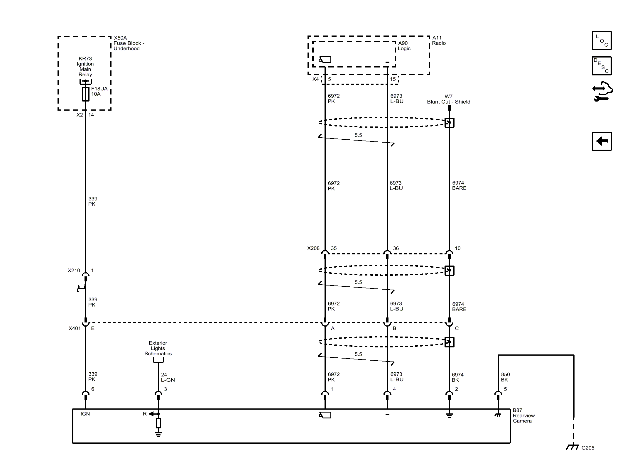
Object Detection Schematics Rear View Camera

Fig 1: Object Detection Schematics Rear View Camera
GM3708647Courtesy of GENERAL MOTORS COMPANY