LEMON Manuals: Even more car manuals for everyone: 1960-2025
Home >> Chevrolet >> 2015 >> Spark EV >> Repair and Diagnosis >> Accessories & Equipment >> Collision/Avoidance >> Object Detection System And Pedestrian Protection System >> Schematic Wiring Diagrams >> Object Detection Wiring Schematics >> Object Detection
April 5, 2026: LEMON Manuals is launched! Read the announcement.

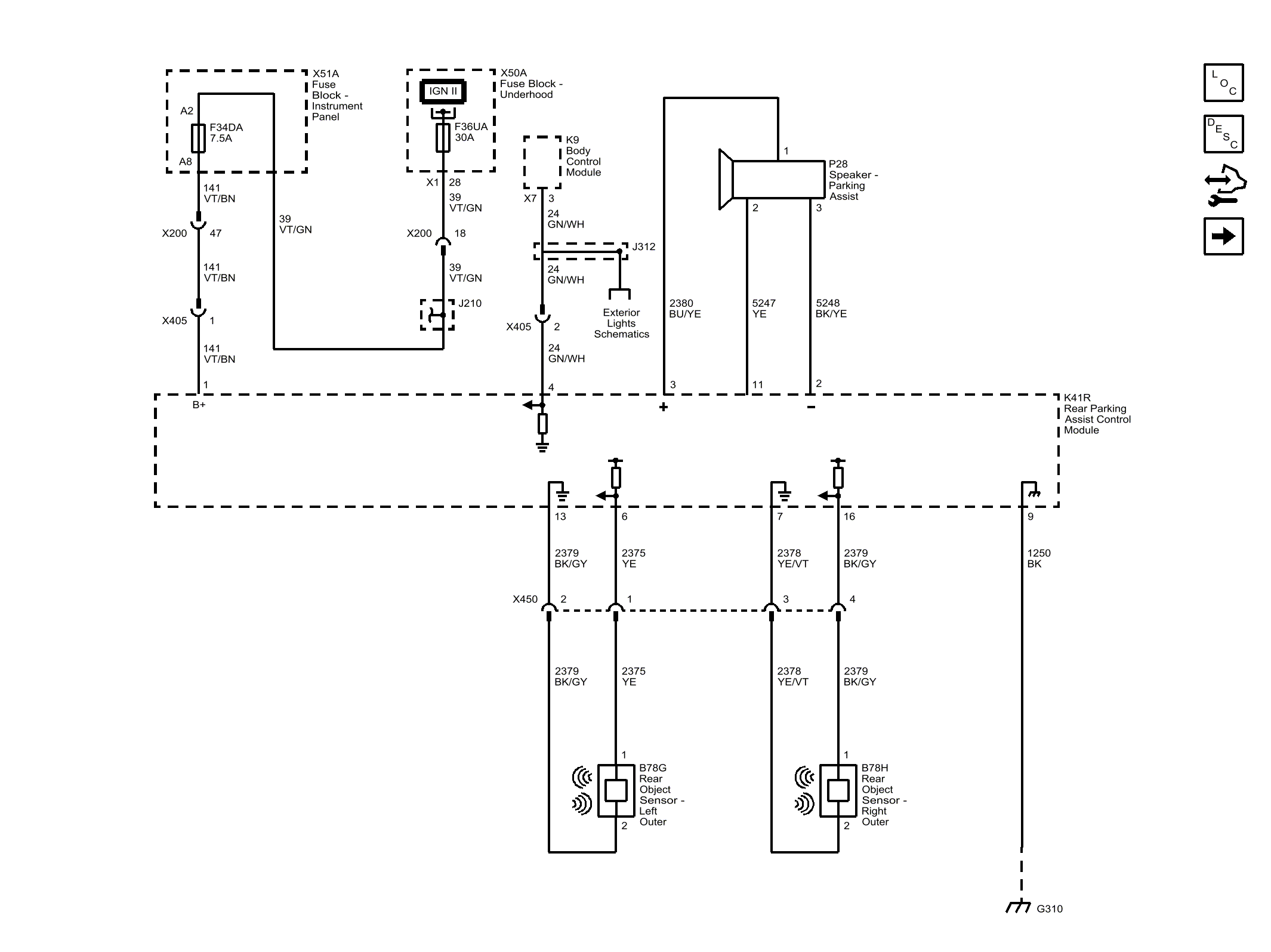
Object Detection

Fig 1: Object Detection
GM3666285Courtesy of GENERAL MOTORS COMPANY