LEMON Manuals: Even more car manuals for everyone: 1960-2025
Home >> Chevrolet >> 2015 >> Volt >> Repair and Diagnosis >> Accessories & Equipment >> Drivers Assistance Systems - ADAS >> Object Detection And Pedestrian Protection System >> Schematic Wiring Diagrams >> Object Detection Wiring Schematics >> Front Park Assist (UDF)
April 5, 2026: LEMON Manuals is launched! Read the announcement.

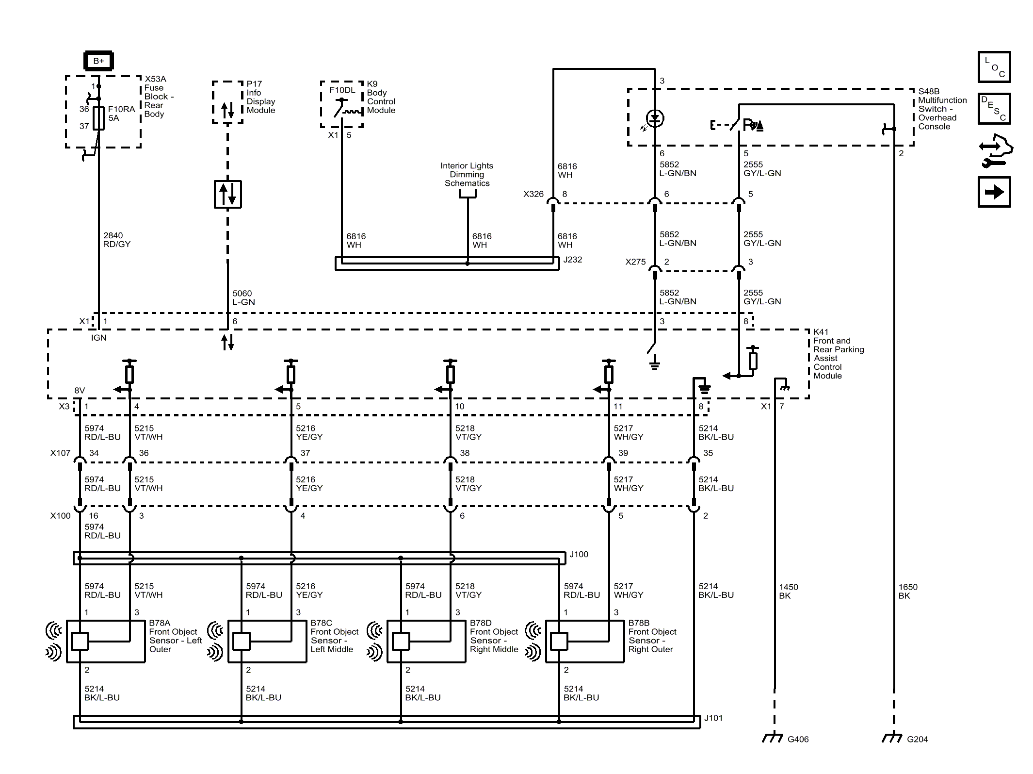
Front Park Assist (UDF)

Fig 1: Front Park Assist (UDF)
GM3745770Courtesy of GENERAL MOTORS COMPANY