LEMON Manuals: Even more car manuals for everyone: 1960-2025
Home >> Chevrolet >> 2016 >> Camaro SS, 2D Convertible, Automatic Trans >> Repair and Diagnosis >> External Pages >> Different car >> Section 121 (Object Detection And Pedestrian Protection System) >> Schematic Wiring Diagrams >> Object Detection Wiring Schematics >> UD7
April 5, 2026: LEMON Manuals is launched! Read the announcement.

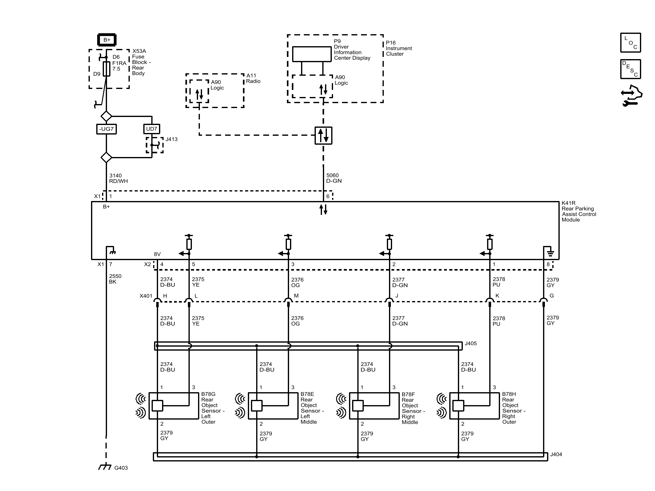
Object Detection Wiring Schematics: UD7

WARNING: This page is about a different car, the 2015 Chevrolet Camaro. However, it is still accessible from the selected car via links, so may be relevant.
Fig 1: UD7
GM3708646Courtesy of GENERAL MOTORS COMPANY