LEMON Manuals: Even more car manuals for everyone: 1960-2025
Home >> Chevrolet >> 2016 >> Equinox LS, AWD, Gas >> Repair and Diagnosis >> Engine Performance >> System >> Data Communication System >> Schematic Wiring Diagrams >> Data Communication Wiring Schematics >> Radio/HVAC Linear Interconnect Network (LIN) Bus and CAN Graphical Interface
April 5, 2026: LEMON Manuals is launched! Read the announcement.

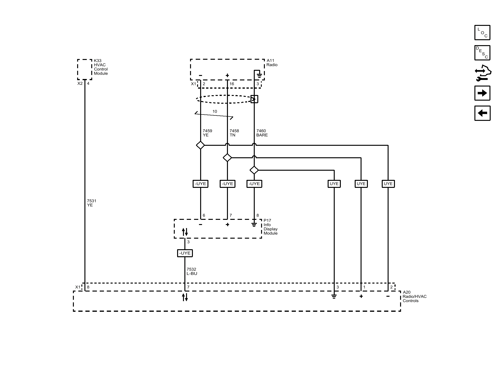
Radio/HVAC Linear Interconnect Network (LIN) Bus and CAN Graphical Interface

Fig 1: Radio/HVAC Linear Interconnect Network (LIN) Bus and CAN Graphical Interface
GM4069736Courtesy of GENERAL MOTORS COMPANY