LEMON Manuals: Even more car manuals for everyone: 1960-2025
Home >> Chevrolet >> 2016 >> Spark LS, Standard Trans >> Repair and Diagnosis >> Accessories & Equipment >> Drivers Assistance Systems - ADAS >> Object Detection System >> Schematic Wiring Diagrams >> Object Detection Wiring Schematics >> Rear Vision Camera (UVC)
April 5, 2026: LEMON Manuals is launched! Read the announcement.

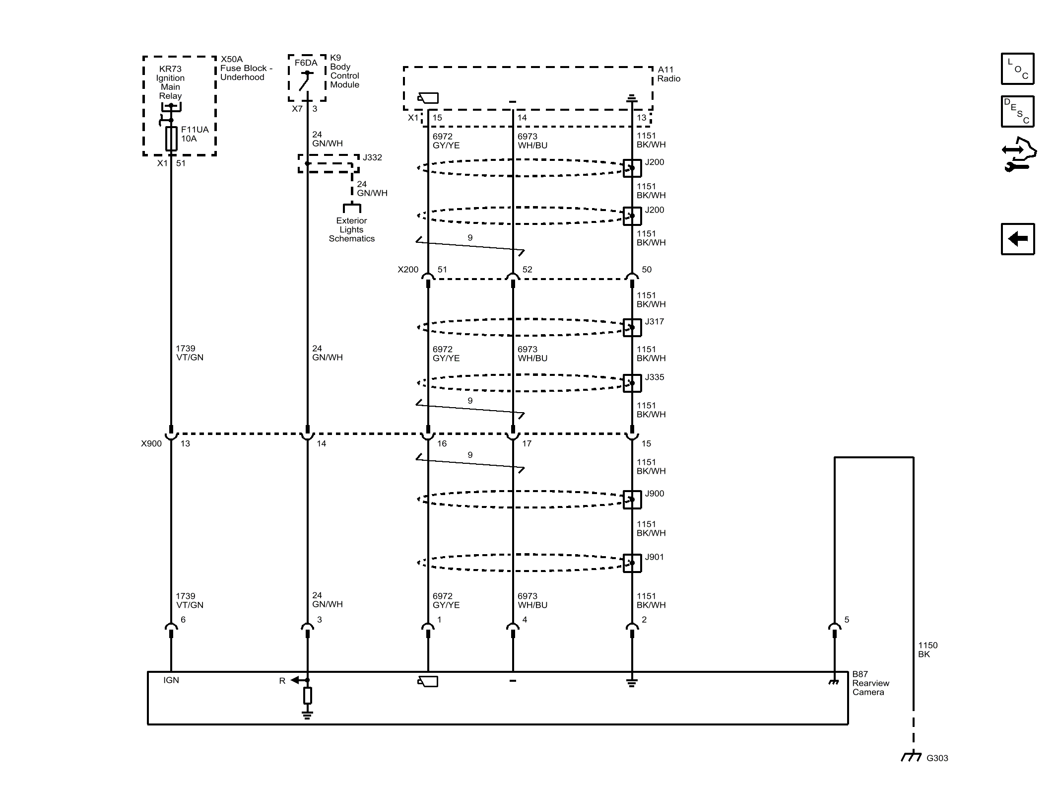
Rear Vision Camera (UVC)

Fig 1: Rear Vision Camera (UVC)
GM4086433Courtesy of GENERAL MOTORS COMPANY