LEMON Manuals: Even more car manuals for everyone: 1960-2025
Home >> Chevrolet >> 2016 >> Trax LT, AWD >> Repair and Diagnosis >> External Pages >> Different car >> Section 56 (Object Detection System And Pedestrian Protection System) >> Schematic Wiring Diagrams >> Object Detection Wiring Schematics (Encore) >> Side Object Detection (Encore with UFT)
April 5, 2026: LEMON Manuals is launched! Read the announcement.

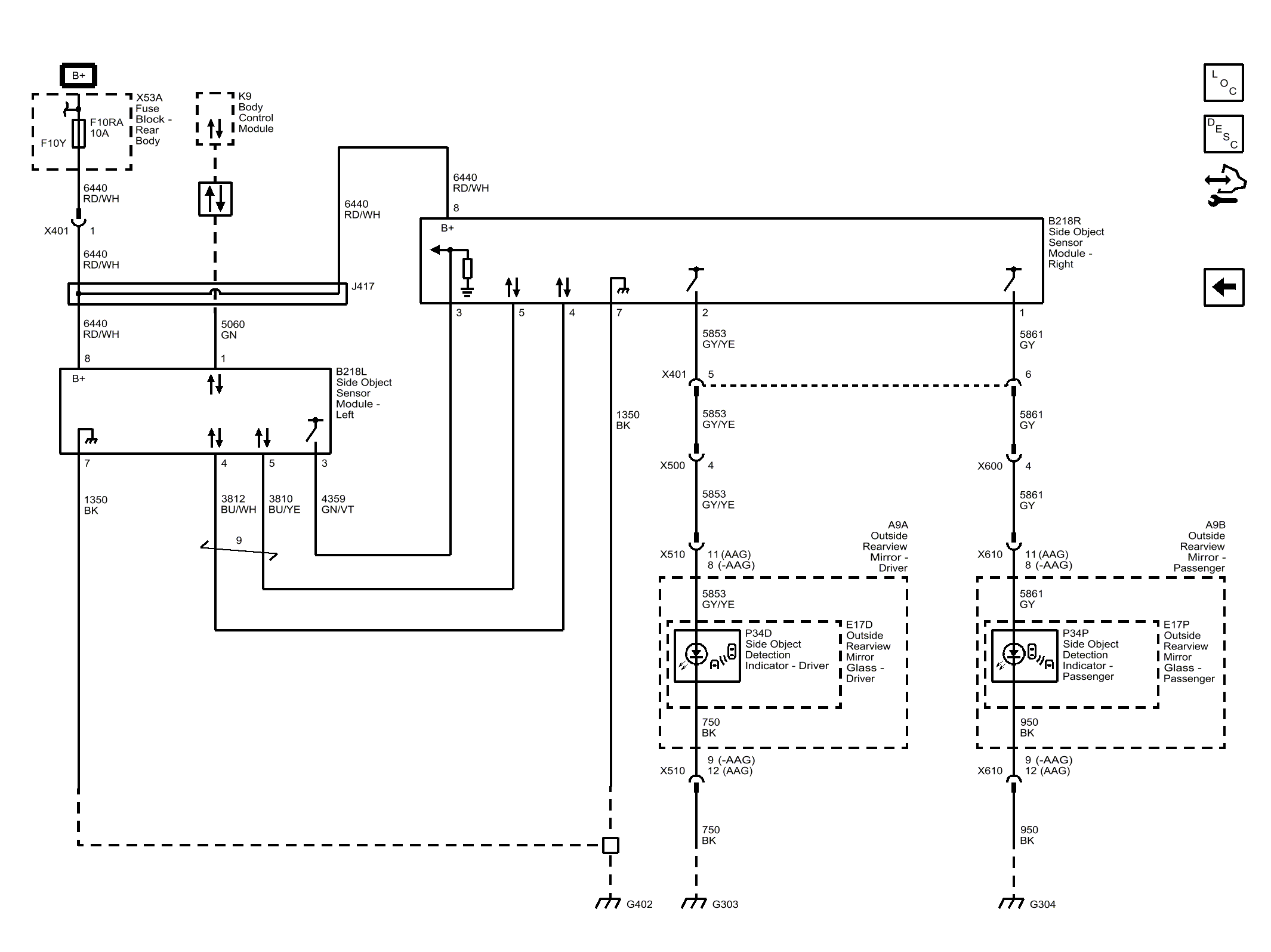
Side Object Detection (Encore with UFT)

WARNING: This page is about a different car, the 2015 Chevrolet Trax and 2015 Buick Encore. However, it is still accessible from the selected car via links, so may be relevant.
Fig 1: Side Object Detection (Encore with UFT)
GM3698418Courtesy of GENERAL MOTORS COMPANY