LEMON Manuals: Even more car manuals for everyone: 1960-2025
Home >> Chevrolet >> 2017 >> Camaro SS, 2D Convertible, Automatic Trans >> Repair and Diagnosis >> Accessories & Equipment >> Collision/Avoidance >> Object Detection System And Pedestrian Protection System >> Schematic Wiring Diagrams >> Object Detection Wiring Schematics >> Rearview Camera (UVC)
April 5, 2026: LEMON Manuals is launched! Read the announcement.

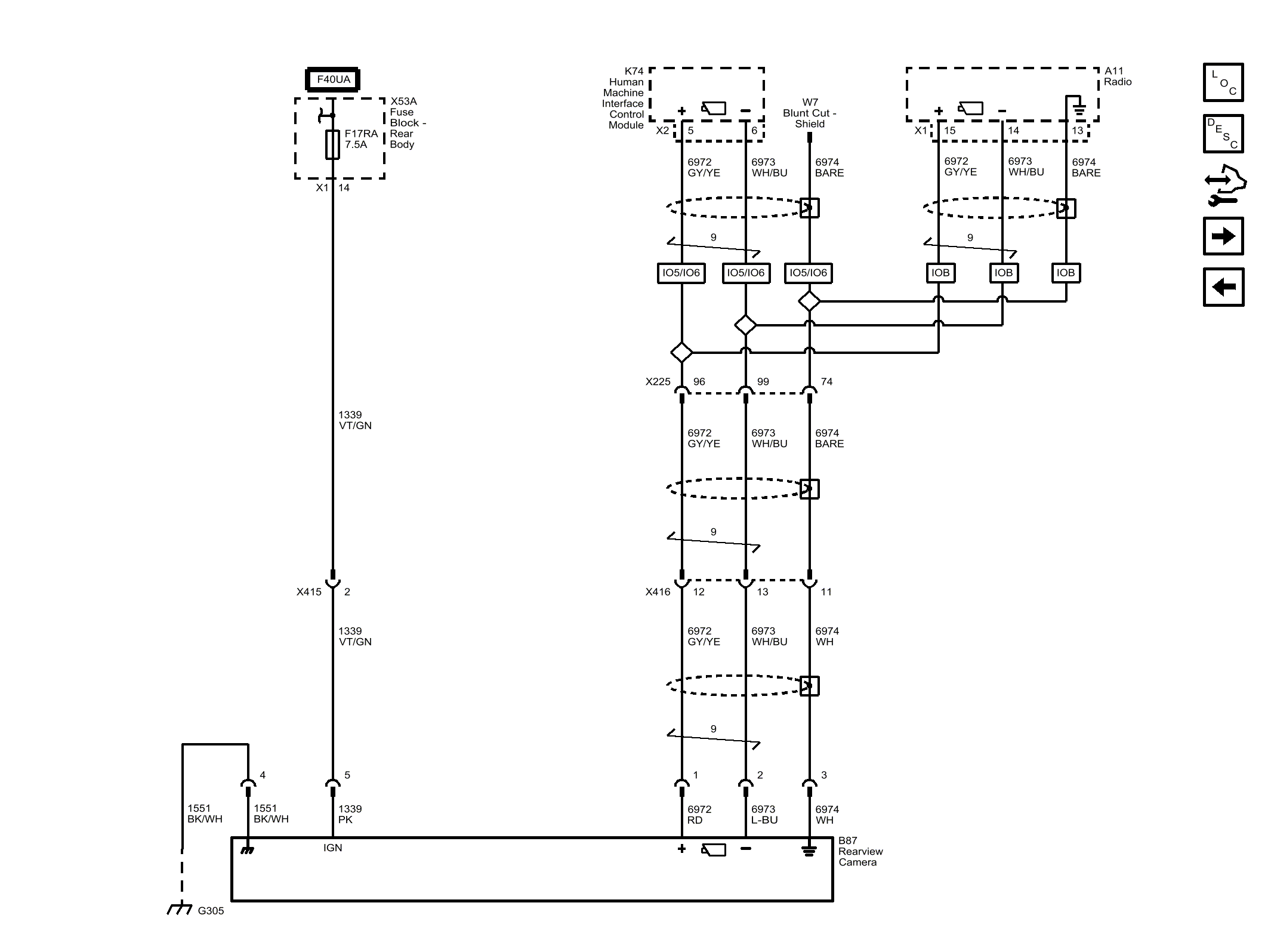
Rearview Camera (UVC)

Fig 1: Rearview Camera (UVC)
GM4447417Courtesy of GENERAL MOTORS COMPANY