LEMON Manuals: Even more car manuals for everyone: 1960-2025
Home >> Chevrolet >> 2017 >> Caprice 6.0L Eng VIN 2 >> Repair and Diagnosis >> Accessories & Equipment >> Drivers Assistance Systems - ADAS >> Object Detection System And Pedestrian Protection System >> Schematic Wiring Diagrams >> Object Detection Wiring Schematics >> Rearview Camera
April 5, 2026: LEMON Manuals is launched! Read the announcement.

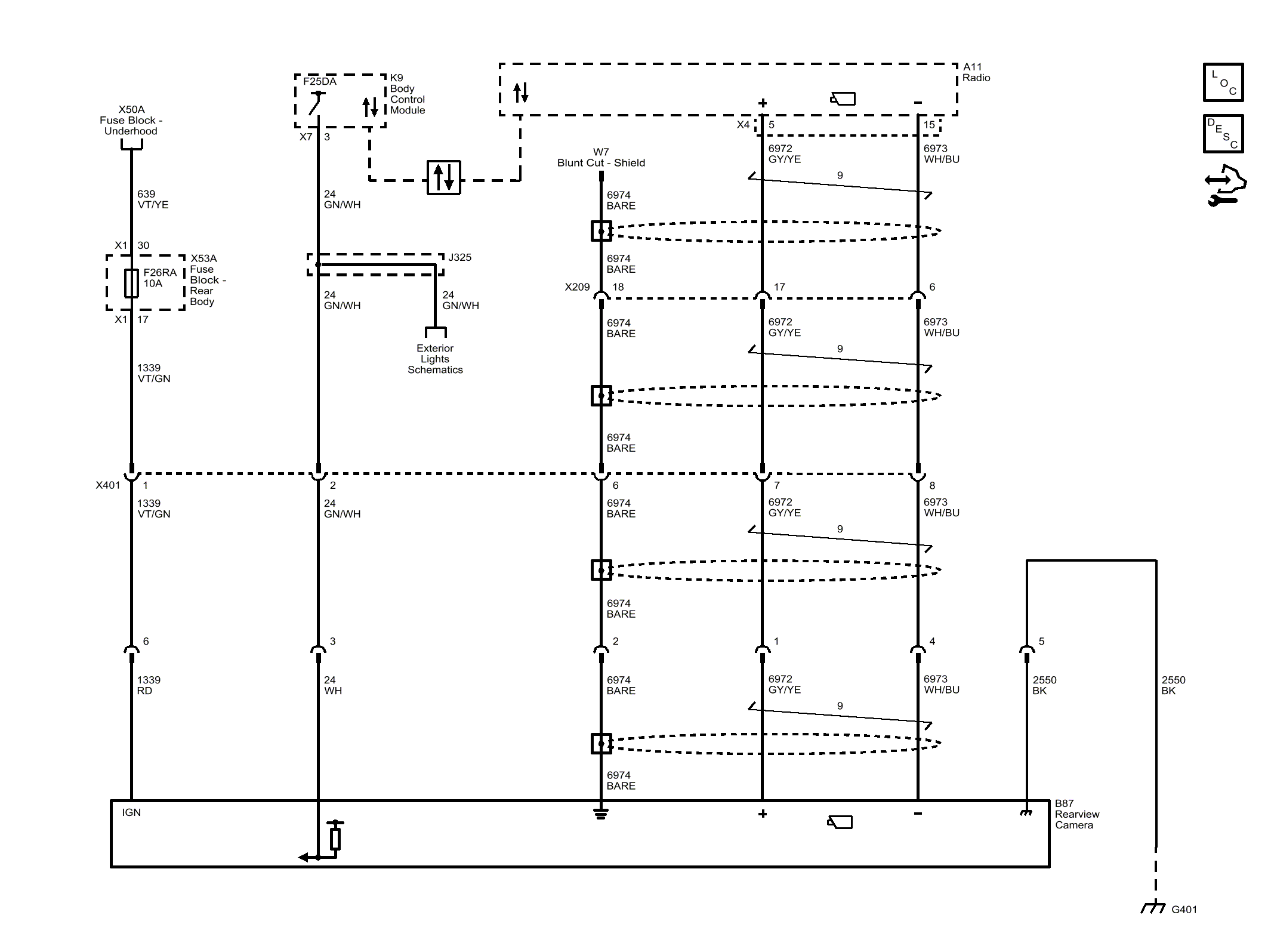
Rearview Camera

Fig 1: Rearview Camera
GM4541168Courtesy of GENERAL MOTORS COMPANY