LEMON Manuals: Even more car manuals for everyone: 1960-2025
Home >> Chevrolet >> 2017 >> Cruze LS, Automatic Trans >> Repair and Diagnosis >> Accessories & Equipment >> Drivers Assistance Systems - ADAS >> Object Detection System And Pedestrian Protection System >> Schematic Wiring Diagrams >> Object Detection Wiring Schematics >> Side Object Detection (UKC)
April 5, 2026: LEMON Manuals is launched! Read the announcement.

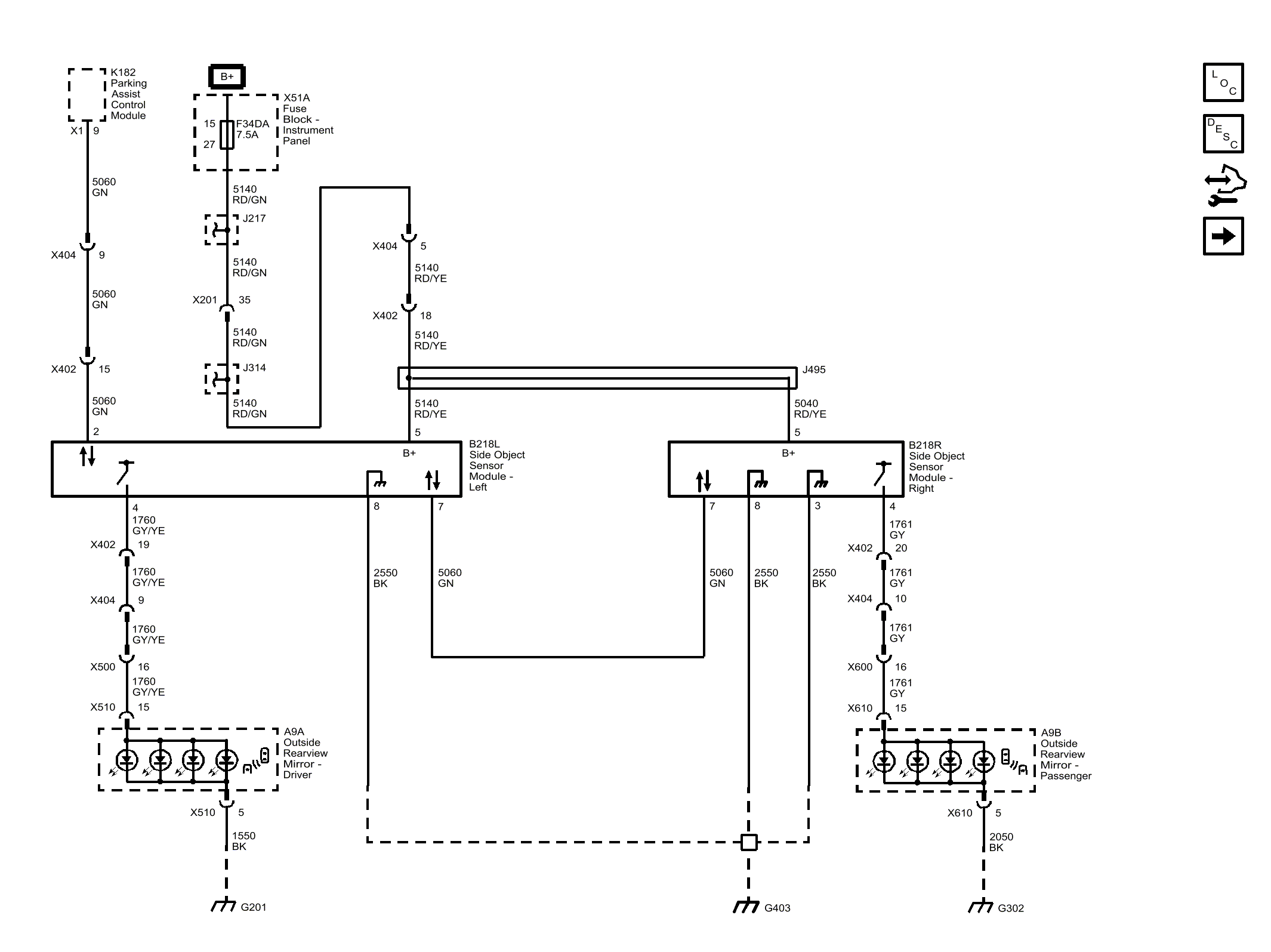
Side Object Detection (UKC)

Fig 1: Side Object Detection (UKC)
GM4335053Courtesy of GENERAL MOTORS COMPANY


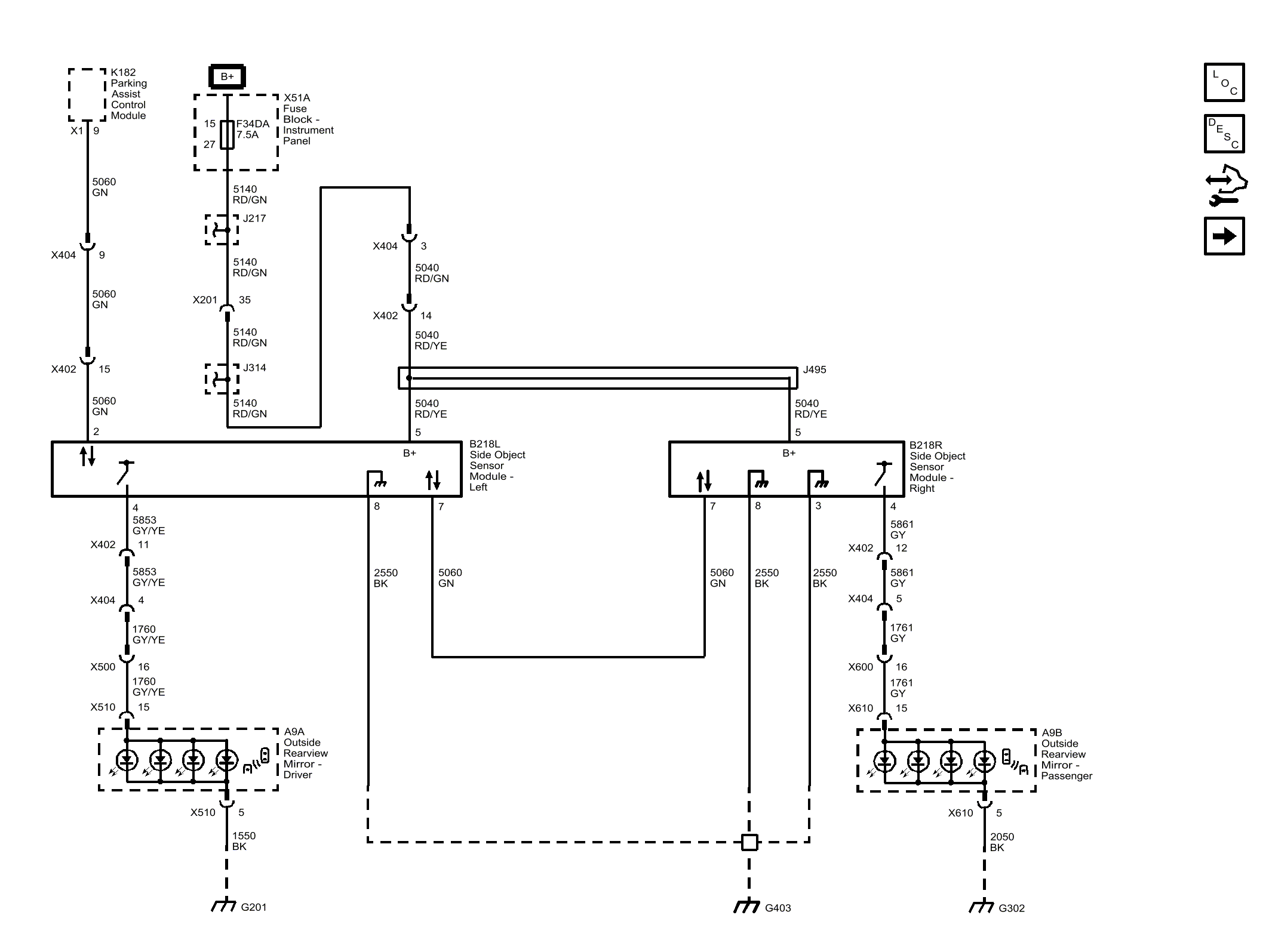
Fig 1: Side Object Detection (UKC)
GM4696124Courtesy of GENERAL MOTORS COMPANY