LEMON Manuals: Even more car manuals for everyone: 1960-2025
Home >> Chevrolet >> 2017 >> Express 2500 Base, Van Cargo Extended, 4.8L Eng VIN F >> Repair and Diagnosis >> Accessories & Equipment >> Drivers Assistance Systems - ADAS >> Object Detection System And Pedestrian Protection System >> Schematic Wiring Diagrams (Object Detection System And Pedestrian Protection System) >> Object Detection Wiring Schematics (Object Detection System And Pedestrian Protection System) >> Rear Vision Camera (UVC Without UI8)(Object Detection System And Pedestrian Protection System)
April 5, 2026: LEMON Manuals is launched! Read the announcement.

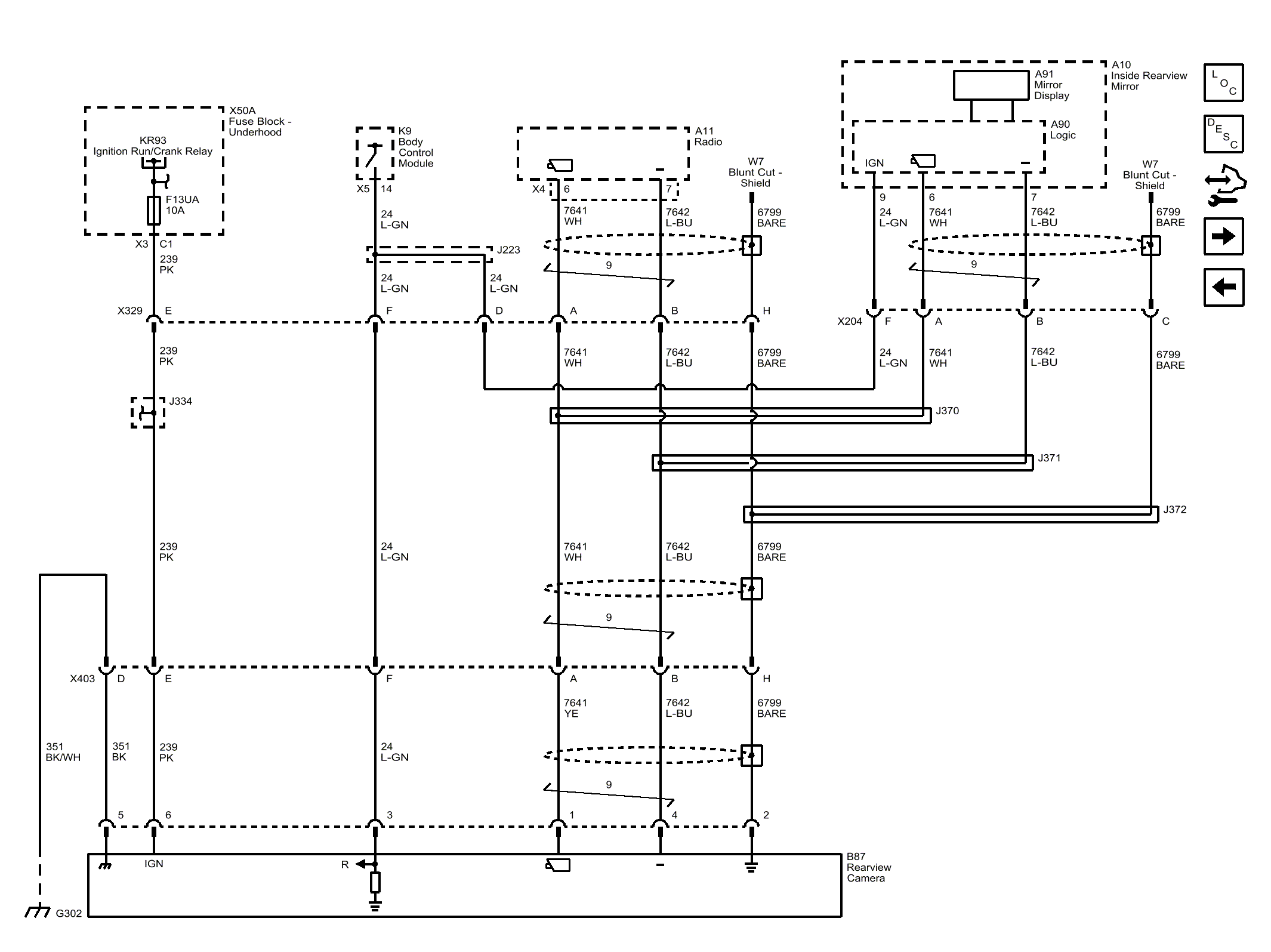
Rear Vision Camera (UVC Without UI8)(Object Detection System And Pedestrian Protection System)

Fig 1: Rear Vision Camera (UVC without UI8)
GM4482444Courtesy of GENERAL MOTORS COMPANY