LEMON Manuals: Even more car manuals for everyone: 1960-2025
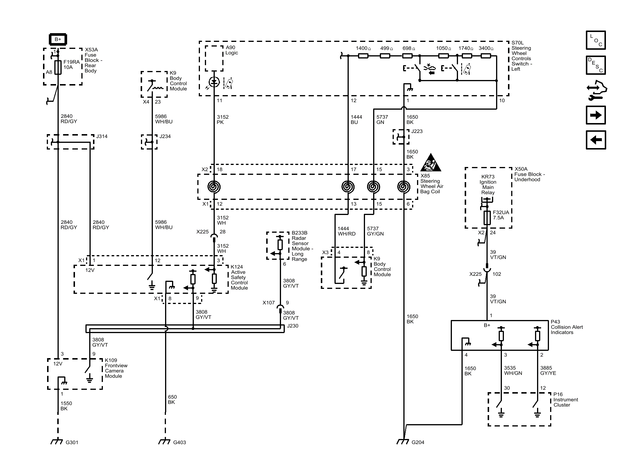
Home >> Chevrolet >> 2017 >> Volt Premier >> Repair and Diagnosis >> Accessories & Equipment >> Drivers Assistance Systems - ADAS >> Object Detection System And Pedestrian Protection System >> Schematic Wiring Diagrams >> Object Detection Wiring Schematics >> Comprehensive Safety - Camera and Module Power, Ground and Controls (UEU/UHX/UGN)
April 5, 2026: LEMON Manuals is launched! Read the announcement.

Comprehensive Safety - Camera and Module Power, Ground and Controls (UEU/UHX/UGN)

Fig 1: Comprehensive Safety - Camera and Module Power, Ground and Controls (UEU/UHX/UGN)
GM4310800Courtesy of GENERAL MOTORS COMPANY