LEMON Manuals: Even more car manuals for everyone: 1960-2025
Home >> Chevrolet >> 2017 >> Volt Premier >> Repair and Diagnosis >> Accessories & Equipment >> Drivers Assistance Systems - ADAS >> Object Detection System And Pedestrian Protection System >> Schematic Wiring Diagrams >> Object Detection Wiring Schematics >> Comprehensive Safety - Camera and Module Power, Ground, and Controls (UEU/UHX/-UGN)
April 5, 2026: LEMON Manuals is launched! Read the announcement.

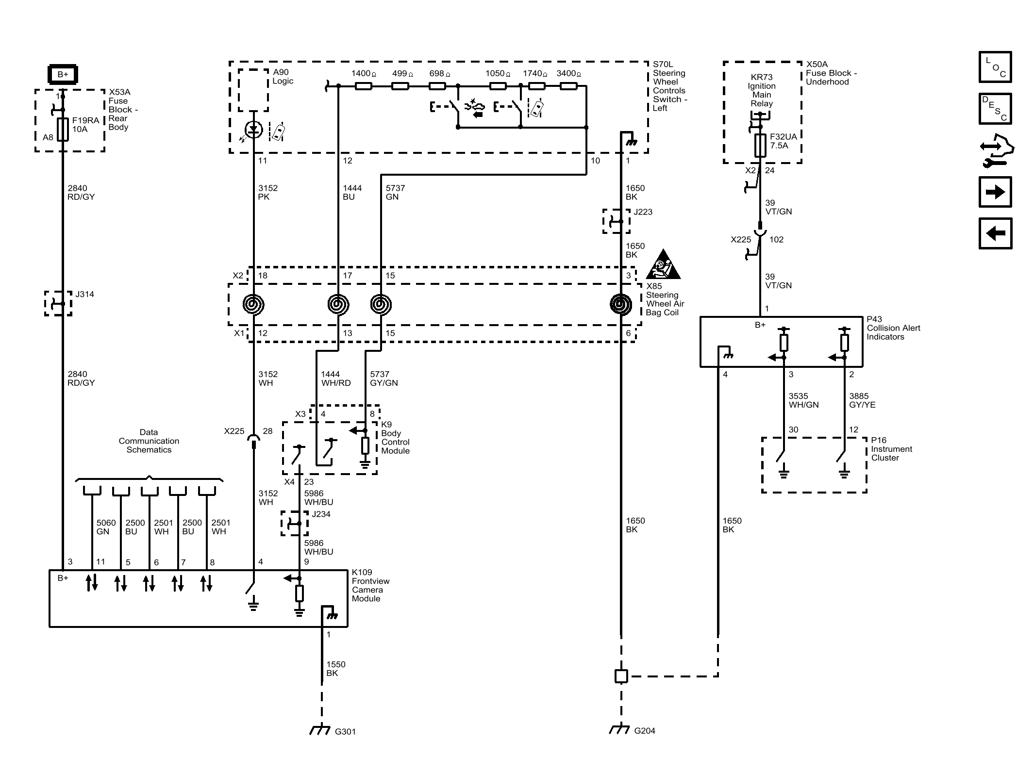
Comprehensive Safety - Camera and Module Power, Ground, and Controls (UEU/UHX/-UGN)

Fig 1: Comprehensive Safety - Camera and Module Power, Ground, and Controls (UEU/UHX/-UGN)
GM4290990Courtesy of GENERAL MOTORS COMPANY