LEMON Manuals: Even more car manuals for everyone: 1960-2025
Home >> Chevrolet >> 2019 >> Sonic LS, Automatic Trans >> Repair and Diagnosis >> Engine Performance >> System >> Engine Controls/Fuel - 1.4L (LUV) - Engine Controls Schematics >> Schematic and Wiring Diagrams >> Engine Controls Wiring Schematics >> Module Power, Ground, Serial Data, and MIL
April 5, 2026: LEMON Manuals is launched! Read the announcement.

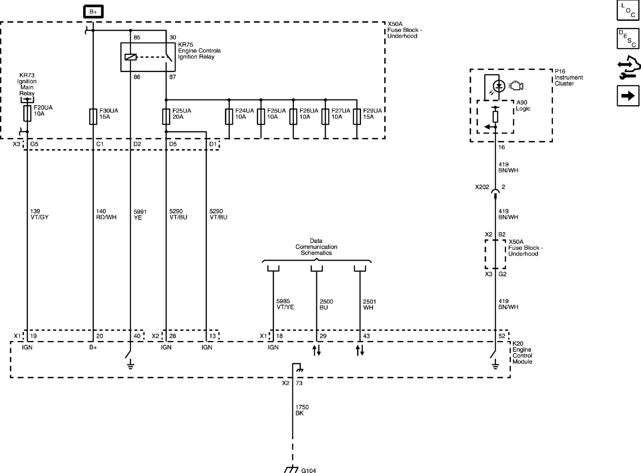
Module Power, Ground, Serial Data, and MIL

GM4959633Courtesy of GENERAL MOTORS COMPANY